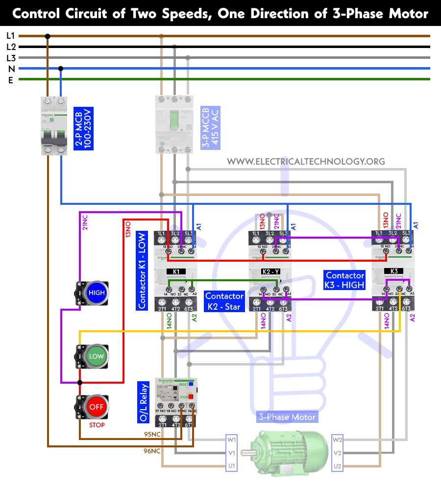
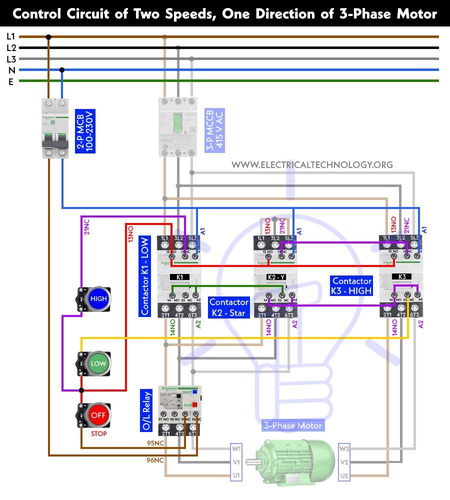
3 Ph Motor Wiring Diagram

When it comes to wiring a 3 phase motor, it is important to understand the diagram to ensure proper installation and operation. A 3 phase motor is commonly used in industrial settings due to its efficiency and power output. By following the correct wiring diagram, you can ensure that the motor functions correctly and safely.

Before diving into the wiring diagram, it is essential to have a basic understanding of how a 3 phase motor operates. Unlike a single-phase motor, a 3 phase motor has three sets of windings that are connected in a specific sequence to generate a rotating magnetic field. This field is what drives the motor and allows it to operate efficiently.

3 Phase Motor Wiring Diagram Explained For Beginners3 Phase Motor Wiring Diagram Explained For Beginners (schempro.com)

3 Ph Motor Wiring Diagram

When wiring a 3 phase motor, it is important to follow the correct diagram to ensure that the motor operates safely and efficiently. The diagram will typically show the connections for each of the three sets of windings, as well as any additional components such as capacitors or starters that may be required for the motor to function properly.

One common wiring configuration for a 3 phase motor is the star-delta connection, which allows the motor to start in a low-current configuration before switching to a higher current configuration for operation. This type of wiring can help reduce stress on the motor and extend its lifespan.

Another important aspect of wiring a 3 phase motor is ensuring that the correct voltage and current ratings are used for the motor. Using the wrong voltage or current can lead to damage to the motor and potentially dangerous operating conditions. Always refer to the motor’s specifications and the wiring diagram to ensure that the correct connections are made.

In conclusion, understanding the wiring diagram for a 3 phase motor is crucial for proper installation and operation. By following the correct diagram and adhering to the motor’s specifications, you can ensure that the motor operates safely and efficiently. Whether you are installing a new motor or troubleshooting an existing one, having a good understanding of the wiring diagram is essential.


Download and Print 3 Ph Motor Wiring Diagram Listed below

3 Phase Motor Wiring Diagram Explained For Beginners3 Phase Motor Wiring Diagram Explained For Beginners (schempro.com)

3 Phase Motor Wiring Diagram Explained For Beginners3 Phase Motor Wiring Diagram Explained For Beginners (schempro.com)

3 Phase Motor Wiring Diagram Explained For Beginners3 Phase Motor Wiring Diagram Explained For Beginners (schempro.com)

3 Phase Motor Wiring Diagram Explained For Beginners3 Phase Motor Wiring Diagram Explained For Beginners (schempro.com)

3 Phase Motor Wiring Diagram3 Phase Motor Wiring Diagram (za.pinterest.com)

3 Ph Motor Wiring Diagram

To wrap things up, understanding and utilizing 3 Ph Motor Wiring Diagram is an essential skill for anyone involved in electrical work, from novices to seasoned professionals. These diagrams act as blueprints that show the layouts and roles of electrical circuits, making diagnosing problems, installation, and maintenance far more efficient.

When you’re working on a basic home lighting system or a complex industrial setup, a well-drawn 3 Ph Motor Wiring Diagram can help avoid delays, prevent errors, and improve security.

For beginners 3 Ph Motor Wiring Diagram, begin with simple projects, examine real-life examples, and don’t hesitate to seek guidance. For pros, staying updated with the current practices helps you stay ahead.

All in all, 3 Ph Motor Wiring Diagram are more than just technical illustrations; they are the language of electricity. By being able to interpret and create them, you empower yourself to work smarter, more safely, and more accurately in any electrical project.

We appreciate your time, and we hope this article 3 Ph Motor Wiring Diagram has shed light on the power of wiring diagrams.