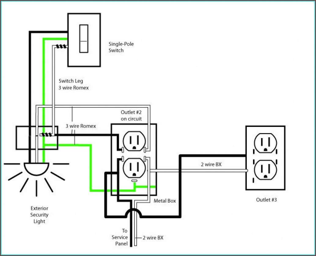
Wiring Diagram Of 3 Way Light Switch

3 Way Switch Wiring Diagram Multiple Lights Power At Light

When it comes to controlling a light fixture from two different locations, a 3-way light switch is the perfect solution. This type of switch allows you to turn the light on or off from two separate switches, providing convenience and flexibility in any room. Understanding the wiring diagram of a 3-way light switch is essential … Read more

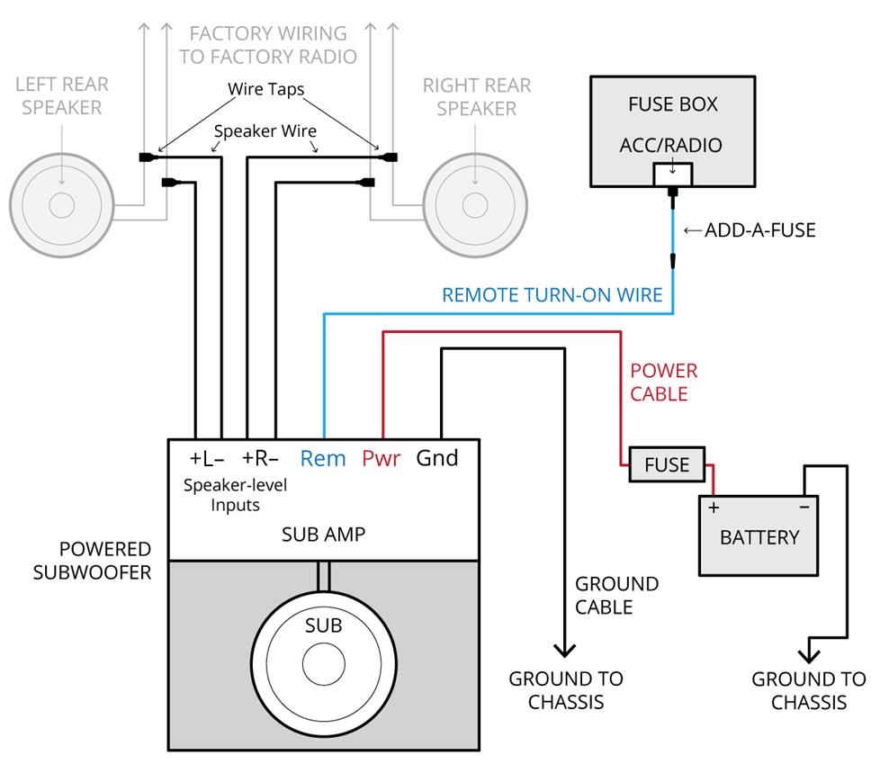
4 Channel Amp Wiring Diagram

4 Channel Amp Wiring Diagram Wiring Diagram

When it comes to installing a 4 channel amp in your vehicle, it’s important to have a solid understanding of the wiring diagram. Proper wiring ensures that your amp operates efficiently and delivers the best sound quality to your speakers. Here, we will discuss the steps involved in wiring a 4 channel amp, including the … Read more

Wiring Diagram For 7 Pin Trailer Plug

7 Pin Trailer Wiring Diagram Commercial Best Diagram Collection

When it comes to towing a trailer, having the right wiring setup is essential for ensuring safety on the road. One common type of trailer wiring is the 7-pin plug, which is used for connecting the trailer lights, brakes, and other electrical components to the towing vehicle. Understanding how to wire a 7-pin trailer plug … Read more

Thermostat Wiring Diagram

Wiring Diagram For Nest Thermostat Wiring Diagram

Thermostat wiring diagrams are essential for homeowners looking to install or replace a thermostat in their home. These diagrams provide a visual representation of how to wire the thermostat correctly, ensuring that the heating and cooling system operates effectively and efficiently. Understanding thermostat wiring diagrams can be daunting for those who are not familiar with … Read more