4 Channel Amp Wiring Diagram

When it comes to installing a 4 channel amp in your vehicle, it’s important to have a solid understanding of the wiring diagram. Proper wiring ensures that your amp operates efficiently and delivers the best sound quality to your speakers. Here, we will discuss the steps involved in wiring a 4 channel amp, including the necessary components and connections.

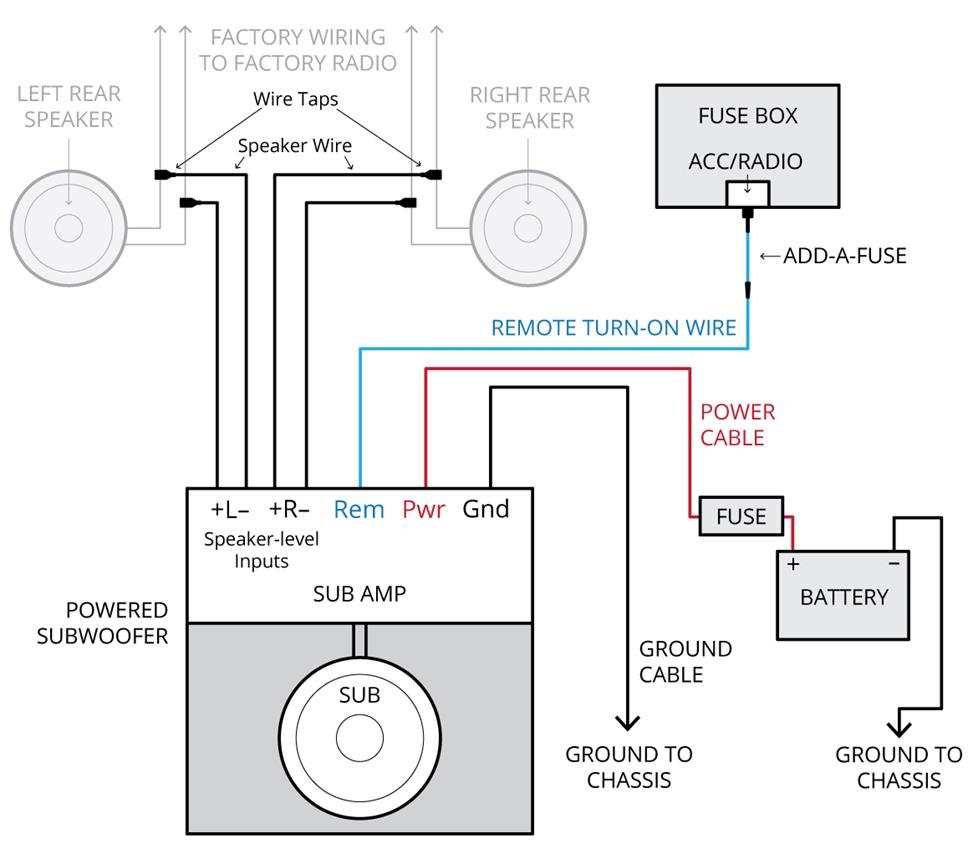
Before you begin the installation process, it’s crucial to gather all the required materials. This includes the 4 channel amp, speaker wires, power wire, ground wire, RCA cables, and a remote turn-on wire. Once you have all the components ready, you can proceed with the wiring process.

4 Channel Amp Wiring Diagram Complete Guide Audio Mention4 Channel Amp Wiring Diagram Complete Guide Audio Mention (audiomention.com)

Start by connecting the power wire from the battery to the amp’s power terminal. It’s essential to use the appropriate gauge wire to prevent overheating and ensure a stable power supply. Next, connect the ground wire from the amp to a solid metal grounding point in your vehicle. This ensures proper grounding and prevents any electrical interference.

After the power and ground connections are established, you can move on to connecting the speakers. Use the speaker wires to connect each speaker to the corresponding channel on the amp. Make sure to match the positive and negative terminals correctly to avoid any phase issues or sound distortion.

Finally, connect the RCA cables from your head unit to the amp’s input terminals. This allows the audio signal to be transmitted from the head unit to the amp for amplification. Additionally, connect the remote turn-on wire from the head unit to the amp to enable it to turn on and off automatically with the vehicle’s ignition.

Once all the connections are made, double-check the wiring diagram to ensure everything is connected correctly. Test the system to verify that the amp is powering on and sending signals to the speakers. With the proper wiring in place, you can enjoy a seamless audio experience in your vehicle with the 4 channel amp.

In conclusion, understanding the 4 channel amp wiring diagram is essential for a successful installation. By following the proper steps and connections, you can ensure that your amp operates efficiently and delivers high-quality sound to your speakers. With the right tools and knowledge, you can enjoy a superior audio experience in your vehicle.


Download and Print 4 Channel Amp Wiring Diagram Listed below

5 Channel Amp Wiring Diagram Wiring Diagram 6 Speakers 4 Channel 5 Channel Amp Wiring Diagram Wiring Diagram 6 Speakers 4 Channel (2020cadillac.com)

4 Channel Amp Wiring Diagram Wiring Diagram Explained Amp Wiring 4 Channel Amp Wiring Diagram Wiring Diagram Explained Amp Wiring (2020cadillac.com)

4 Channel Amp Wiring Diagram Wiring Diagram4 Channel Amp Wiring Diagram Wiring Diagram (annawiringdiagram.com)

4 Channel Amp Wiring Diagram Wiring Diagram4 Channel Amp Wiring Diagram Wiring Diagram (annawiringdiagram.com)

4 Channel Amp Wiring Diagram Wiring Diagram4 Channel Amp Wiring Diagram Wiring Diagram (annawiringdiagram.com)

4 Channel Amp Wiring Diagram

In conclusion, understanding and working with 4 Channel Amp Wiring Diagram is an essential skill for anyone involved in electrical work, from beginners to seasoned professionals. These diagrams serve as blueprints that illustrate the layouts and roles of electrical circuits, making diagnosing problems, setup, and servicing far more manageable.

When you’re working on a simple home lighting system or a large-scale industrial setup, a well-drawn 4 Channel Amp Wiring Diagram can help avoid delays, prevent errors, and keep things safe.

If you’re new to 4 Channel Amp Wiring Diagram, begin with simple projects, explore real-life examples, and don’t hesitate to ask for advice. For experienced technicians, staying updated with the newest regulations helps you stay relevant.

Ultimately, 4 Channel Amp Wiring Diagram are more than just schematic drawings; they are the foundation of electricity. By mastering and create them, you gain the ability to work more effectively, more safely, and with precision in any electrical project.

Thanks for following along, and we hope this article 4 Channel Amp Wiring Diagram has given insight into the importance of wiring diagrams.