5 Pole Ignition Switch Wiring Diagram

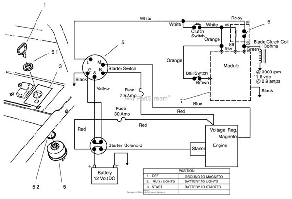
When it comes to wiring an ignition switch, having the correct diagram is essential. A 5 pole ignition switch wiring diagram is a helpful tool for anyone looking to install or repair their ignition system. By following the diagram, you can ensure that your ignition switch is wired correctly and functions properly.

Whether you are a novice or experienced with electrical wiring, having a diagram to reference can make the process much easier. It eliminates the guesswork and ensures that you are connecting the wires in the correct order. This can prevent costly mistakes and potential damage to your vehicle.

5 Pole Ignition Switch Wiring Diagram5 Pole Ignition Switch Wiring Diagram (www.yardguides.com)

When looking at a 5 pole ignition switch wiring diagram, you will typically see five terminals labeled with letters or numbers. These terminals correspond to the different wires that need to be connected to the switch. By following the diagram, you can easily identify which wire goes to each terminal and make the appropriate connections.

One common mistake that people make when wiring an ignition switch is mixing up the wires or connecting them to the wrong terminals. This can result in the ignition system not working properly or even causing damage to other components. By using a diagram, you can avoid these issues and ensure that your ignition switch is wired correctly.

Overall, having a 5 pole ignition switch wiring diagram can be a valuable resource for anyone working on their ignition system. It provides a clear and concise guide for connecting the wires to the switch and ensures that everything is done correctly. By following the diagram, you can have peace of mind knowing that your ignition system is functioning properly.

So, whether you are installing a new ignition switch or troubleshooting an existing one, be sure to consult a wiring diagram to make the process easier and more efficient. With the right tools and information, you can successfully wire your ignition switch and keep your vehicle running smoothly.


Download and Print 5 Pole Ignition Switch Wiring Diagram Listed below

5 Pole Ignition Switch Wiring Diagram5 Pole Ignition Switch Wiring Diagram (www.yardguides.com)

5 Pole Ignition Switch Wiring Diagram The Ultimate Guide 2024 5 Pole Ignition Switch Wiring Diagram The Ultimate Guide 2024 (scootertip.com)

5 Pole Ignition Switch Wiring Diagram AndersGarnow5 Pole Ignition Switch Wiring Diagram AndersGarnow (www.andersgarnow.com)

5 Pole Ignition Switch Diagram5 Pole Ignition Switch Diagram (stewart-switch.com)

Universal 4 Pole Ignition Switch Wiring Diagram Wiring DiagramUniversal 4 Pole Ignition Switch Wiring Diagram Wiring Diagram (www.autowiringdiagram.net)

5 Pole Ignition Switch Wiring Diagram

To wrap things up, comprehending and using 5 Pole Ignition Switch Wiring Diagram is an essential skill for those dealing with electrical setups, from novices to veteran technicians. These diagrams act as blueprints that illustrate the layouts and roles of electrical circuits, making diagnosing problems, setup, and maintenance far more efficient.

When you’re working on a basic home lighting system or a complicated industrial setup, a well-drawn 5 Pole Ignition Switch Wiring Diagram can help avoid delays, prevent errors, and keep things safe.

For beginners 5 Pole Ignition Switch Wiring Diagram, start small, study real-life examples, and don’t hesitate to get help. For experienced technicians, staying updated with the latest standards helps you stay ahead.

All in all, 5 Pole Ignition Switch Wiring Diagram are more than just technical illustrations; they are the language of electricity. By being able to interpret and draft them, you equip yourself to work smarter, safer, and more accurately in any electrical project.

Thank you for reading, and we hope this article 5 Pole Ignition Switch Wiring Diagram has shed light on the importance of wiring diagrams.