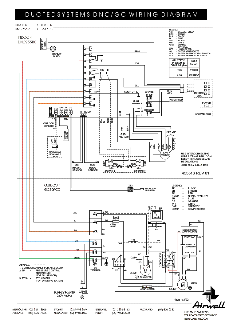
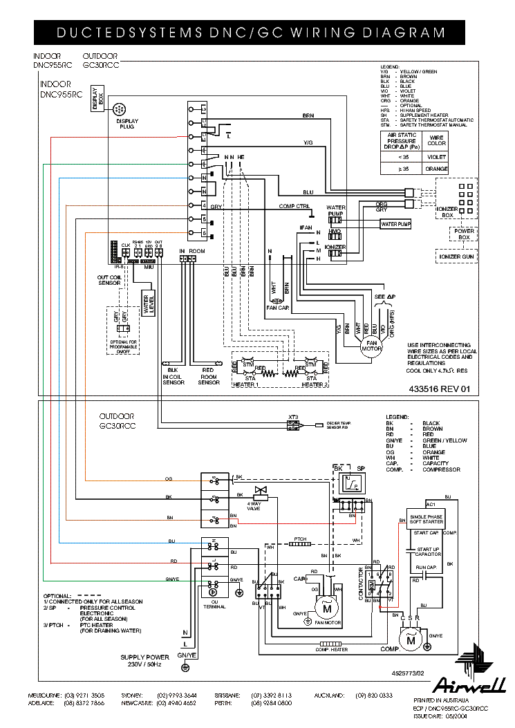
Air Conditioner Wiring Diagram

When it comes to installing or repairing an air conditioner, understanding the wiring diagram is crucial. A wiring diagram is a visual representation of the electrical connections and functions of a system. In the case of an air conditioner, the wiring diagram shows how various components are connected to each other and the power source.

Having a clear understanding of the wiring diagram can help in troubleshooting any issues that may arise with the air conditioner. It also ensures that the installation is done correctly, preventing any electrical hazards.

Ge Air Conditioner Wiring Diagram Micro WiringGe Air Conditioner Wiring Diagram Micro Wiring (micro-wiring.blogspot.com)

Air Conditioner Wiring Diagram

The wiring diagram for an air conditioner typically includes the following components: the compressor, fan motor, capacitor, thermostat, transformer, and various switches and relays. Each component has a specific function and is connected in a specific way to ensure the proper functioning of the air conditioner.

For example, the compressor is connected to the capacitor, which helps start the motor. The fan motor is connected to the thermostat, which controls the temperature settings. The transformer converts the incoming voltage to the appropriate voltage needed for the system to operate.

It is important to follow the wiring diagram carefully when installing or repairing an air conditioner to avoid any electrical mishaps. Each wire has a specific color and function, so it is crucial to make sure they are connected correctly according to the diagram.

In addition to the electrical connections, the wiring diagram may also include information on the proper grounding of the system and any safety precautions that need to be followed during installation or maintenance.

Overall, understanding the air conditioner wiring diagram is essential for anyone working with air conditioning systems. It ensures that the system functions properly and safely, providing cool air when needed. By following the diagram carefully and accurately, you can ensure a smooth installation or repair process.

Next time you are working on an air conditioner, refer to the wiring diagram to guide you through the process and ensure a successful outcome.


Download and Print Air Conditioner Wiring Diagram Listed below

A Comprehensive Guide To Understanding Dometic RV Air Conditioner A Comprehensive Guide To Understanding Dometic RV Air Conditioner (autoctrls.com)

 DIAGRAM Air Conditioner Wiring Diagram Manual MYDIAGRAM ONLINEDIAGRAM Air Conditioner Wiring Diagram Manual MYDIAGRAM ONLINE (mydiagram.online)

Central Air Conditioner Wiring DiagramCentral Air Conditioner Wiring Diagram (resolutionsforyou.com)

2006 Ford Lcf Air Conditioner Wiring Diagram2006 Ford Lcf Air Conditioner Wiring Diagram (diagramweb.net)

Ac Hvac Wiring Wiring Diagram Central Air Conditioner Wiring Ac Hvac Wiring Wiring Diagram Central Air Conditioner Wiring (2020cadillac.com)

Air Conditioner Wiring Diagram

In conclusion, comprehending and working with Air Conditioner Wiring Diagram is an essential skill for anyone involved in electrical work, from novices to veteran technicians. These diagrams function as blueprints that show the layouts and roles of electrical circuits, making troubleshooting, setup, and servicing far more straightforward.

Whether you’re working on a simple home lighting system or a large-scale industrial setup, a well-drawn Air Conditioner Wiring Diagram can save time, reduce mistakes, and ensure safety.

For beginners Air Conditioner Wiring Diagram, start small, explore real-life examples, and don’t hesitate to get help. For experienced technicians, staying updated with the latest standards helps you stay relevant.

All in all, Air Conditioner Wiring Diagram are more than just technical illustrations; they are the blueprint of electricity. By learning to read and create them, you empower yourself to work smarter, safer, and more accurately in any electrical project.

We appreciate your time, and we hope this article Air Conditioner Wiring Diagram has helped illuminate the value of wiring diagrams.