When it comes to setting up your car audio system, having a proper amp wiring diagram is crucial. This diagram acts as a roadmap for connecting your amplifier to your speakers and other audio components. Without a clear understanding of how to wire your amp, you could end up with poor sound quality or even damage to your equipment.
Whether you are a beginner or a seasoned car audio enthusiast, having a well-documented wiring diagram can save you time and frustration. It ensures that you are connecting the right wires in the right places, preventing any potential mishaps along the way.
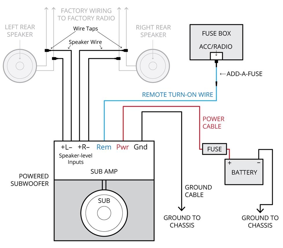
Kicker Amp Wiring Diagram (stewart-switch.com)
Amp Wiring Diagram
One of the key components of an amp wiring diagram is the power wire. This wire connects your amplifier to the battery, providing the necessary power for your audio system. It is important to choose the right gauge of wire to handle the current draw of your amplifier.
Another crucial element in the diagram is the ground wire. This wire completes the circuit and helps to eliminate any unwanted noise in your audio system. Proper grounding is essential for maintaining a clean and clear sound in your car.
Speaker wires are also a vital part of the amp wiring diagram. These wires connect your amplifier to your speakers, ensuring that the audio signal is transmitted accurately and efficiently. Using the correct gauge of wire and properly securing the connections can make a significant difference in the sound quality of your system.
It is also important to consider the placement of components in your car audio system when creating an amp wiring diagram. Properly routing and securing wires can help prevent interference and ensure that your system operates at its best.
In conclusion, having a well-documented amp wiring diagram is essential for any car audio enthusiast. It provides a clear roadmap for connecting your amplifier, speakers, and other components, ensuring that your system operates efficiently and effectively. By following a proper wiring diagram, you can avoid potential issues and enjoy high-quality sound in your car audio system.