Wiring A 2 Way Light Switch Diagram

4 Way Switch Wiring Diagram Wiring Diagram

When it comes to wiring a 2 way light switch, it’s important to understand the basic principles of electrical wiring. A 2 way switch allows you to control a single light fixture from two different locations, such as at the top and bottom of a staircase. This type of switch is commonly used in hallways, … Read more

3 Phase Wiring Diagram

480v 3 Phase Wiring Diagram Car Wiring Diagram

When it comes to electrical systems in buildings or industrial settings, 3 phase wiring is commonly used to distribute power efficiently. This type of wiring allows for a more balanced electrical load and is essential for running heavy-duty equipment. Understanding how to properly wire a 3 phase system is crucial for ensuring safety and efficiency. … Read more

Cat 5e Wiring Diagram

03 image showing the pinout diagram of a crossover ethernet cable jpg

When it comes to setting up a network in your home or office, it is important to have a clear understanding of the wiring diagram. Cat 5e wiring is commonly used for Ethernet networks and provides a reliable and fast connection. By following the correct wiring diagram, you can ensure that your network operates efficiently … Read more

Sub And Amp Wiring Diagram

Sub Amp Wiring Diagram

When it comes to setting up a car audio system, understanding how to properly wire your subwoofer and amplifier is crucial. Without the correct wiring, you may not get the best sound quality or performance from your equipment. In this article, we will discuss the basics of sub and amp wiring diagrams to help you … Read more

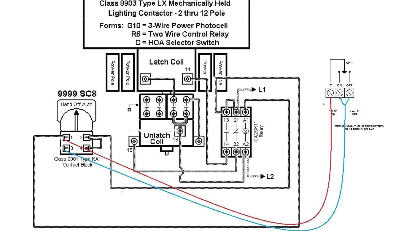
Contactor Wiring Diagram

Contactor Wiring Diagram Wiring Diagram

Contactor wiring diagrams are essential for understanding how to properly connect electrical components in a circuit. A contactor is an electrical relay that controls the flow of electricity to a load. It is commonly used in HVAC systems, lighting controls, and industrial machinery. Understanding how to wire a contactor is crucial for ensuring the safe … Read more