Electric Brake Wiring Diagram Trailer

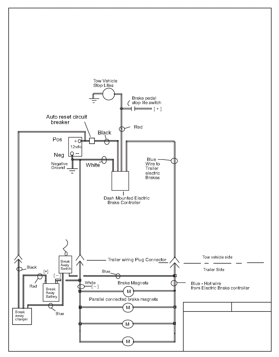
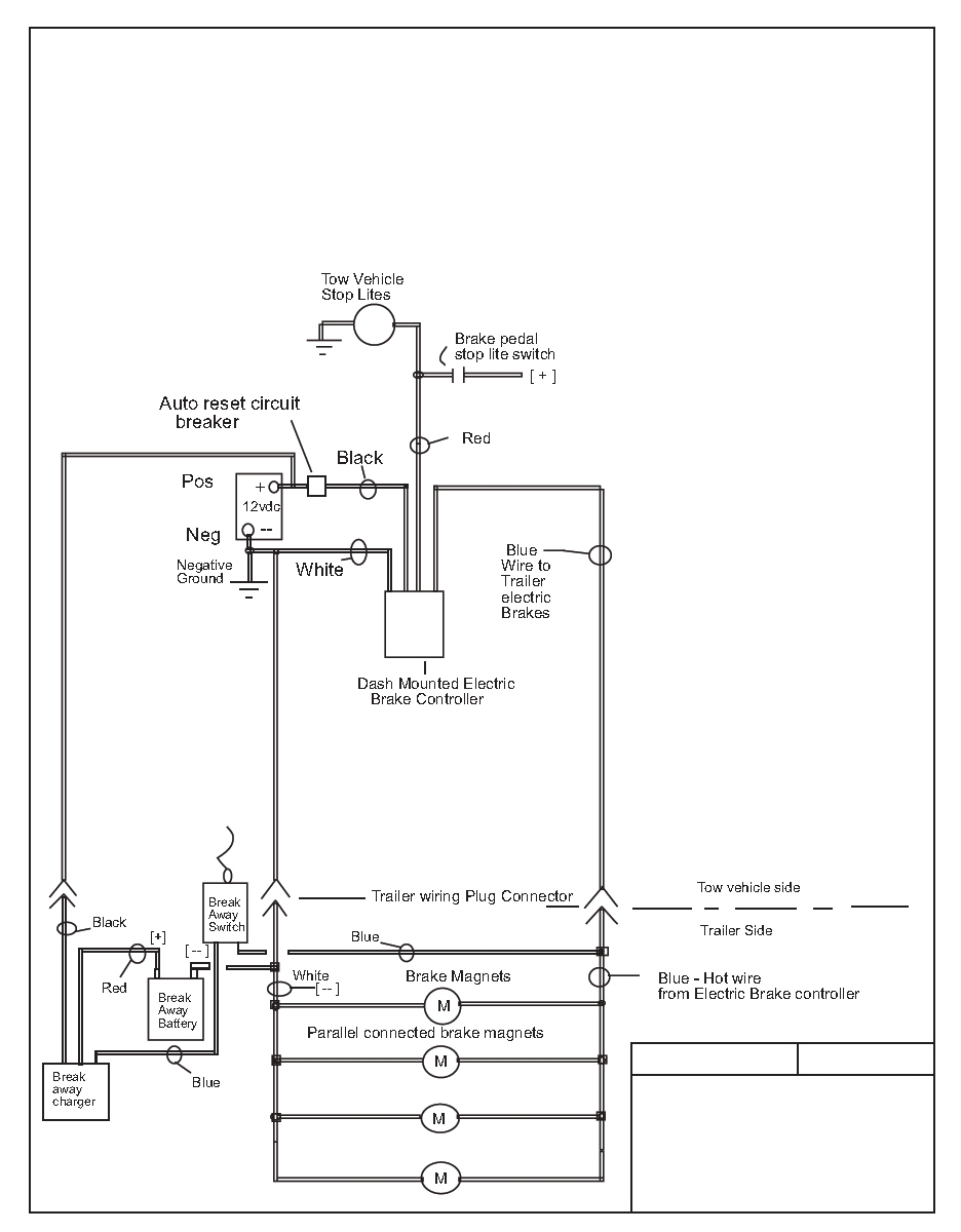
When it comes to towing a trailer, having electric brakes can greatly improve the safety and control of your vehicle. Electric brakes work by using an electric current to actuate the brake pads on the trailer when the brake pedal in the towing vehicle is pressed. In order for the electric brakes to work properly, the trailer must be properly wired to the towing vehicle.

Having a wiring diagram for your electric brake system is essential for ensuring that everything is connected correctly. This diagram will show you how to properly connect the brake controller to the battery, the brake pads, and the towing vehicle’s electrical system. It is important to follow the wiring diagram carefully to avoid any issues with your electric brakes.

Tandem Trailer Brake Wiring Diagram Wiring DiagramTandem Trailer Brake Wiring Diagram Wiring Diagram (www.autowiringdiagram.net)

One of the first steps in wiring your electric brakes is to connect the brake controller to the battery. This is typically done by running a power wire from the positive terminal of the battery to the brake controller. The brake controller will then send a signal to the trailer brakes when the brake pedal is pressed, causing them to engage.

Next, you will need to connect the brake pads on the trailer to the brake controller. This is typically done by running wires from the brake pads to the brake controller. The brake controller will then send an electric current to the brake pads, causing them to engage when the brake pedal is pressed.

Lastly, you will need to connect the brake controller to the towing vehicle’s electrical system. This is typically done by connecting the brake controller to the brake lights on the towing vehicle. This will ensure that the trailer brakes engage whenever the brake pedal is pressed in the towing vehicle.

Overall, having a properly wired electric brake system is essential for safe towing. By following a wiring diagram and properly connecting all components, you can ensure that your electric brakes work efficiently and effectively. If you are unsure about how to wire your electric brakes, it is recommended to consult a professional for assistance.


Download and Print Electric Brake Wiring Diagram Trailer Listed below

Travel Trailer Brake Wiring DiagramTravel Trailer Brake Wiring Diagram (stewart-switch.com)

Tandem Axle Trailer Electric Brake Wiring Diagram 4K Wallpapers ReviewTandem Axle Trailer Electric Brake Wiring Diagram 4K Wallpapers Review (www.smarts4k.com)

Tekonsha P3 Prodigy Caravan Trailer Electric Brake Controller Bonus Tekonsha P3 Prodigy Caravan Trailer Electric Brake Controller Bonus (annawiringdiagram.com)

Electric Trailer Brake Wiring Diagram Wiring DiagramElectric Trailer Brake Wiring Diagram Wiring Diagram (www.autowiringdiagram.net)

Electric Trailer Brake Wiring Diagram Wiring DiagramElectric Trailer Brake Wiring Diagram Wiring Diagram (www.autowiringdiagram.net)

Electric Brake Wiring Diagram Trailer

In conclusion, comprehending and using Electric Brake Wiring Diagram Trailer is an essential skill for anyone working with electrical systems, from newcomers to veteran technicians. These diagrams serve as blueprints that illustrate the paths and operations of electrical circuits, making troubleshooting, setup, and servicing far more efficient.

If you’re working on a small home lighting system or a complicated industrial setup, a well-drawn Electric Brake Wiring Diagram Trailer can help avoid delays, prevent errors, and keep things safe.

If you’re new to Electric Brake Wiring Diagram Trailer, begin with simple projects, study real-life examples, and don’t hesitate to get help. For skilled workers, staying updated with the latest standards helps you stay relevant.

In the end, Electric Brake Wiring Diagram Trailer are more than just schematic drawings; they are the foundation of electricity. By being able to interpret and design them, you gain the ability to work more effectively, safer, and more accurately in any electrical project.

Thank you for reading, and we hope this article Electric Brake Wiring Diagram Trailer has given insight into the importance of wiring diagrams.