Electric Trailer Brake Wiring Diagram

When it comes to towing a trailer, having functioning electric trailer brakes is essential for safety on the road. Electric trailer brakes work by applying brake pressure to the trailer when the tow vehicle’s brakes are applied, helping to slow down and stop the trailer smoothly. In order for the electric trailer brakes to work properly, the wiring must be correctly installed and connected.

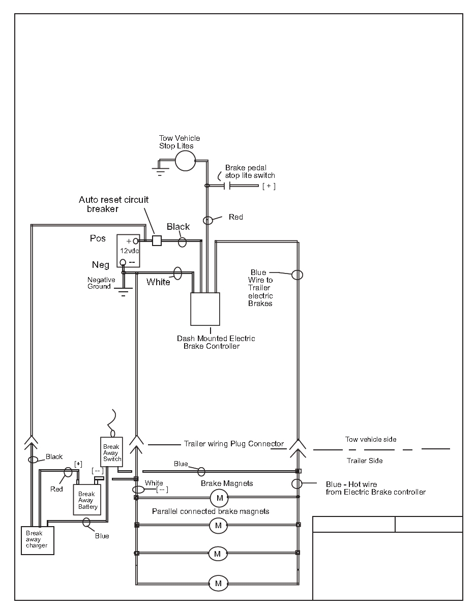
Understanding the wiring diagram for electric trailer brakes is important for ensuring that the brakes are wired correctly and function properly. By following the wiring diagram, you can easily identify the different components of the brake system and how they are connected to the tow vehicle.

Mastering Electric Trailer Brake Wiring Diagrams With Breakaway In 5 Mastering Electric Trailer Brake Wiring Diagrams With Breakaway In 5 (wiringall.com)

Typically, electric trailer brake wiring diagrams will include information on the brake controller, brake magnets, breakaway switch, battery, and ground wire. The brake controller is responsible for sending signals to the trailer brakes to apply pressure when the vehicle brakes are engaged. The brake magnets are the components that actually create the braking force on the trailer wheels. The breakaway switch is a safety feature that activates the brakes on the trailer if it becomes disconnected from the tow vehicle. The battery provides power to the brake system, and the ground wire ensures that the system is properly grounded.

It is important to carefully follow the wiring diagram when installing or troubleshooting electric trailer brakes. Incorrect wiring can lead to brake failure or other safety issues while towing. If you are unsure about how to wire the brakes, it is recommended to seek the help of a professional or refer to the manufacturer’s instructions for your specific brake system.

Regular maintenance and inspection of the electric trailer brake wiring is also important to ensure that the system continues to function properly. Check for any loose or damaged wires, corrosion, or other issues that could affect the performance of the brakes. Keeping the wiring clean and well-maintained will help to prolong the life of the electric trailer brake system.

In conclusion, understanding the electric trailer brake wiring diagram is crucial for safe and efficient towing. By following the diagram and properly maintaining the wiring, you can ensure that your trailer brakes are functioning correctly and provide the necessary stopping power when needed.


Download and Print Electric Trailer Brake Wiring Diagram Listed below

Mastering Electric Trailer Brake Wiring Diagrams With Breakaway In 5 Mastering Electric Trailer Brake Wiring Diagrams With Breakaway In 5 (wiringall.com)

How To Wire Electric Trailer Brakes A Comprehensive Wiring Diagram GuideHow To Wire Electric Trailer Brakes A Comprehensive Wiring Diagram Guide (kdi-ppi.com)

Travel Trailer Brake Wiring DiagramTravel Trailer Brake Wiring Diagram (stewart-switch.com)

Tekonsha P3 Prodigy Caravan Trailer Electric Brake Controller Bonus Tekonsha P3 Prodigy Caravan Trailer Electric Brake Controller Bonus (annawiringdiagram.com)

Electric Trailer Brake Wiring Diagram Wiring DiagramElectric Trailer Brake Wiring Diagram Wiring Diagram (www.autowiringdiagram.net)

Electric Trailer Brake Wiring Diagram

In conclusion, grasping and working with Electric Trailer Brake Wiring Diagram is an vital skill for anyone working with electrical systems, from novices to veteran technicians. These diagrams act as blueprints that illustrate the paths and operations of electrical circuits, making fault-finding, installation, and maintenance far more straightforward.

When you’re working on a small home lighting system or a complex industrial setup, a well-drawn Electric Trailer Brake Wiring Diagram can save time, prevent errors, and improve security.

For beginners Electric Trailer Brake Wiring Diagram, start small, study real-life examples, and don’t hesitate to get help. For experienced technicians, staying updated with the current practices helps you stay ahead.

All in all, Electric Trailer Brake Wiring Diagram are more than just schematic drawings; they are the foundation of electricity. By being able to interpret and create them, you gain the ability to work smarter, more safely, and with precision in any electrical project.

Thank you for reading, and we hope this article Electric Trailer Brake Wiring Diagram has helped illuminate the value of wiring diagrams.