Electric Wiring Diagram

Electric wiring diagrams are essential tools used by electricians and homeowners to understand the layout of electrical systems in buildings. These diagrams provide a visual representation of how electrical components are connected and help in troubleshooting any issues that may arise.

Whether you are installing a new electrical system or making repairs to an existing one, having a wiring diagram can save time and ensure that the work is done correctly and safely. Understanding how to read these diagrams is crucial for anyone working with electricity.

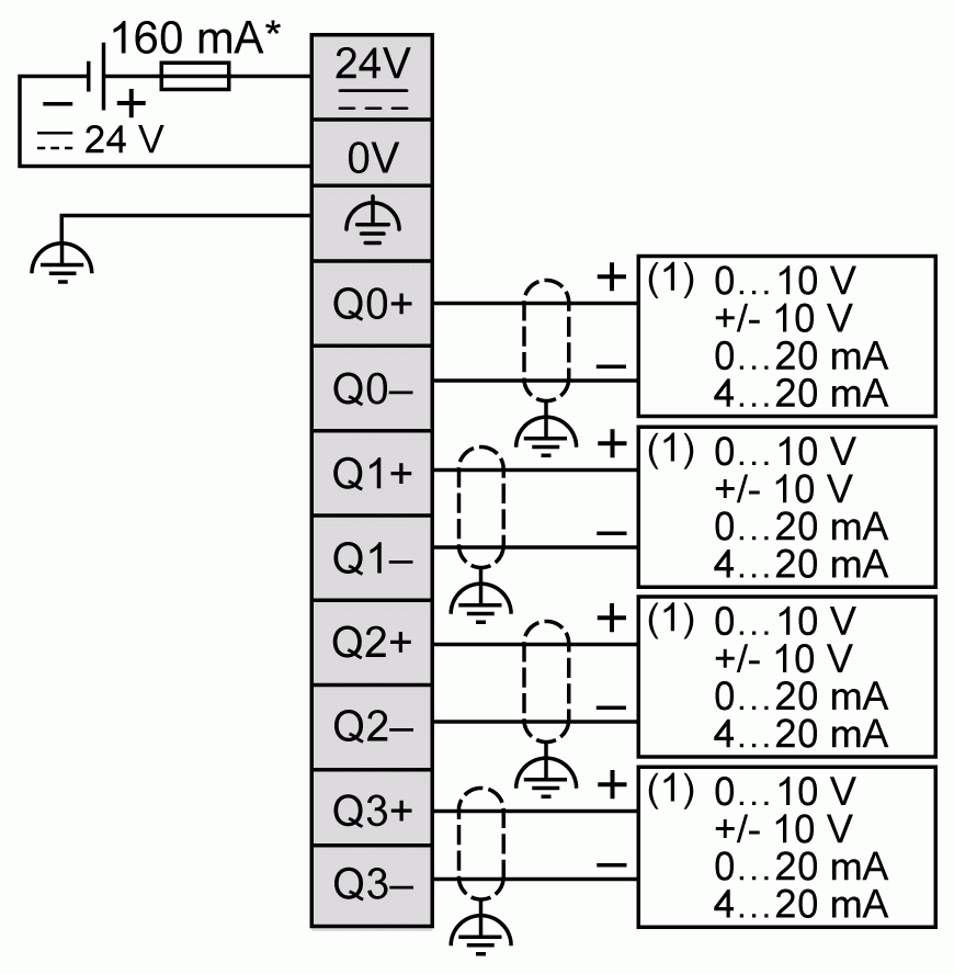
 DIAGRAM Wiring Diagram Book Schneider Electric MYDIAGRAM ONLINEDIAGRAM Wiring Diagram Book Schneider Electric MYDIAGRAM ONLINE (mydiagram.online)

Electric Wiring Diagram

An electric wiring diagram typically consists of symbols that represent electrical components such as wires, switches, outlets, and lights. The diagram shows how these components are connected and where the wires should be routed to complete the circuit. It also includes information on voltage, current, and resistance values.

When reading a wiring diagram, it is important to pay attention to the symbols used and understand what each one represents. For example, a zigzag line may indicate a resistor, while a straight line represents a wire. Being able to interpret these symbols will help in troubleshooting electrical problems and making modifications to the system.

Electric wiring diagrams can vary in complexity depending on the size and type of the electrical system. For simple residential wiring, the diagram may be straightforward and easy to follow. However, for larger commercial or industrial systems, the diagram may be more detailed and include multiple circuits and components.

It is important to keep electric wiring diagrams updated and easily accessible for reference. Any changes made to the electrical system should be documented on the diagram to ensure that future maintenance or repairs can be done efficiently. Having a clear understanding of the wiring layout can also help in identifying potential hazards and preventing accidents.

In conclusion, electric wiring diagrams play a crucial role in understanding and maintaining electrical systems. By familiarizing yourself with these diagrams and knowing how to interpret them, you can ensure that your electrical work is done safely and efficiently. Remember to always follow proper safety procedures when working with electricity and consult a professional electrician if needed.


Download and Print Electric Wiring Diagram Listed below

Wiring Diagram pdf Schneider ElectricWiring Diagram Pdf Schneider Electric (www.yumpu.com)

Wiring Diagram Whirlpool Stove Wiring DiagramWiring Diagram Whirlpool Stove Wiring Diagram (wiringdiagram.2bitboer.com)

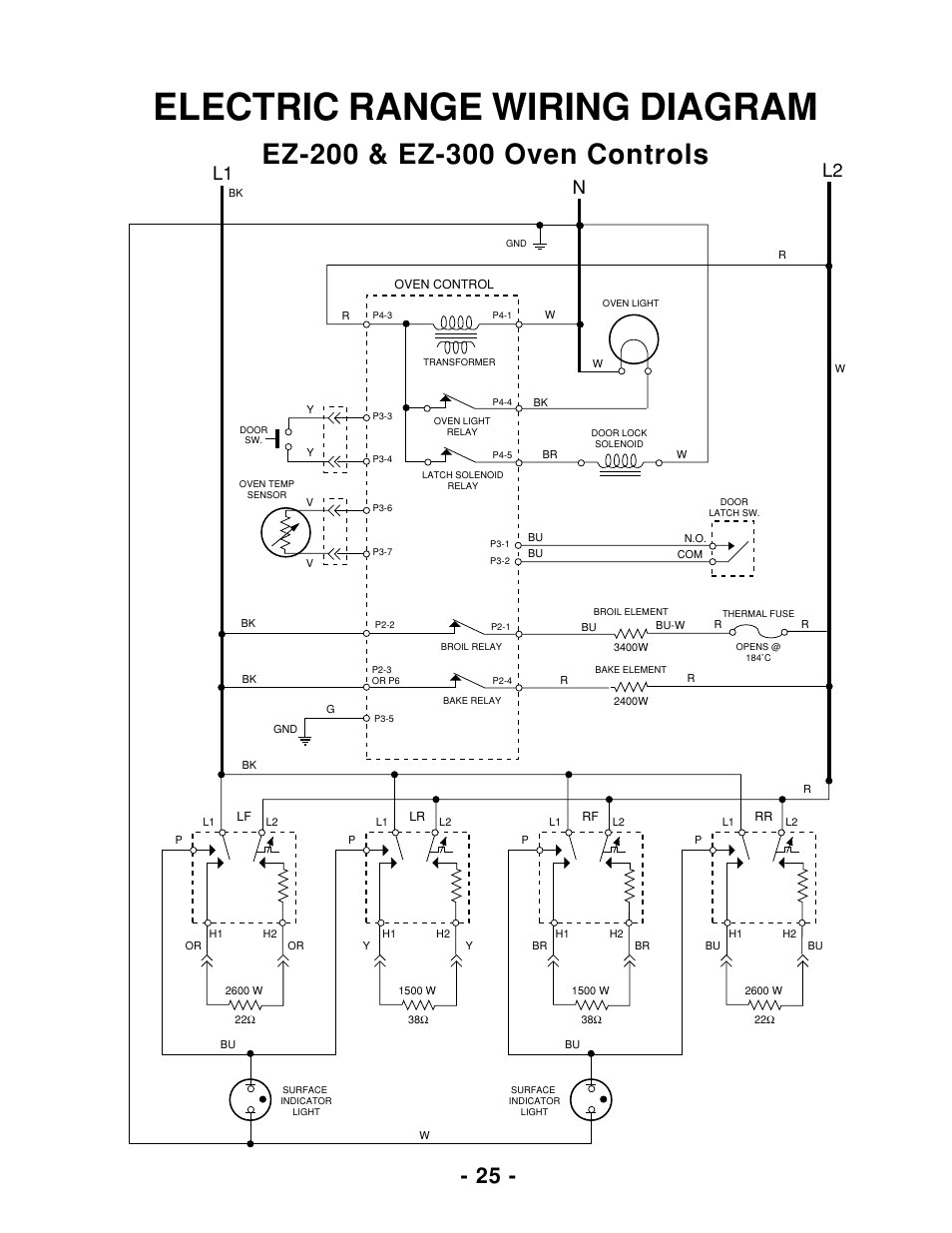
Frigidaire Electric Range Stove Oven Timer Wiring Diagram PdfFrigidaire Electric Range Stove Oven Timer Wiring Diagram Pdf (diagramweb.net)

Wiring Diagram Schematic Wiring Diagram Wiring Diagram SchematicWiring Diagram Schematic Wiring Diagram Wiring Diagram Schematic (www.wiringname.com)

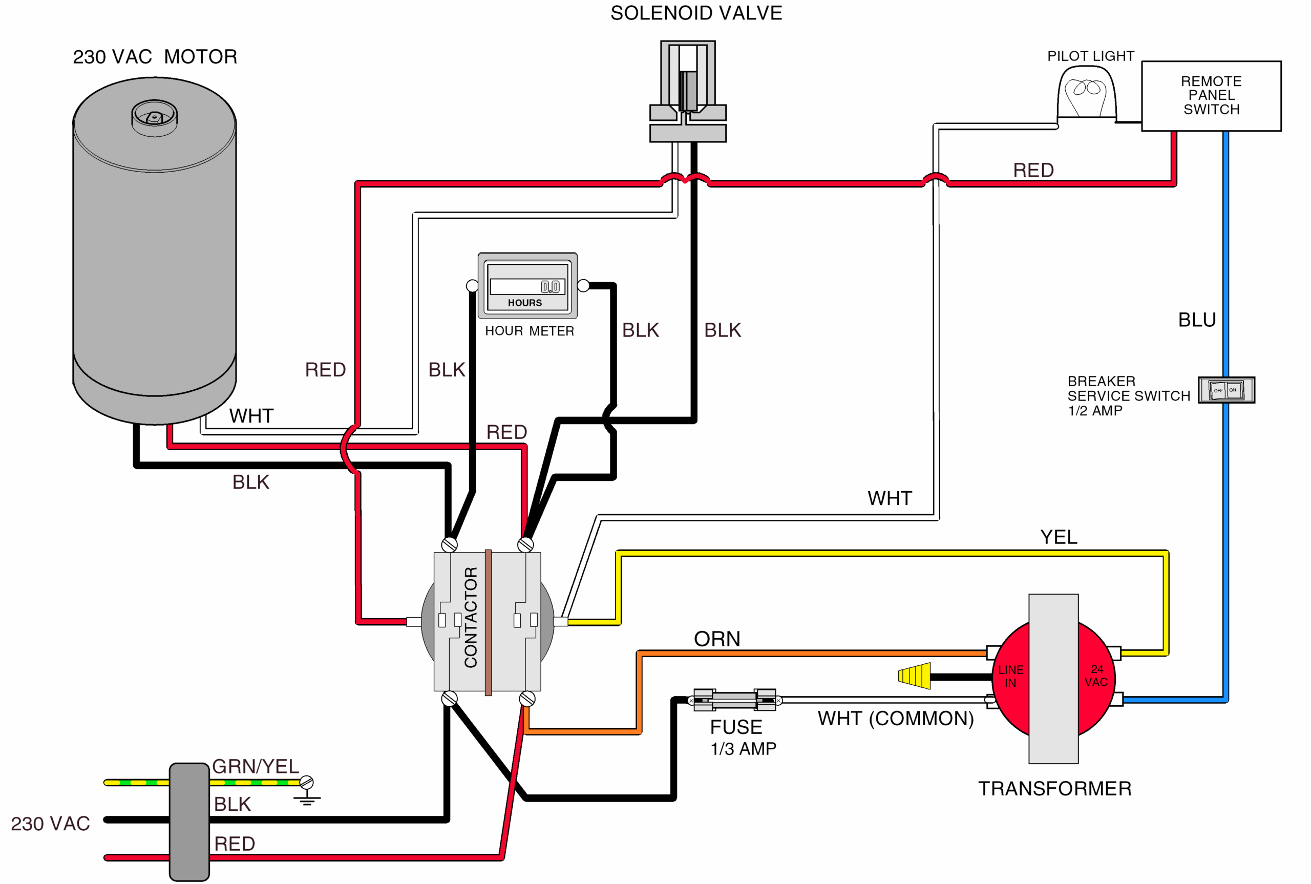
Century Electric Motor Wiring DiagramCentury Electric Motor Wiring Diagram (www.mikrora.com)

Electric Wiring Diagram

To wrap things up, understanding and using Electric Wiring Diagram is an important skill for anyone involved in electrical work, from newcomers to seasoned professionals. These diagrams serve as blueprints that illustrate the paths and operations of electrical circuits, making fault-finding, setup, and servicing far more straightforward.

If you’re working on a simple home lighting system or a complex industrial setup, a well-drawn Electric Wiring Diagram can save time, prevent errors, and ensure safety.

If you’re new to Electric Wiring Diagram, begin with simple projects, study real-life examples, and don’t hesitate to ask for advice. For skilled workers, staying updated with the latest standards helps you stay competitive.

In the end, Electric Wiring Diagram are more than just schematic drawings; they are the blueprint of electricity. By learning to read and draft them, you gain the ability to work smarter, more safely, and more accurately in any electrical project.

Thanks for following along, and we hope this article Electric Wiring Diagram has shed light on the power of wiring diagrams.