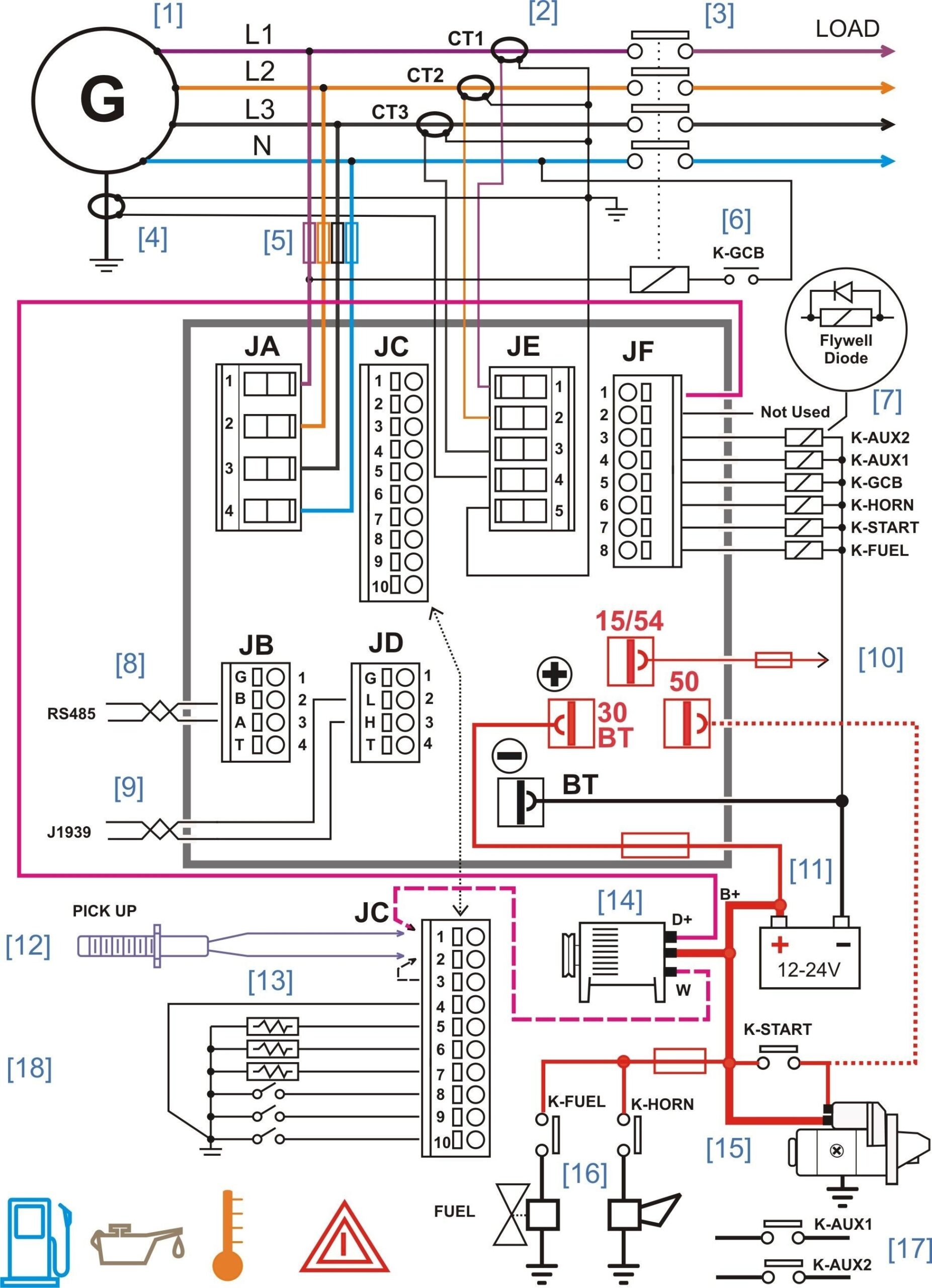
Electrical Wiring Diagram Software

Electrical wiring diagram software is a crucial tool for electricians, engineers, and anyone involved in designing or working with electrical systems. These software programs help users create detailed and accurate diagrams of electrical circuits, allowing for easier troubleshooting, planning, and installation.

With the advancement of technology, electrical wiring diagram software has become more user-friendly and sophisticated. Most programs offer a wide range of symbols and tools to easily create complex diagrams, as well as features like automatic numbering, wire labeling, and real-time collaboration.

Electrical Wiring Diagram SoftwareElectrical Wiring Diagram Software (wirefixatovercharge.z14.web.core.windows…)

One of the key benefits of using electrical wiring diagram software is the ability to accurately visualize and plan out electrical systems before any physical work is done. This can help prevent costly mistakes and ensure that the final installation meets all safety and regulatory requirements.

Additionally, these software programs often come equipped with simulation tools that allow users to test the functionality of their circuits before implementation. This can help identify potential issues and optimize the design for efficiency and performance.

Some popular electrical wiring diagram software options include AutoCAD Electrical, SmartDraw, and EasyEDA. Each program offers unique features and capabilities, so it’s important to choose one that best fits your specific needs and preferences.

In conclusion, electrical wiring diagram software is a valuable tool for anyone involved in electrical design and installation. By utilizing these programs, users can create accurate and detailed diagrams, simulate circuit functionality, and ensure compliance with safety standards. Investing in a quality software program can save time, money, and headaches in the long run.


Download and Print Electrical Wiring Diagram Software Listed below

Wiring Diagram Software Cadician 39 s BlogWiring Diagram Software Cadician 39 S Blog (2020cadillac.com)

Electrical Wiring Diagram SoftwareElectrical Wiring Diagram Software (circuitdbmcveigh.z19.web.core.windows.ne…)

Electrical Control Panel Wiring Diagram Software Wiring Diagram And Electrical Control Panel Wiring Diagram Software Wiring Diagram And (www.caretxdigital.com)

Gallery Of Electrical Wiring Diagram Software Open Source Sample Gallery Of Electrical Wiring Diagram Software Open Source Sample (2020cadillac.com)

Free Wiring Diagram Software Wiring DiagramFree Wiring Diagram Software Wiring Diagram (annawiringdiagram.com)

Electrical Wiring Diagram Software

In conclusion, understanding and working with Electrical Wiring Diagram Software is an essential skill for anyone working with electrical systems, from newcomers to experienced electricians. These diagrams act as blueprints that map out the connections and functions of electrical circuits, making troubleshooting, setup, and maintenance far more efficient.

If you’re working on a small home lighting system or a large-scale industrial setup, a well-drawn Electrical Wiring Diagram Software can save time, reduce mistakes, and keep things safe.

For beginners Electrical Wiring Diagram Software, start small, explore real-life examples, and don’t hesitate to get help. For skilled workers, staying updated with the current practices helps you stay relevant.

All in all, Electrical Wiring Diagram Software are more than just schematic drawings; they are the language of electricity. By mastering and create them, you empower yourself to work smarter, more safely, and with precision in any electrical project.

Thanks for following along, and we hope this article Electrical Wiring Diagram Software has helped illuminate the value of wiring diagrams.