Generator Transfer Switch Wiring Diagram

When it comes to setting up a generator transfer switch, having a clear wiring diagram is essential. A transfer switch allows you to safely switch between utility power and generator power without having to manually disconnect and reconnect cords. This not only protects your appliances and electrical system but also ensures a seamless transition during power outages.

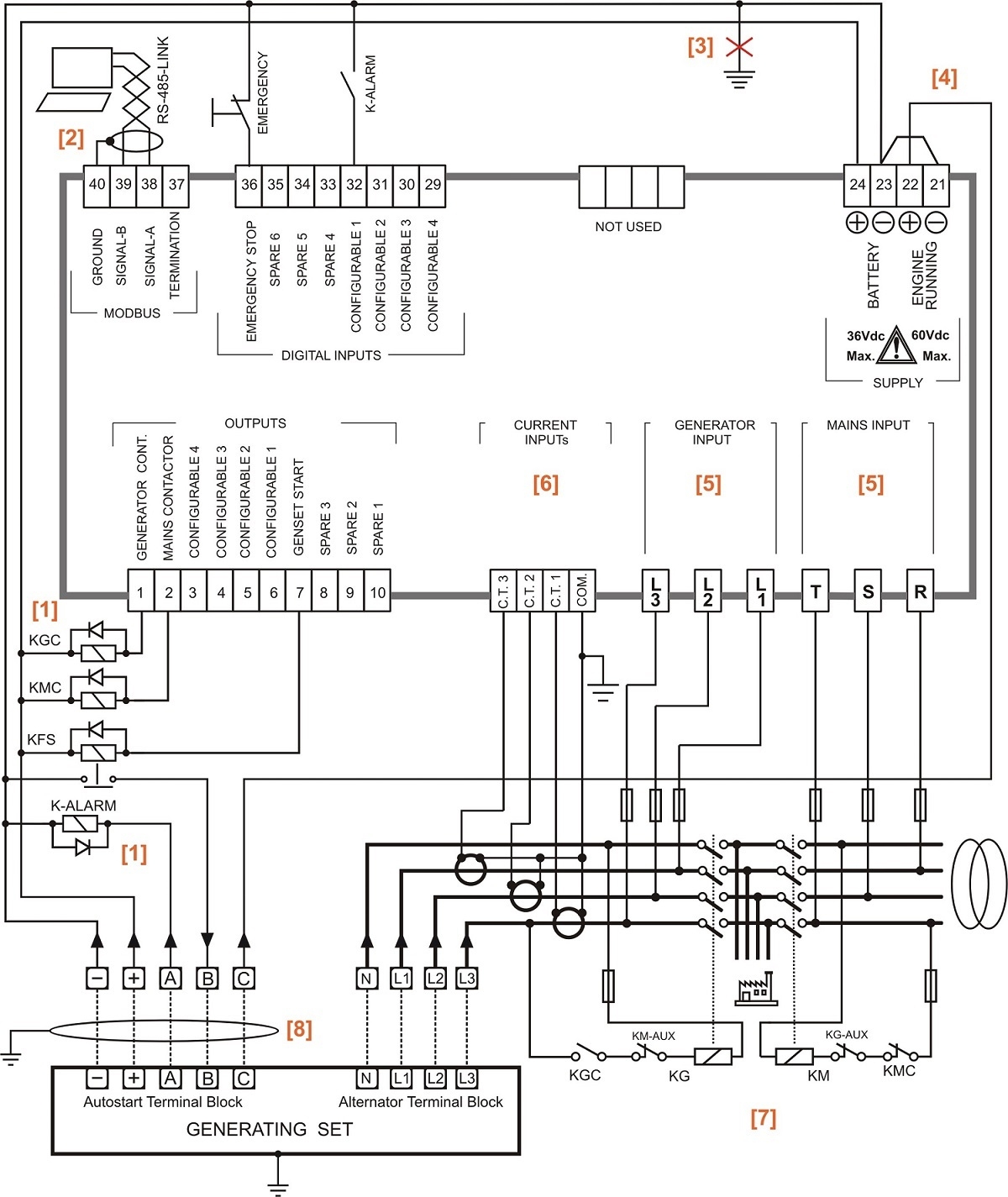
Before you begin wiring your transfer switch, it’s important to understand the different components involved and how they work together. This includes the transfer switch itself, the generator, the main electrical panel, and any necessary wiring and cables. Having a detailed diagram will help you visualize the setup and ensure everything is connected correctly.

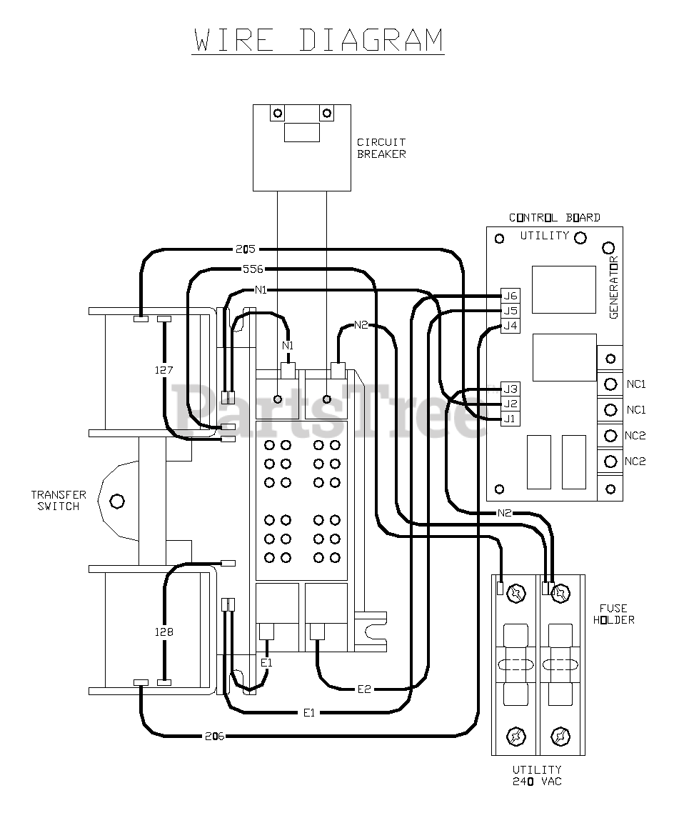
Generac Transfer Switch Wiring DiagramGenerac Transfer Switch Wiring Diagram (stewart-switch.com)

Start by locating the transfer switch in a convenient and accessible location near your main electrical panel. The transfer switch should be installed by a licensed electrician to ensure compliance with local building codes and safety standards. Once the transfer switch is in place, carefully follow the wiring diagram provided by the manufacturer to connect the generator, main panel, and transfer switch.

Typically, the wiring diagram will indicate which wires go where, including the hot, neutral, and ground wires. It’s crucial to double-check all connections before turning on the generator to prevent any electrical hazards. Remember to also test the transfer switch periodically to ensure it’s functioning correctly and ready for use in case of a power outage.

In conclusion, having a well-laid-out wiring diagram for your generator transfer switch is key to a reliable and safe setup. By following the diagram and working with a professional electrician, you can ensure that your transfer switch is properly installed and provides seamless power transfer when needed. Don’t underestimate the importance of proper wiring and always prioritize safety when dealing with electrical systems.


Download and Print Generator Transfer Switch Wiring Diagram Listed below

Transfer Switch Wiring Diagram Wiring DiagramTransfer Switch Wiring Diagram Wiring Diagram (wiringdiagram.2bitboer.com)

Wiring Home Generator Transfer SwitchWiring Home Generator Transfer Switch (wiringdiagramall.blogspot.com)

Generator Automatic Transfer Switch Wiring Diagram Wiring DiagramGenerator Automatic Transfer Switch Wiring Diagram Wiring Diagram (annawiringdiagram.com)

Generac Automatic Transfer Switch Wiring Diagram And Generator Rv Generac Automatic Transfer Switch Wiring Diagram And Generator Rv (annawiringdiagram.com)

Generator Transfer Switch Wiring Diagram Lorestan Generator Generator Transfer Switch Wiring Diagram Lorestan Generator (annawiringdiagram.com)

Generator Transfer Switch Wiring Diagram

In conclusion, comprehending and utilizing Generator Transfer Switch Wiring Diagram is an essential skill for anyone working with electrical systems, from novices to seasoned professionals. These diagrams serve as blueprints that illustrate the connections and functions of electrical circuits, making troubleshooting, setup, and servicing far more efficient.

Whether you’re working on a small home lighting system or a complicated industrial setup, a well-drawn Generator Transfer Switch Wiring Diagram can save time, reduce mistakes, and keep things safe.

If you’re new to Generator Transfer Switch Wiring Diagram, start small, explore real-life examples, and don’t hesitate to seek guidance. For pros, staying updated with the latest standards helps you stay ahead.

All in all, Generator Transfer Switch Wiring Diagram are more than just schematic drawings; they are the foundation of electricity. By learning to read and draft them, you equip yourself to work more effectively, more safely, and more accurately in any electrical project.

Thanks for following along, and we hope this article Generator Transfer Switch Wiring Diagram has helped illuminate the power of wiring diagrams.