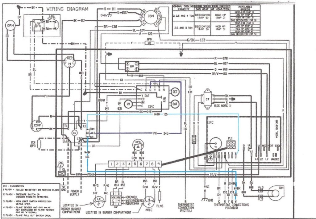
Heat Pump Wiring Diagram

When it comes to installing a heat pump, proper wiring is essential to ensure that the system operates efficiently and safely. A heat pump wiring diagram is a detailed schematic that shows the electrical connections and components of the heat pump system. It is important to follow the wiring diagram carefully to avoid any potential issues with the installation.

Installing a heat pump can be a complex process, but having a clear understanding of the wiring diagram can make the job much easier. The diagram typically includes information on the power supply, thermostat connections, outdoor unit wiring, indoor unit wiring, and any additional components that may be part of the system. Following the diagram step by step will help ensure that the heat pump operates properly and effectively.

Carrier Heat Pump Package Unit Wiring Diagram Wiring Diagram And Carrier Heat Pump Package Unit Wiring Diagram Wiring Diagram And (wiring.hpricorpcom.com)

One of the most important aspects of the wiring diagram is understanding the different wires and their functions. Each wire serves a specific purpose in the heat pump system, such as providing power to the compressor, connecting the thermostat, or controlling the fan motor. It is crucial to correctly identify and connect each wire according to the diagram to avoid any potential electrical issues or malfunctions.

Another key element of the wiring diagram is the color coding of the wires. Different manufacturers may use different color codes for their wiring, so it is important to refer to the specific diagram provided by the manufacturer of your heat pump. Following the correct color-coding will help ensure that the wires are connected correctly and prevent any confusion during the installation process.

In conclusion, a heat pump wiring diagram is an essential tool for installing a heat pump system correctly. By following the diagram carefully and understanding the functions of each wire, you can ensure that your heat pump operates efficiently and safely. If you are unsure about any aspect of the wiring diagram, it is always best to consult a professional HVAC technician for assistance.


Download and Print Heat Pump Wiring Diagram Listed below

Geothermal Heat Pump Wiring Diagram Manual E Books Heatpump Wiring Geothermal Heat Pump Wiring Diagram Manual E Books Heatpump Wiring (annawiringdiagram.com)

Ecobee4 Wiring Diagrams Ecobee Support Heat Pump Wiring Diagram Ecobee4 Wiring Diagrams Ecobee Support Heat Pump Wiring Diagram (2020cadillac.com)

Comfortmaker Heat Pump Wiring DiagramComfortmaker Heat Pump Wiring Diagram (wiringall.com)

York Heat Pump Wiring Diagrams Data Wiring Diagram Schematic Heat York Heat Pump Wiring Diagrams Data Wiring Diagram Schematic Heat (2020cadillac.com)

Heat Pump Wiring Diagram View Wiring Diagrams Thumbs Heat Pump Heat Pump Wiring Diagram View Wiring Diagrams Thumbs Heat Pump (2020cadillac.com)

Heat Pump Wiring Diagram

In conclusion, understanding and working with Heat Pump Wiring Diagram is an important skill for those dealing with electrical setups, from novices to experienced electricians. These diagrams act as blueprints that illustrate the paths and operations of electrical circuits, making troubleshooting, setup, and servicing far more manageable.

If you’re working on a small home lighting system or a complex industrial setup, a well-drawn Heat Pump Wiring Diagram can help avoid delays, reduce mistakes, and keep things safe.

For beginners Heat Pump Wiring Diagram, begin with simple projects, explore real-life examples, and don’t hesitate to seek guidance. For experienced technicians, staying updated with the current practices helps you stay relevant.

In the end, Heat Pump Wiring Diagram are more than just schematic drawings; they are the blueprint of electricity. By learning to read and design them, you equip yourself to work more effectively, more safely, and with precision in any electrical project.

We appreciate your time, and we hope this article Heat Pump Wiring Diagram has shed light on the power of wiring diagrams.