Holley Terminator X Wiring Diagram

When it comes to upgrading your vehicle’s engine management system, the Holley Terminator X is a popular choice among enthusiasts. This advanced system offers a wide range of features and capabilities, but understanding the wiring diagram is essential for a successful installation. In this article, we will delve into the details of the Holley Terminator X wiring diagram to help you navigate the installation process with ease.

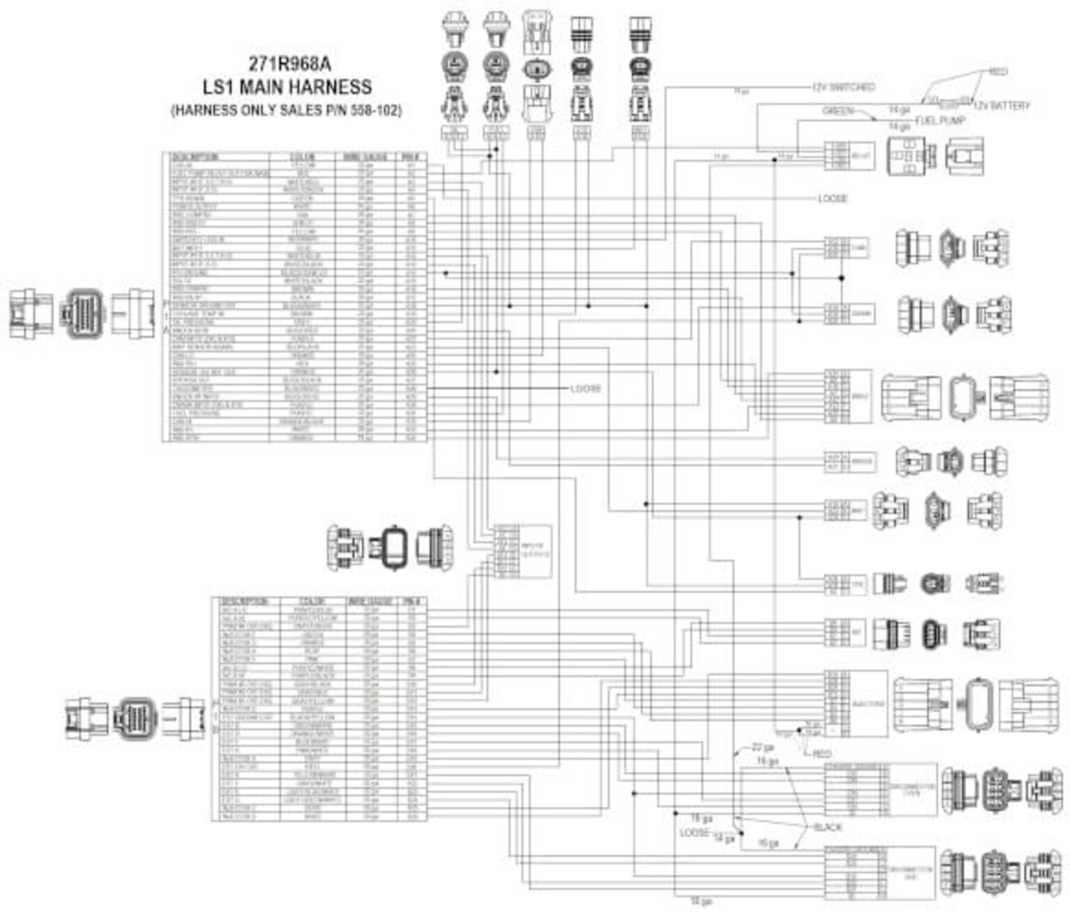
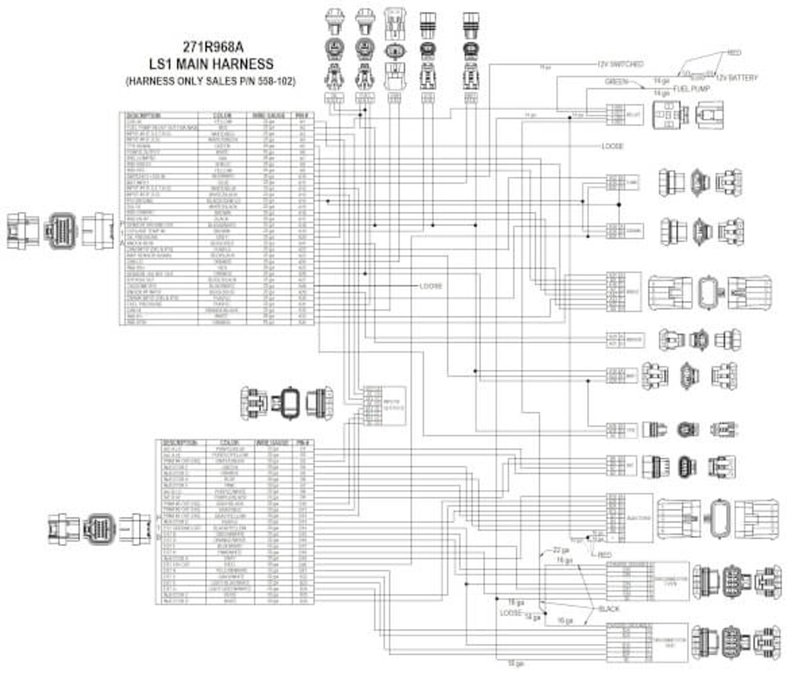
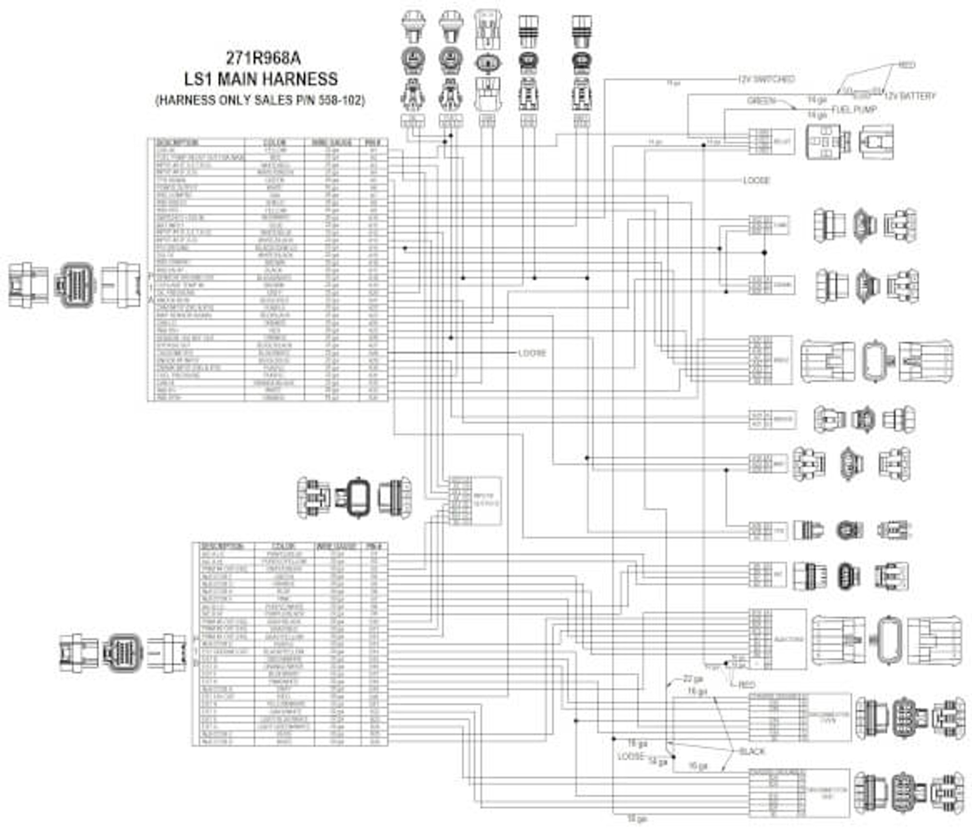
The Holley Terminator X wiring diagram provides a detailed overview of how the various components of the system should be connected to ensure proper functionality. It includes information on wiring harnesses, sensors, connectors, and other essential elements that play a crucial role in the performance of the system. By following the wiring diagram carefully, you can avoid common installation errors and ensure that your Holley Terminator X system operates smoothly.

Holley Terminator X Max Wiring Diagram All You Need To Know Moo WiringHolley Terminator X Max Wiring Diagram All You Need To Know Moo Wiring (moowiring.com)

One of the key components of the wiring diagram is the main harness, which connects the Terminator X system to your vehicle’s engine and other electrical systems. The diagram outlines the specific connections that need to be made, including those for power, ground, ignition, and other essential functions. By following the instructions provided in the wiring diagram, you can easily install the main harness and ensure that all connections are secure and properly configured.

In addition to the main harness, the wiring diagram also includes information on sensor connections, such as those for the throttle position sensor, oxygen sensor, and coolant temperature sensor. These sensors play a critical role in monitoring the engine’s performance and making necessary adjustments to optimize fuel delivery and ignition timing. By following the wiring diagram, you can ensure that these sensors are correctly connected and calibrated for optimal performance.

Furthermore, the wiring diagram provides guidance on connecting the Terminator X system to other electronic components, such as the ignition system, fuel injectors, and data logging devices. By following the recommended wiring configurations, you can establish seamless communication between the various components of your vehicle’s engine management system and ensure that everything operates harmoniously.

In conclusion, understanding the Holley Terminator X wiring diagram is crucial for a successful installation and optimal performance of your vehicle’s engine management system. By carefully following the instructions provided in the diagram, you can avoid common pitfalls and ensure that all connections are secure and properly configured. With the right knowledge and attention to detail, you can harness the full potential of your Holley Terminator X system and enjoy enhanced performance and efficiency.


Download and Print Holley Terminator X Wiring Diagram Listed below

Holley Terminator X Wiring Diagram Ls3Holley Terminator X Wiring Diagram Ls3 (axiom-northwest.com)

Holley Terminator X Wiring Diagram LsHolley Terminator X Wiring Diagram Ls (scheme360.net)

Holley Terminator X Wiring Diagram HeadcontrolsystemHolley Terminator X Wiring Diagram Headcontrolsystem (headcontrolsystem.com)

Holley Terminator X Wiring Diagram HeadcontrolsystemHolley Terminator X Wiring Diagram Headcontrolsystem (headcontrolsystem.com)

Holley Terminator Wiring Diagram IOT Wiring DiagramHolley Terminator Wiring Diagram IOT Wiring Diagram (www.176iot.com)

Holley Terminator X Wiring Diagram

To wrap things up, understanding and utilizing Holley Terminator X Wiring Diagram is an essential skill for anyone involved in electrical work, from novices to experienced electricians. These diagrams function as blueprints that illustrate the connections and functions of electrical circuits, making diagnosing problems, setup, and servicing far more efficient.

When you’re working on a basic home lighting system or a complex industrial setup, a well-drawn Holley Terminator X Wiring Diagram can save time, prevent errors, and keep things safe.

For beginners Holley Terminator X Wiring Diagram, start small, examine real-life examples, and don’t hesitate to ask for advice. For skilled workers, staying updated with the current practices helps you stay competitive.

Ultimately, Holley Terminator X Wiring Diagram are more than just schematic drawings; they are the language of electricity. By being able to interpret and draft them, you empower yourself to work smarter, safer, and with precision in any electrical project.

We appreciate your time, and we hope this article Holley Terminator X Wiring Diagram has shed light on the value of wiring diagrams.