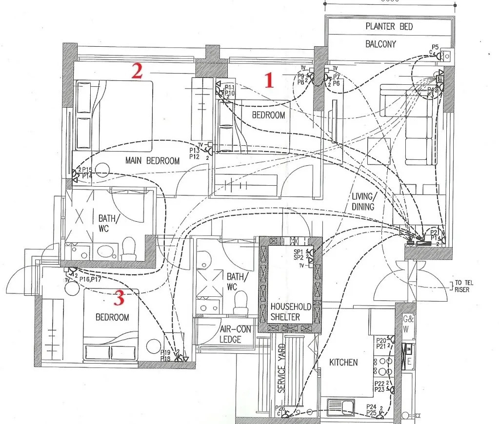
Home Electrical Wiring Diagrams

Home electrical wiring diagrams are essential for understanding how the electrical systems in your home work. Whether you are building a new home or doing renovations, having a clear understanding of the wiring is crucial for safety and efficiency.

By using electrical wiring diagrams, homeowners can visualize the layout of their electrical systems and easily identify any potential issues or areas for improvement. These diagrams provide a detailed map of the electrical connections throughout the home, making it easier to troubleshoot problems and make upgrades.

Home Electrical Wiring Diagram Wiring Diagram And SchematicsHome Electrical Wiring Diagram Wiring Diagram And Schematics (www.caretxdigital.com)

Understanding Your Electrical Wiring Diagram

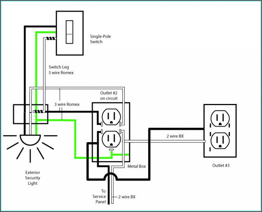
When looking at a home electrical wiring diagram, it’s important to understand the symbols and terminology used. Common elements include circuit breakers, outlets, switches, and wires of different colors representing different functions. By familiarizing yourself with these symbols, you can easily follow the flow of electricity throughout your home.

One key aspect of electrical wiring diagrams is the identification of circuits and how they are connected to different areas of the home. This information is crucial for ensuring that all devices and appliances receive the correct voltage and amperage to function properly.

Additionally, electrical wiring diagrams can help you plan for future upgrades or additions to your home’s electrical system. By mapping out the existing wiring, you can identify areas where additional outlets or lighting fixtures can be added without overloading the circuits.

Overall, home electrical wiring diagrams are a valuable tool for homeowners looking to understand and maintain their electrical systems. By studying these diagrams and seeking professional help when needed, you can ensure the safety and efficiency of your home’s electrical wiring.

In conclusion, home electrical wiring diagrams are essential for homeowners to understand the layout and connections of their electrical systems. By using these diagrams, you can troubleshoot issues, plan for upgrades, and ensure the safety of your home. If you are unsure about any aspect of your electrical wiring, it’s always best to consult with a professional electrician for guidance.


Download and Print Home Electrical Wiring Diagrams Listed below

Electrical Symbols And Line Diagrams Chapter 3 Wiring DiagraElectrical Symbols And Line Diagrams Chapter 3 Wiring Diagra (naviladz9wiring.z14.web.core.windows.net)

 DIAGRAM Printable Basic Electrical Wiring Diagrams Garage MYDIAGRAM DIAGRAM Printable Basic Electrical Wiring Diagrams Garage MYDIAGRAM (mydiagram.online)

Understanding Single Wide Mobile Home Electrical Wiring Diagrams Understanding Single Wide Mobile Home Electrical Wiring Diagrams (wiregram.homyracks.com)

Electrical Wiring Diagram House Wiring Electrical House Diagram Outlets Electrical Wiring Diagram House Wiring Electrical House Diagram Outlets (www.wiringname.com)

Mobile Home Wiring DiagramsMobile Home Wiring Diagrams (wiringdiagrm.netlify.app)

Home Electrical Wiring Diagrams

In conclusion, comprehending and utilizing Home Electrical Wiring Diagrams is an important skill for anyone working with electrical systems, from newcomers to seasoned professionals. These diagrams function as blueprints that map out the layouts and roles of electrical circuits, making fault-finding, installation, and maintenance far more straightforward.

When you’re working on a basic home lighting system or a large-scale industrial setup, a well-drawn Home Electrical Wiring Diagrams can save time, reduce mistakes, and ensure safety.

For beginners Home Electrical Wiring Diagrams, start small, study real-life examples, and don’t hesitate to seek guidance. For skilled workers, staying updated with the latest standards helps you stay relevant.

Ultimately, Home Electrical Wiring Diagrams are more than just schematic drawings; they are the foundation of electricity. By mastering and draft them, you empower yourself to work more effectively, more safely, and with precision in any electrical project.

Thank you for reading, and we hope this article Home Electrical Wiring Diagrams has helped illuminate the value of wiring diagrams.