Hot Tub Wiring Diagram

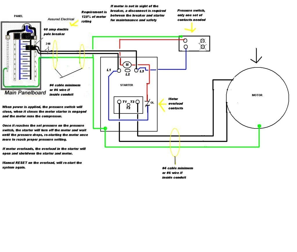
When it comes to installing a hot tub, proper wiring is essential to ensure safety and functionality. A hot tub wiring diagram is a detailed schematic that shows how the electrical components of the hot tub should be connected. This diagram is crucial for electricians and homeowners alike to understand the wiring requirements and ensure that the hot tub operates correctly.

Before beginning the installation process, it is important to consult the manufacturer’s guidelines and local building codes to ensure compliance. Improper wiring can not only lead to malfunctioning of the hot tub but also pose a serious safety hazard. It is recommended to hire a licensed electrician to handle the wiring installation to avoid any potential risks.

Nordic Hot Tub Wiring DiagramNordic Hot Tub Wiring Diagram (stewart-switch.com)

Typically, a hot tub wiring diagram will include details such as the size and type of wire to be used, the location of the disconnect switch, the placement of the GFCI breaker, and the connection of the control panel. It is crucial to follow these guidelines precisely to prevent any electrical issues in the future.

One of the key components of the hot tub wiring diagram is the GFCI breaker, which is designed to protect against electric shock. This breaker should be installed near the hot tub and should be tested regularly to ensure it is functioning correctly. Additionally, all wiring should be properly insulated and secured to prevent any accidents.

Another important aspect of the hot tub wiring diagram is the grounding system. The hot tub should be grounded to prevent electrical shocks and ensure the safety of the users. This grounding wire should be connected to the metal frame of the hot tub and securely attached to a grounding rod buried in the ground.

In conclusion, a hot tub wiring diagram is an essential tool for ensuring the safe and proper installation of a hot tub. By following the guidelines outlined in the diagram and consulting with a licensed electrician, homeowners can enjoy their hot tub without any concerns about electrical issues. Safety should always be the top priority when it comes to hot tub installation, and a well-executed wiring diagram is a crucial step in achieving that.


Download and Print Hot Tub Wiring Diagram Listed below

Hot Tub Wiring Diagram 60 Amp Wiring Diagram 220V Hot Tub Wiring Hot Tub Wiring Diagram 60 Amp Wiring Diagram 220V Hot Tub Wiring (2020cadillac.com)

Wiring Diagram For Hot TubWiring Diagram For Hot Tub (www.chanish.org)

Spa Wiring Diagram Best Wiring Library Hot Tub Wiring Diagram Spa Wiring Diagram Best Wiring Library Hot Tub Wiring Diagram (annawiringdiagram.com)

4 Wire Hot Tub Wiring Diagram Wiring Diagram Hot Tub Wiring Diagram 4 Wire Hot Tub Wiring Diagram Wiring Diagram Hot Tub Wiring Diagram (2020cadillac.com)

Hot Tub Wiring Diagram Wiring DiagramHot Tub Wiring Diagram Wiring Diagram (annawiringdiagram.com)

Hot Tub Wiring Diagram

In conclusion, comprehending and using Hot Tub Wiring Diagram is an essential skill for anyone involved in electrical work, from newcomers to experienced electricians. These diagrams act as blueprints that illustrate the layouts and roles of electrical circuits, making troubleshooting, setup, and servicing far more manageable.

When you’re working on a simple home lighting system or a complex industrial setup, a well-drawn Hot Tub Wiring Diagram can help avoid delays, reduce mistakes, and ensure safety.

For beginners Hot Tub Wiring Diagram, begin with simple projects, explore real-life examples, and don’t hesitate to get help. For skilled workers, staying updated with the newest regulations helps you stay ahead.

In the end, Hot Tub Wiring Diagram are more than just technical illustrations; they are the blueprint of electricity. By learning to read and design them, you gain the ability to work smarter, safer, and more accurately in any electrical project.

Thank you for reading, and we hope this article Hot Tub Wiring Diagram has helped illuminate the power of wiring diagrams.