House Electrical Wiring Diagram

House electrical wiring diagram is a detailed schematic representation of the various electrical connections and components within a house. It provides a visual guide for electricians and homeowners to understand how the electrical system is structured and how each component is connected.

Having a clear and accurate electrical wiring diagram is crucial for ensuring a safe and efficient electrical system in a house. It helps prevent potential hazards such as electrical fires and ensures that all electrical appliances and devices function properly.

House Wiring Diagram Philippines Easy WiringHouse Wiring Diagram Philippines Easy Wiring (easywiring.info)

Components of House Electrical Wiring Diagram

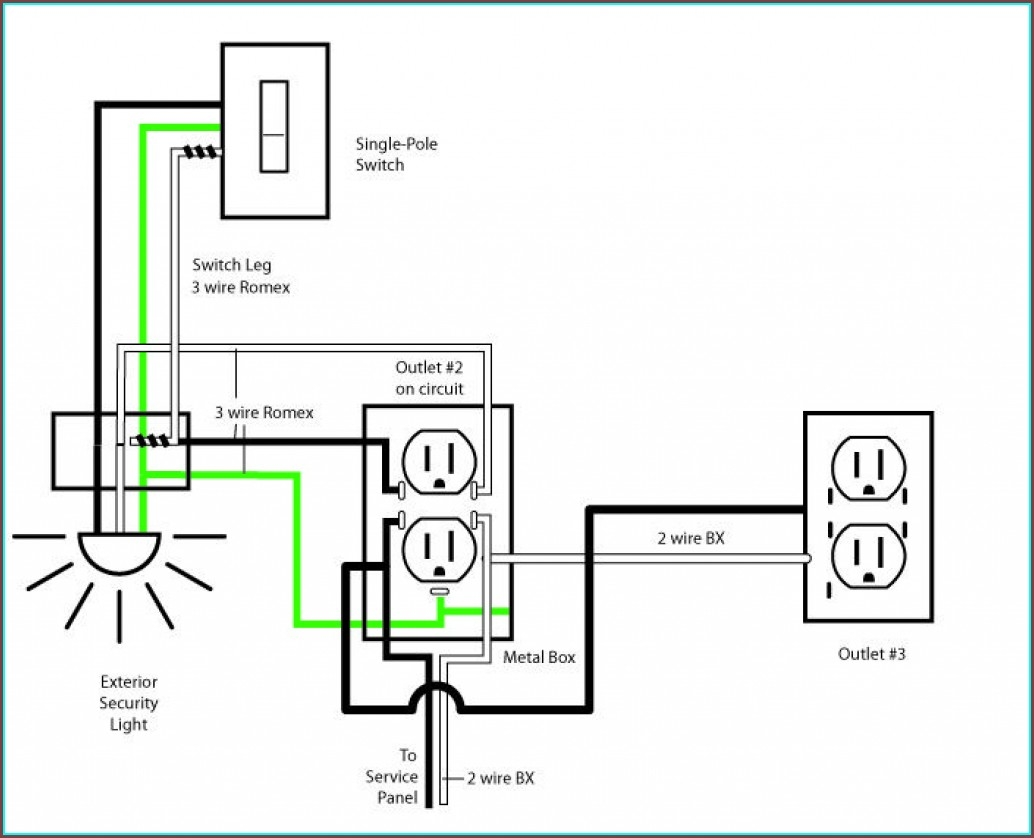
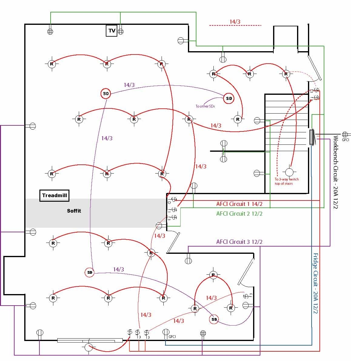
The house electrical wiring diagram typically includes components such as the main electrical panel, circuit breakers, outlets, switches, light fixtures, and wiring connections. Each component is represented with symbols and labels to indicate its function and connection to other components.

The main electrical panel is the central hub of the electrical system, where electricity is distributed to different circuits throughout the house. Circuit breakers protect the electrical system from overloads and short circuits by automatically shutting off power to a circuit when necessary.

Outlets and switches are connected to the wiring system to provide power to electrical devices and control the flow of electricity. Light fixtures are also included in the diagram to show how they are connected to the electrical system and powered on and off.

Wiring connections indicate how electrical wires are routed throughout the house to connect different components and create circuits. Properly organized and labeled wiring connections are essential for troubleshooting and maintenance of the electrical system.

Overall, a well-designed house electrical wiring diagram is essential for ensuring a safe and functional electrical system in a house. It provides a visual reference for understanding the electrical connections and components, making it easier to install, repair, and maintain the electrical system.


Download and Print House Electrical Wiring Diagram Listed below

House Wiring Diagram Philippines Easy WiringHouse Wiring Diagram Philippines Easy Wiring (easywiring.info)

3 Room Electrical Wiring Diagram Full House Wiring3 Room Electrical Wiring Diagram Full House Wiring (www.pinterest.com)

Basic House Wiring Diagram Wiring DiagramBasic House Wiring Diagram Wiring Diagram (annawiringdiagram.com)

Simple House Wiring Diagram Exles InfoupdateSimple House Wiring Diagram Exles Infoupdate (infoupdate.org)

Electrical Wiring Diagram House Wiring Electrical House Diagram Outlets Electrical Wiring Diagram House Wiring Electrical House Diagram Outlets (www.wiringname.com)

House Electrical Wiring Diagram

In conclusion, understanding and using House Electrical Wiring Diagram is an important skill for those dealing with electrical setups, from beginners to veteran technicians. These diagrams act as blueprints that illustrate the layouts and roles of electrical circuits, making fault-finding, installation, and servicing far more efficient.

Whether you’re working on a basic home lighting system or a complicated industrial setup, a well-drawn House Electrical Wiring Diagram can help avoid delays, prevent errors, and improve security.

For beginners House Electrical Wiring Diagram, begin with simple projects, explore real-life examples, and don’t hesitate to seek guidance. For skilled workers, staying updated with the latest standards helps you stay ahead.

Ultimately, House Electrical Wiring Diagram are more than just technical illustrations; they are the language of electricity. By mastering and design them, you empower yourself to work smarter, more safely, and more accurately in any electrical project.

Thanks for following along, and we hope this article House Electrical Wiring Diagram has given insight into the importance of wiring diagrams.