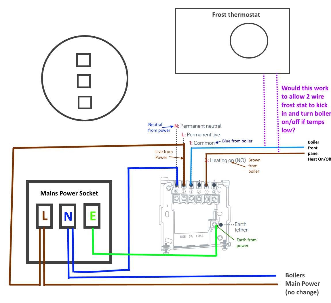
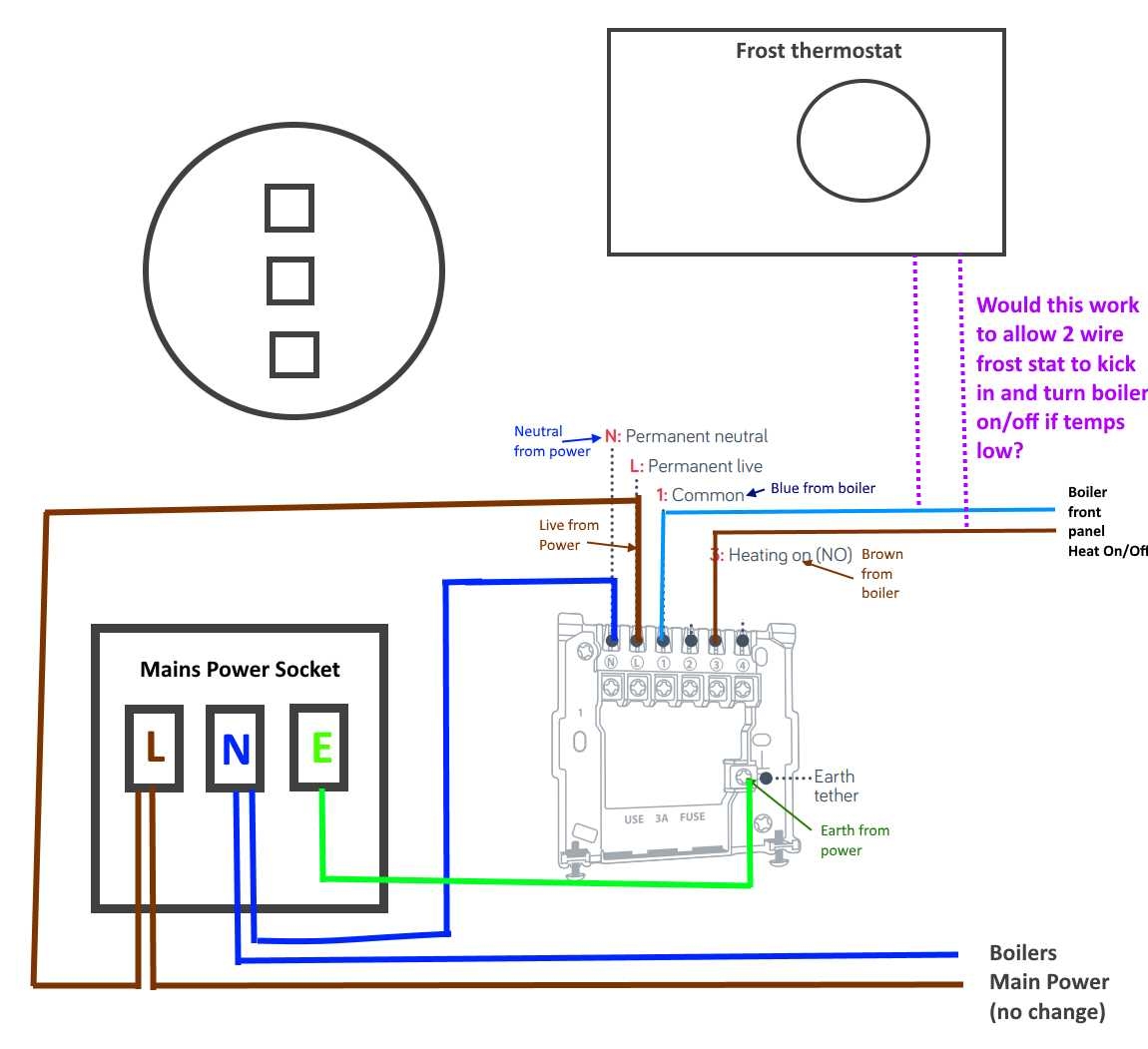
Nest Thermostat Wiring Diagram

Installing a Nest thermostat is a great way to improve energy efficiency in your home and have more control over your heating and cooling systems. However, figuring out the wiring for your Nest thermostat can be a bit tricky if you’re not familiar with HVAC systems.

Before you start installing your Nest thermostat, it’s important to understand the wiring diagram specific to your HVAC system. The wiring diagram will show you how to properly connect the wires from your HVAC system to the Nest thermostat to ensure it functions correctly.

How To Properly Wire Your Nest Thermostat A 4 Wire Diagram GuideHow To Properly Wire Your Nest Thermostat A 4 Wire Diagram Guide (resolutionsforyou.com)

When looking at the wiring diagram for your Nest thermostat, you’ll typically see labels such as Rh, Rc, W, Y, G, C, etc. These labels correspond to the different wires coming from your HVAC system. Each wire has a specific function, such as providing power, controlling the heating system, or activating the cooling system.

It’s important to follow the Nest thermostat wiring diagram carefully to avoid damaging your HVAC system or the thermostat itself. If you’re unsure about how to proceed, it’s best to consult a professional HVAC technician who can help you with the installation process.

Once you’ve successfully connected the wires according to the Nest thermostat wiring diagram, you can proceed with setting up your thermostat and configuring it to your desired settings. With a properly installed Nest thermostat, you can enjoy the convenience of remote temperature control, energy savings, and a more comfortable home environment.

In conclusion, understanding the Nest thermostat wiring diagram is crucial for a successful installation process. By following the diagram and connecting the wires correctly, you can ensure that your Nest thermostat functions properly and optimizes the efficiency of your HVAC system. If you encounter any difficulties during the installation, don’t hesitate to seek help from a professional to avoid any potential issues.


Download and Print Nest Thermostat Wiring Diagram Listed below

Nest Thermostat Wiring Diagram The Craftsman BlogNest Thermostat Wiring Diagram The Craftsman Blog (thecraftsmanblog.com)

Nest Thermostat Wiring Diagram For Combi Boiler Wiring Diagram And Nest Thermostat Wiring Diagram For Combi Boiler Wiring Diagram And (www.caretxdigital.com)

Wiring A Nest Thermostat A Comprehensive Guide Moo WiringWiring A Nest Thermostat A Comprehensive Guide Moo Wiring (moowiring.com)

Nest Thermostat Wiring Diagram Cadician 39 s BlogNest Thermostat Wiring Diagram Cadician 39 S Blog (2020cadillac.com)

Wiring Diagram For Nest Thermostat Wiring DiagramWiring Diagram For Nest Thermostat Wiring Diagram (annawiringdiagram.com)

Nest Thermostat Wiring Diagram

To sum up, comprehending and working with Nest Thermostat Wiring Diagram is an essential skill for anyone involved in electrical work, from novices to veteran technicians. These diagrams serve as blueprints that show the paths and operations of electrical circuits, making diagnosing problems, installation, and servicing far more straightforward.

When you’re working on a small home lighting system or a large-scale industrial setup, a well-drawn Nest Thermostat Wiring Diagram can help avoid delays, prevent errors, and ensure safety.

For beginners Nest Thermostat Wiring Diagram, begin with simple projects, study real-life examples, and don’t hesitate to get help. For skilled workers, staying updated with the latest standards helps you stay relevant.

Ultimately, Nest Thermostat Wiring Diagram are more than just technical illustrations; they are the language of electricity. By being able to interpret and design them, you equip yourself to work smarter, more safely, and with precision in any electrical project.

We appreciate your time, and we hope this article Nest Thermostat Wiring Diagram has given insight into the importance of wiring diagrams.