Reliance Transfer Switch Internal Wiring Diagram

Reliance transfer switches are an essential component for safely switching between utility power and generator power during a power outage. These switches ensure that your home or business is powered by the generator when the main power source fails. Understanding the internal wiring diagram of a reliance transfer switch is crucial for proper installation and maintenance.

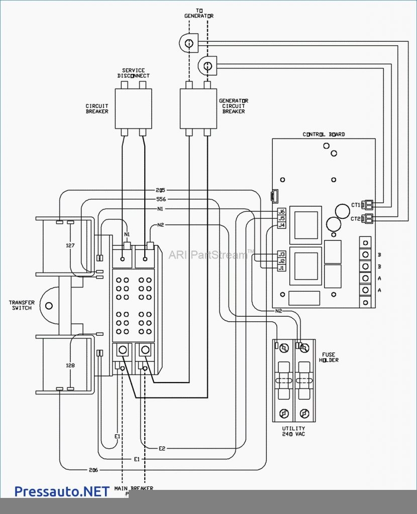
It is important to follow the correct wiring diagram provided by the manufacturer to avoid any electrical hazards. The internal wiring diagram of a reliance transfer switch typically includes details on how to connect the utility power, generator power, and load circuits. This diagram helps electricians and homeowners understand the connections and ensure that the switch operates safely and efficiently.

Reliance Transfer Switch Wiring DiagramReliance Transfer Switch Wiring Diagram (stewart-switch.com)

When looking at the internal wiring diagram of a reliance transfer switch, you will see different terminals labeled for specific connections. These terminals may include line, load, neutral, ground, and control terminals. Each terminal serves a unique purpose in the transfer switch system, and it is essential to connect the wires correctly to prevent any malfunctions.

One common configuration in a reliance transfer switch is the six-circuit switch, which allows you to select up to six circuits to be powered by the generator. The internal wiring diagram for this type of switch will show how each circuit is connected to the switch and how the switch transfers power between the utility and generator sources. Understanding this diagram is crucial for proper operation and maintenance of the transfer switch.

Before attempting to wire a reliance transfer switch, it is recommended to consult a professional electrician to ensure that the installation is done correctly. Improper wiring can lead to electrical fires or damage to your generator or home electrical system. By following the manufacturer’s wiring diagram and guidelines, you can safely and effectively use a reliance transfer switch to power your home or business during a power outage.

In conclusion, the internal wiring diagram of a reliance transfer switch is a crucial tool for understanding how the switch operates and how to properly connect it to your electrical system. By following the wiring diagram provided by the manufacturer and seeking professional help when needed, you can ensure that your reliance transfer switch functions safely and effectively during emergencies.


Download and Print Reliance Transfer Switch Internal Wiring Diagram Listed below

Reliance Transfer Switch Internal Wiring GuideReliance Transfer Switch Internal Wiring Guide (schempro.com)

Wiring Diagram For Reliance Transfer Switch Wiring Diagram Online Wiring Diagram For Reliance Transfer Switch Wiring Diagram Online (2020cadillac.com)

Reliance Transfer Switch Internal Wiring GuideReliance Transfer Switch Internal Wiring Guide (schempro.com)

Reliance Transfer Switch Internal Wiring GuideReliance Transfer Switch Internal Wiring Guide (schempro.com)

Reliance Transfer Switch Internal Wiring GuideReliance Transfer Switch Internal Wiring Guide (schempro.com)

Reliance Transfer Switch Internal Wiring Diagram

To wrap things up, understanding and using Reliance Transfer Switch Internal Wiring Diagram is an vital skill for those dealing with electrical setups, from beginners to veteran technicians. These diagrams function as blueprints that show the connections and functions of electrical circuits, making troubleshooting, setup, and maintenance far more efficient.

Whether you’re working on a small home lighting system or a complicated industrial setup, a well-drawn Reliance Transfer Switch Internal Wiring Diagram can save time, prevent errors, and ensure safety.

If you’re new to Reliance Transfer Switch Internal Wiring Diagram, begin with simple projects, study real-life examples, and don’t hesitate to seek guidance. For pros, staying updated with the latest standards helps you stay relevant.

Ultimately, Reliance Transfer Switch Internal Wiring Diagram are more than just technical illustrations; they are the blueprint of electricity. By mastering and design them, you gain the ability to work more effectively, more safely, and more accurately in any electrical project.

Thanks for following along, and we hope this article Reliance Transfer Switch Internal Wiring Diagram has given insight into the importance of wiring diagrams.