When it comes to RVs, having a good understanding of the electrical system is crucial. Whether you’re looking to troubleshoot an issue or plan an upgrade, having access to a reliable wiring diagram can make all the difference. In this article, we’ll take a closer look at RV wiring diagrams and why they are essential for any RV owner.
An RV wiring diagram is a visual representation of the electrical system in your RV. It shows how all the components are connected and allows you to easily identify wires, fuses, and other important elements. Having a wiring diagram on hand can help you diagnose electrical problems, plan modifications, or simply understand how your RV’s electrical system works.
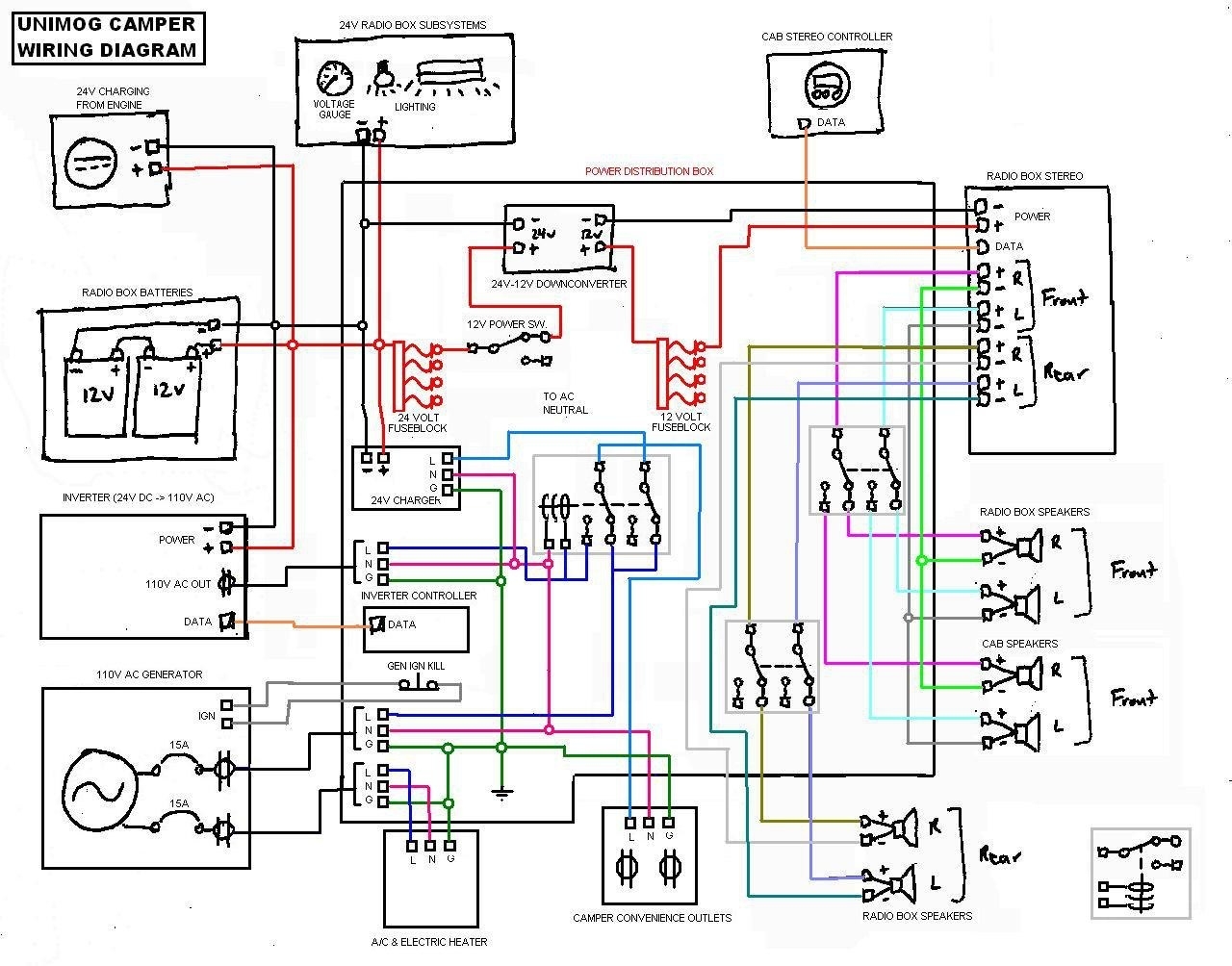
Wiring Rv Camper Wiring Diagrams Hubs Rv Trailer Wiring Diagram (2020cadillac.com)
One of the key components of an RV wiring diagram is the distribution panel, which is essentially the hub of your RV’s electrical system. This panel distributes power to different circuits throughout the RV, ensuring that each component receives the right amount of electricity. A wiring diagram will show you how the distribution panel is connected to various appliances, outlets, and other electrical components in your RV.
In addition to the distribution panel, an RV wiring diagram will also show you the layout of the wiring throughout your RV. This includes the routing of wires, the location of fuses and circuit breakers, and the connections between different components. By following the wiring diagram, you can easily trace electrical issues back to their source and make any necessary repairs or upgrades.
Finally, a wiring diagram can also be a valuable tool for planning upgrades or modifications to your RV’s electrical system. Whether you’re adding solar panels, upgrading your batteries, or installing a new inverter, having a clear understanding of your RV’s wiring layout can help you make informed decisions and ensure that your upgrades are installed correctly.
Overall, having a reliable RV wiring diagram is essential for any RV owner. Whether you’re a seasoned RVer or just starting out, understanding your RV’s electrical system is crucial for staying safe on the road and enjoying all the comforts of home. With a good wiring diagram in hand, you can troubleshoot issues, plan upgrades, and ensure that your RV’s electrical system is in top-notch condition.