Simple Wiring Diagram

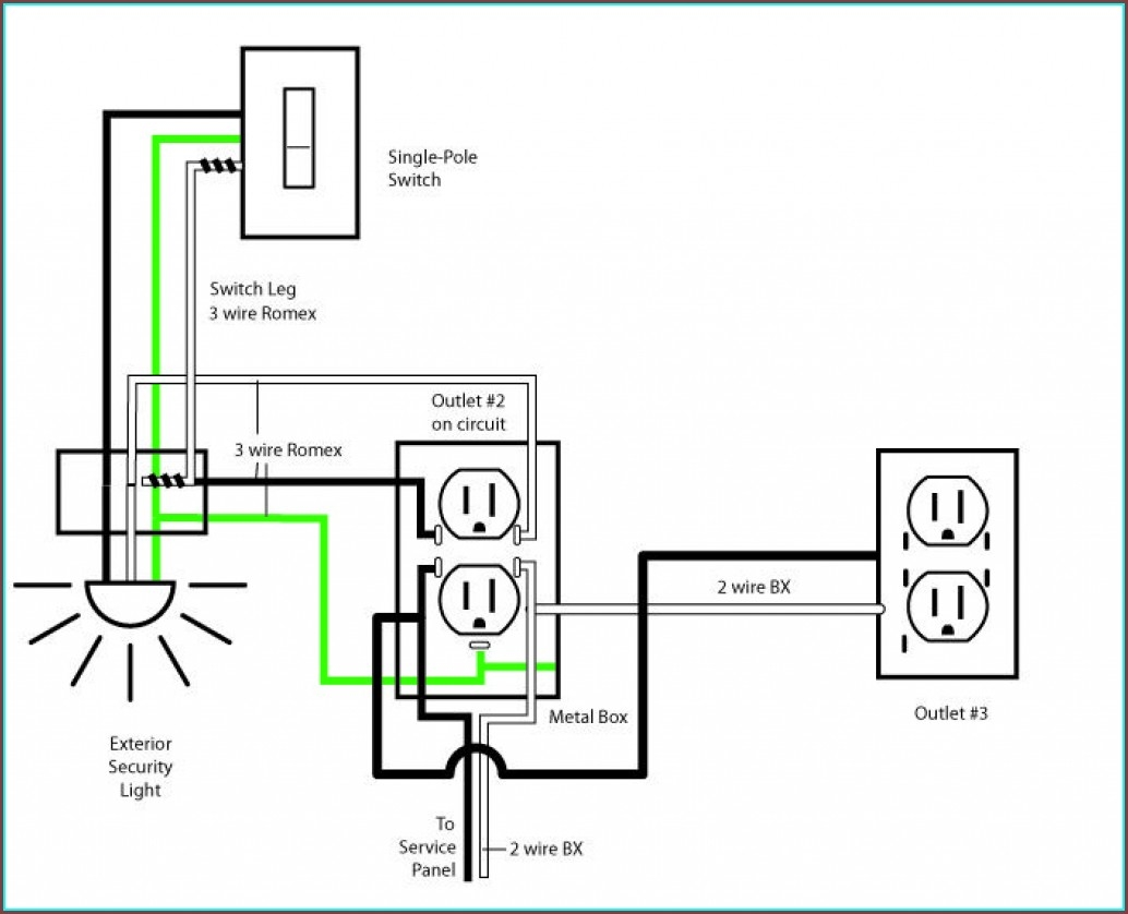
Wiring diagrams are essential tools for understanding how electrical systems work. They provide a visual representation of the connections between various components in a circuit. A simple wiring diagram is a basic illustration that shows the layout of wires and components in a straightforward manner.

Whether you are a beginner or an experienced electrician, having a simple wiring diagram can make troubleshooting and installation tasks much easier. By following the lines and symbols on the diagram, you can quickly identify where the problem lies or how to connect new components.

Electrical Wiring Diagram House Wiring Electrical House Diagram Outlets Electrical Wiring Diagram House Wiring Electrical House Diagram Outlets (www.wiringname.com)

One of the key components of a simple wiring diagram is the use of standardized symbols to represent different electrical devices. These symbols make it easy to understand the connections between components without having to decipher complex drawings.

Another important aspect of a simple wiring diagram is the clear labeling of wires and terminals. This helps prevent confusion and ensures that you are making the right connections. It is crucial to follow the diagram precisely to avoid causing damage to the electrical system.

In addition to being useful for troubleshooting and installation, simple wiring diagrams are also valuable for planning new projects. By sketching out a diagram before starting work, you can ensure that all components are properly connected and that the circuit will function as intended.

Overall, a simple wiring diagram is an indispensable tool for anyone working with electrical systems. Whether you are a DIY enthusiast or a professional electrician, having a clear and concise diagram can save time and prevent costly mistakes.


Download and Print Simple Wiring Diagram Listed below

Simple Wiring Diagram Vw Dune BuggySimple Wiring Diagram Vw Dune Buggy (diagramweb.net)

Cb350 Twin Simple Wiring DiagramCb350 Twin Simple Wiring Diagram (diagramweb.net)

Simple Car Wiring Diagram Car Audio Wiring Diagrams Boss Wiring Simple Car Wiring Diagram Car Audio Wiring Diagrams Boss Wiring (www.wiringname.com)

Hondachopper GarageHondachopper Garage (www.hondachopper.com)

Simple House Wiring Diagram Exles InfoupdateSimple House Wiring Diagram Exles Infoupdate (infoupdate.org)

Simple Wiring Diagram

To wrap things up, grasping and working with Simple Wiring Diagram is an essential skill for those dealing with electrical setups, from novices to seasoned professionals. These diagrams act as blueprints that show the paths and operations of electrical circuits, making troubleshooting, installation, and maintenance far more manageable.

If you’re working on a simple home lighting system or a complicated industrial setup, a well-drawn Simple Wiring Diagram can save time, reduce mistakes, and improve security.

For beginners Simple Wiring Diagram, start small, study real-life examples, and don’t hesitate to seek guidance. For experienced technicians, staying updated with the latest standards helps you stay relevant.

All in all, Simple Wiring Diagram are more than just technical illustrations; they are the blueprint of electricity. By being able to interpret and design them, you equip yourself to work smarter, safer, and with precision in any electrical project.

Thank you for reading, and we hope this article Simple Wiring Diagram has given insight into the importance of wiring diagrams.