Solar Array Wiring Diagram

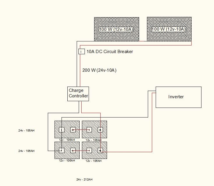
When it comes to setting up a solar power system, one of the most crucial components is the wiring diagram. A solar array wiring diagram is a detailed layout that shows the connection of solar panels, inverters, batteries, and other electrical components in a solar power system. This diagram is essential for ensuring the proper functioning and safety of the system.

Proper wiring of a solar array is important to ensure efficient energy production and prevent any electrical hazards. With the right wiring diagram, you can easily connect all the components of your solar power system in a safe and organized manner.

Solar Wiring Diagram For RvSolar Wiring Diagram For Rv (www.chanish.org)

Solar Array Wiring Diagram

The solar array wiring diagram typically includes the layout of solar panels, the positioning of inverters, charge controllers, batteries, and other electrical components. It also shows the wiring connections between these components, including the size and type of wires to be used.

One of the key considerations in a solar array wiring diagram is the voltage drop. Voltage drop can reduce the efficiency of your solar power system, so it’s important to calculate the right wire size and length to minimize voltage drop and ensure optimal performance.

Another important aspect of a solar array wiring diagram is the grounding system. Proper grounding is crucial for the safety of the system and the protection of electrical components from voltage surges and lightning strikes. The wiring diagram should clearly show the grounding connections for all components.

It’s also essential to follow local building codes and regulations when designing the wiring diagram for your solar power system. These codes are in place to ensure the safety and reliability of the system, so make sure to consult with a professional electrician or solar installer to ensure compliance with all requirements.

In conclusion, a solar array wiring diagram is a crucial element in the design and installation of a solar power system. With the right diagram, you can ensure proper wiring connections, minimize voltage drop, and comply with safety regulations. By following a well-designed wiring diagram, you can set up a reliable and efficient solar power system for your home or business.


Download and Print Solar Array Wiring Diagram Listed below

Wiring Diagram For Solar PanelsWiring Diagram For Solar Panels (www.chanish.org)

 DIAGRAM For Solar Panel Array Wiring Diagram MYDIAGRAM ONLINEDIAGRAM For Solar Panel Array Wiring Diagram MYDIAGRAM ONLINE (mydiagram.online)

Pv Array Wiring Diagram Wiring DiagramPv Array Wiring Diagram Wiring Diagram (wiringdiagram.2bitboer.com)

Solar Panel Array Wiring Diagram Wiring Diagram And SchematicSolar Panel Array Wiring Diagram Wiring Diagram And Schematic (wiring.hpricorpcom.com)

Solar Array Wiring Diagram Solar Diagram Wiring Photovoltaic Panels Solar Array Wiring Diagram Solar Diagram Wiring Photovoltaic Panels (www.wiringname.com)

Solar Array Wiring Diagram

In conclusion, comprehending and working with Solar Array Wiring Diagram is an important skill for anyone working with electrical systems, from novices to seasoned professionals. These diagrams serve as blueprints that show the paths and operations of electrical circuits, making troubleshooting, setup, and maintenance far more straightforward.

Whether you’re working on a simple home lighting system or a complicated industrial setup, a well-drawn Solar Array Wiring Diagram can help avoid delays, reduce mistakes, and keep things safe.

If you’re new to Solar Array Wiring Diagram, start small, study real-life examples, and don’t hesitate to get help. For pros, staying updated with the newest regulations helps you stay ahead.

All in all, Solar Array Wiring Diagram are more than just schematic drawings; they are the language of electricity. By being able to interpret and design them, you equip yourself to work more effectively, more safely, and more accurately in any electrical project.

Thank you for reading, and we hope this article Solar Array Wiring Diagram has given insight into the value of wiring diagrams.