Trailer Brake Wiring Diagram

When it comes to towing a trailer, safety should always be a top priority. One essential component of a trailer’s braking system is the brake wiring. Properly wiring the brakes ensures that they function correctly and can help prevent accidents on the road.

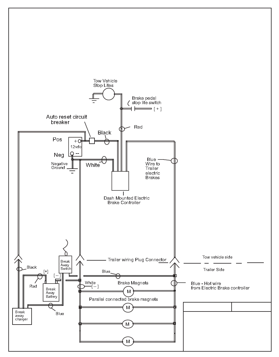
Trailer brake wiring is a crucial part of the towing process. It connects the brake controller to the trailer’s electric brakes, allowing the driver to control the trailer’s braking system from inside the vehicle. Understanding the wiring diagram is essential for proper installation and maintenance of the brakes.

Ford F 250 Trailer Plug Wiring Diagram 7 Pin Wiring Diagrams Hubs Ford F 250 Trailer Plug Wiring Diagram 7 Pin Wiring Diagrams Hubs (2020cadillac.com)

There are several key components to a trailer brake wiring diagram. These include the brake controller, the brake switch, the brake magnets, the ground wire, and the power wire. Each component plays a vital role in ensuring that the trailer’s brakes operate effectively and safely.

It is important to follow the wiring diagram carefully when installing or repairing trailer brake wiring. Incorrect wiring can lead to brake failure, which can be dangerous for both the driver and other motorists on the road. If you are unsure about how to wire the brakes, it is best to seek professional help to ensure the job is done correctly.

Regular maintenance of the trailer brake wiring is also important to ensure that the brakes continue to function properly. Inspecting the wiring for any signs of wear or damage and promptly addressing any issues can help prevent brake failure while on the road. Keeping the wiring clean and free of corrosion is also essential for optimal brake performance.

In conclusion, understanding and properly wiring the brakes on a trailer is crucial for safe towing. Following the wiring diagram and performing regular maintenance can help ensure that the brakes function effectively and help prevent accidents on the road. If you are unsure about how to wire the brakes, it is always best to seek professional assistance to ensure the job is done correctly.


Download and Print Trailer Brake Wiring Diagram Listed below

Ford Trailer Brake Controller Wiring Diagram Wiring DiagramFord Trailer Brake Controller Wiring Diagram Wiring Diagram (www.autowiringdiagram.net)

Tandem Trailer Brake Wiring Diagram Wiring DiagramTandem Trailer Brake Wiring Diagram Wiring Diagram (www.autowiringdiagram.net)

Tandem Trailer Brake Wiring Diagram Wiring DiagramTandem Trailer Brake Wiring Diagram Wiring Diagram (www.autowiringdiagram.net)

Travel Trailer Brake Wiring DiagramTravel Trailer Brake Wiring Diagram (stewart-switch.com)

Tekonsha P3 Prodigy Caravan Trailer Electric Brake Controller Bonus Tekonsha P3 Prodigy Caravan Trailer Electric Brake Controller Bonus (annawiringdiagram.com)

Trailer Brake Wiring Diagram

To wrap things up, understanding and utilizing Trailer Brake Wiring Diagram is an essential skill for those dealing with electrical setups, from newcomers to veteran technicians. These diagrams serve as blueprints that map out the layouts and roles of electrical circuits, making troubleshooting, setup, and maintenance far more efficient.

If you’re working on a small home lighting system or a complex industrial setup, a well-drawn Trailer Brake Wiring Diagram can save time, prevent errors, and ensure safety.

If you’re new to Trailer Brake Wiring Diagram, start small, study real-life examples, and don’t hesitate to seek guidance. For skilled workers, staying updated with the latest standards helps you stay ahead.

In the end, Trailer Brake Wiring Diagram are more than just technical illustrations; they are the foundation of electricity. By learning to read and draft them, you gain the ability to work more effectively, safer, and with precision in any electrical project.

We appreciate your time, and we hope this article Trailer Brake Wiring Diagram has helped illuminate the power of wiring diagrams.