Wiring Diagram For 2000 Chevrolet Cavelier

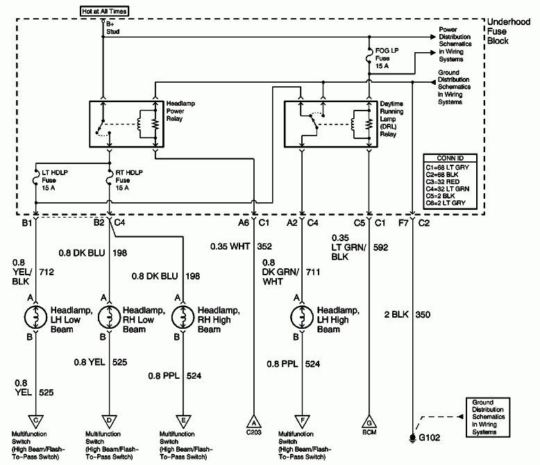
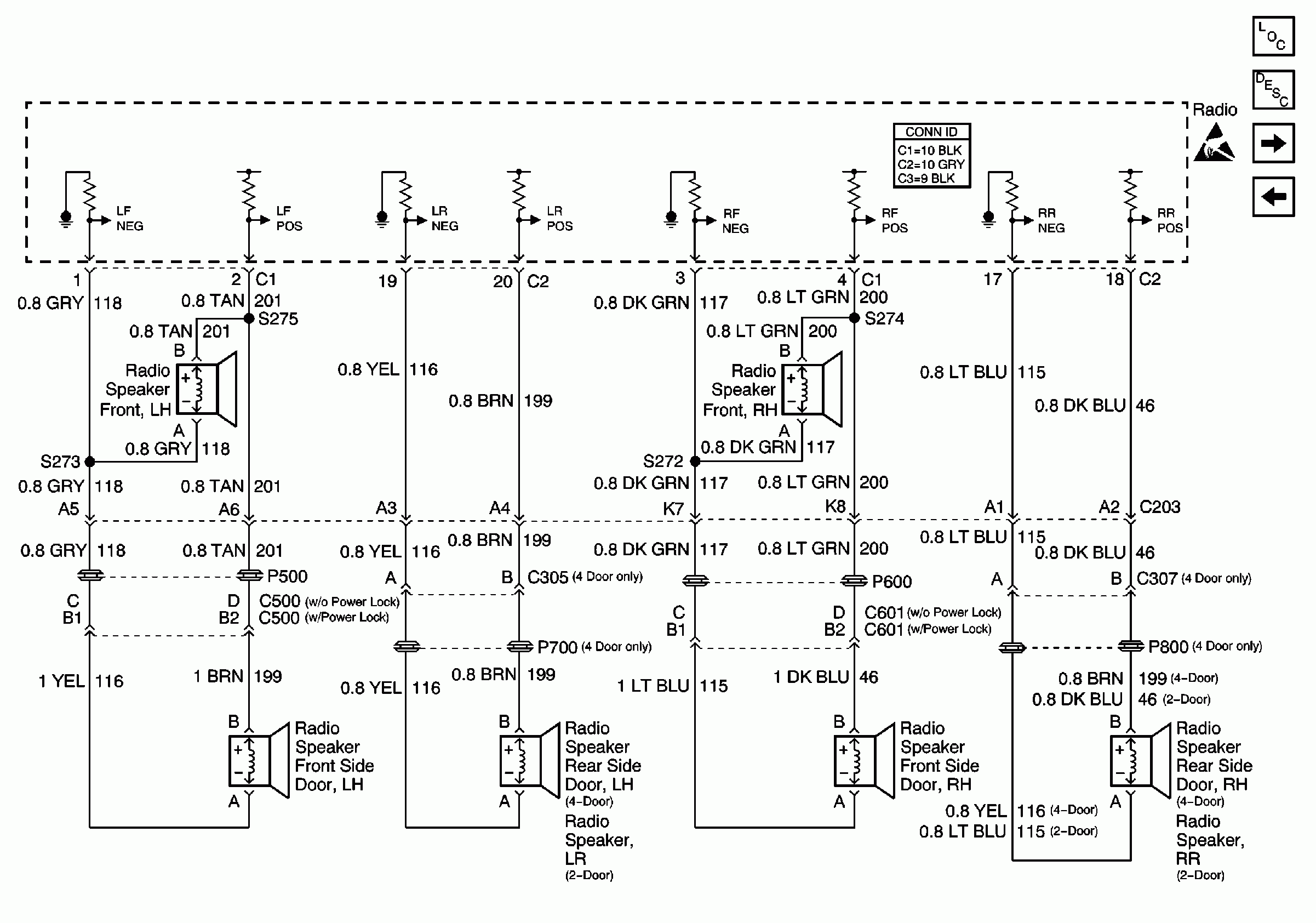
The 2000 Chevrolet Cavalier is a popular compact car known for its reliability and affordability. When it comes to maintaining and repairing your Cavalier, having access to a wiring diagram can be incredibly helpful. Understanding the electrical system of your vehicle can make troubleshooting and repairs much easier.

Whether you are a seasoned mechanic or a DIY enthusiast, having a wiring diagram for your 2000 Chevrolet Cavalier can save you time and frustration. It provides a visual representation of the electrical components and their connections, helping you identify issues and make necessary repairs.

Everything You Need To Know About The Chevy 7 Pin Wiring DiagramEverything You Need To Know About The Chevy 7 Pin Wiring Diagram (schempal.com)

When looking at a wiring diagram for your 2000 Chevrolet Cavalier, you will typically see lines representing wires, symbols for electrical components, and connections between them. It is important to refer to the diagram specific to your vehicle’s make, model, and year to ensure accuracy.

Common issues that may require referencing a wiring diagram for the 2000 Chevrolet Cavalier include faulty headlights, malfunctioning turn signals, or a non-responsive radio. By following the wiring diagram, you can trace the electrical pathways and pinpoint the source of the problem.

In addition to troubleshooting electrical issues, a wiring diagram for the 2000 Chevrolet Cavalier can also be useful for installing aftermarket accessories or upgrading components. Whether you are adding a new stereo system or installing fog lights, having a clear understanding of the vehicle’s electrical system is essential.

Overall, a wiring diagram for the 2000 Chevrolet Cavalier is a valuable resource for anyone working on their vehicle’s electrical system. By familiarizing yourself with the diagram and understanding how to interpret it, you can confidently tackle electrical repairs and modifications. Remember to always consult a professional if you are unsure or uncomfortable working with electrical components.


Download and Print Wiring Diagram For 2000 Chevrolet Cavelier Listed below

Tail Light Wiring Diagram Cadician 39 s BlogTail Light Wiring Diagram Cadician 39 S Blog (2020cadillac.com)

2000 Chevy Blazer Wiring Diagram2000 Chevy Blazer Wiring Diagram (partsdiagram.netlify.app)

 DIAGRAM 2000 Chevrolet Silverado 4 Pin Trailer Wiring Diagram FULL DIAGRAM 2000 Chevrolet Silverado 4 Pin Trailer Wiring Diagram FULL (159.223.119.28)

2000 Blazer Headlight Wiring Diagram Wiring Diagram2000 Blazer Headlight Wiring Diagram Wiring Diagram (wiringdiagram.2bitboer.com)

Wiring Diagram For 2000 Chevrolet Cavalier GuideWiring Diagram For 2000 Chevrolet Cavalier Guide (schempro.com)

Wiring Diagram For 2000 Chevrolet Cavelier

In conclusion, understanding and utilizing Wiring Diagram For 2000 Chevrolet Cavelier is an essential skill for those dealing with electrical setups, from beginners to seasoned professionals. These diagrams act as blueprints that illustrate the paths and operations of electrical circuits, making diagnosing problems, installation, and maintenance far more straightforward.

When you’re working on a small home lighting system or a large-scale industrial setup, a well-drawn Wiring Diagram For 2000 Chevrolet Cavelier can help avoid delays, reduce mistakes, and keep things safe.

If you’re new to Wiring Diagram For 2000 Chevrolet Cavelier, begin with simple projects, examine real-life examples, and don’t hesitate to ask for advice. For pros, staying updated with the latest standards helps you stay ahead.

Ultimately, Wiring Diagram For 2000 Chevrolet Cavelier are more than just technical illustrations; they are the foundation of electricity. By learning to read and design them, you empower yourself to work smarter, more safely, and with precision in any electrical project.

We appreciate your time, and we hope this article Wiring Diagram For 2000 Chevrolet Cavelier has given insight into the value of wiring diagrams.