Wiring Diagram For Radio

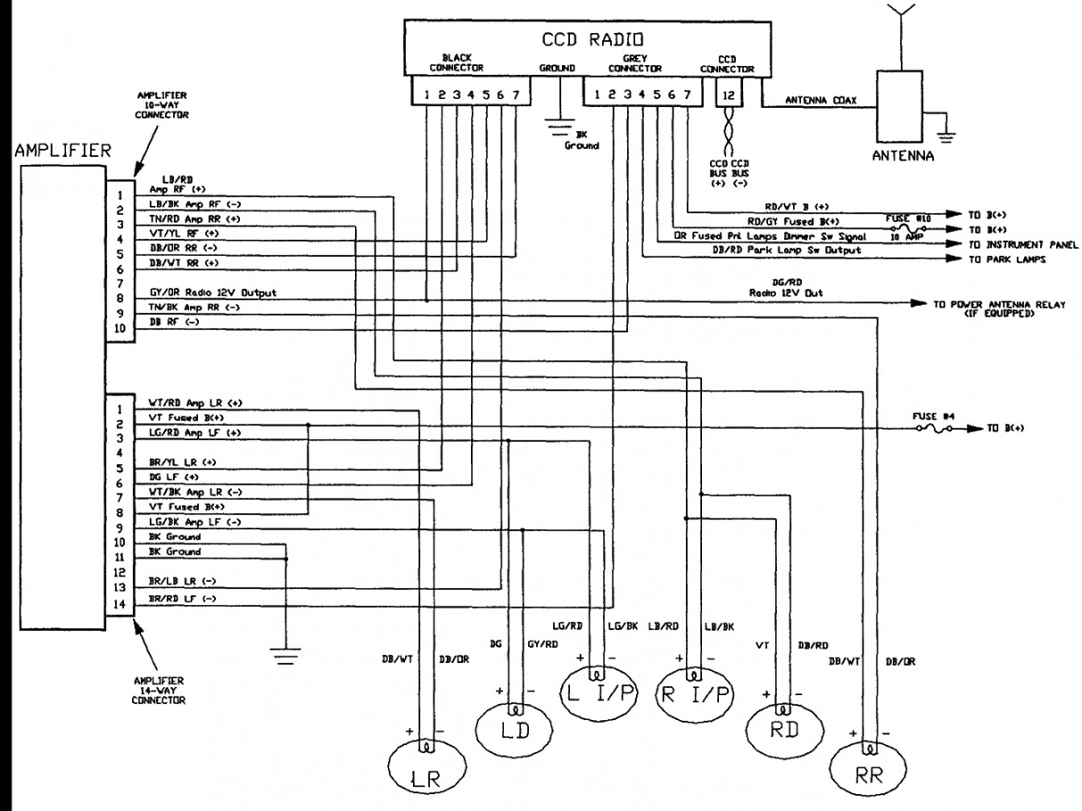
When it comes to installing a new radio in your car, having a wiring diagram is crucial. A wiring diagram is a visual representation of the electrical connections and wiring layout of your car’s radio system. It helps you understand how to properly connect the wires and ensure that everything functions correctly. Without a wiring diagram, you may end up with a radio that doesn’t work or even damage your car’s electrical system.

Having a wiring diagram for your car’s radio system can save you time and frustration during the installation process. It provides you with a clear guide on how to connect the wires correctly, making the installation process much smoother and more efficient. With a wiring diagram in hand, you can easily troubleshoot any issues that may arise during the installation.

Mitsubishi Outlander Radio Wiring Diagram A Complete GuideMitsubishi Outlander Radio Wiring Diagram A Complete Guide (elecdiags.com)

Wiring Diagram For Radio

A wiring diagram for a car radio typically includes information on the color codes of the wires, their functions, and where they need to be connected. It also shows the layout of the radio system, including the power source, speakers, antenna, and any other components. By following the wiring diagram, you can ensure that each wire is connected to the right place and prevent any potential damage to the radio or your car’s electrical system.

When installing a new radio in your car, it is essential to refer to the wiring diagram provided by the manufacturer. This will ensure that you are connecting the wires correctly and following the recommended installation process. It is also a good idea to double-check the wiring diagram before finalizing the installation to avoid any mistakes or issues that may arise.

Overall, having a wiring diagram for your car’s radio system is essential for a smooth and successful installation. It provides you with the necessary guidance to connect the wires correctly, troubleshoot any issues, and ensure that your new radio functions properly. By following the wiring diagram carefully, you can enjoy your favorite music and radio stations while driving without any worries.

In conclusion, a wiring diagram for your car’s radio system is a valuable tool that can make the installation process much easier and more efficient. It provides you with the necessary guidance to connect the wires correctly and avoid any potential issues. By following the wiring diagram provided by the manufacturer, you can ensure that your new radio works perfectly and enhances your driving experience.


Download and Print Wiring Diagram For Radio Listed below

The Complete 2015 Ford Transit Radio Wiring Diagram GuideThe Complete 2015 Ford Transit Radio Wiring Diagram Guide (autoctrls.com)

2014 Ram Radio Wiring Diagram EdenBengals2014 Ram Radio Wiring Diagram EdenBengals (edenbengals.com)

2001 Chevy Malibu Radio Wiring Diagram2001 Chevy Malibu Radio Wiring Diagram (www.chanish.org)

2005 Jeep Grand Cherokee Radio Wiring Diagram Wiring Diagram2005 Jeep Grand Cherokee Radio Wiring Diagram Wiring Diagram (annawiringdiagram.com)

Mitsubishi Radio Wiring DiagramMitsubishi Radio Wiring Diagram (www.tankbig.com)

Wiring Diagram For Radio

To wrap things up, grasping and utilizing Wiring Diagram For Radio is an essential skill for anyone involved in electrical work, from newcomers to veteran technicians. These diagrams serve as blueprints that illustrate the paths and operations of electrical circuits, making fault-finding, installation, and servicing far more manageable.

If you’re working on a simple home lighting system or a large-scale industrial setup, a well-drawn Wiring Diagram For Radio can save time, reduce mistakes, and ensure safety.

If you’re new to Wiring Diagram For Radio, start small, study real-life examples, and don’t hesitate to seek guidance. For pros, staying updated with the current practices helps you stay ahead.

In the end, Wiring Diagram For Radio are more than just schematic drawings; they are the language of electricity. By learning to read and create them, you empower yourself to work smarter, safer, and more accurately in any electrical project.

We appreciate your time, and we hope this article Wiring Diagram For Radio has shed light on the importance of wiring diagrams.