Wiring Diagram Ford Mustang

Ford Mustang is a popular sports car that has been in production since the 1960s. It has a rich history and a strong following among automotive enthusiasts. One important aspect of maintaining a Ford Mustang is understanding its wiring diagram.

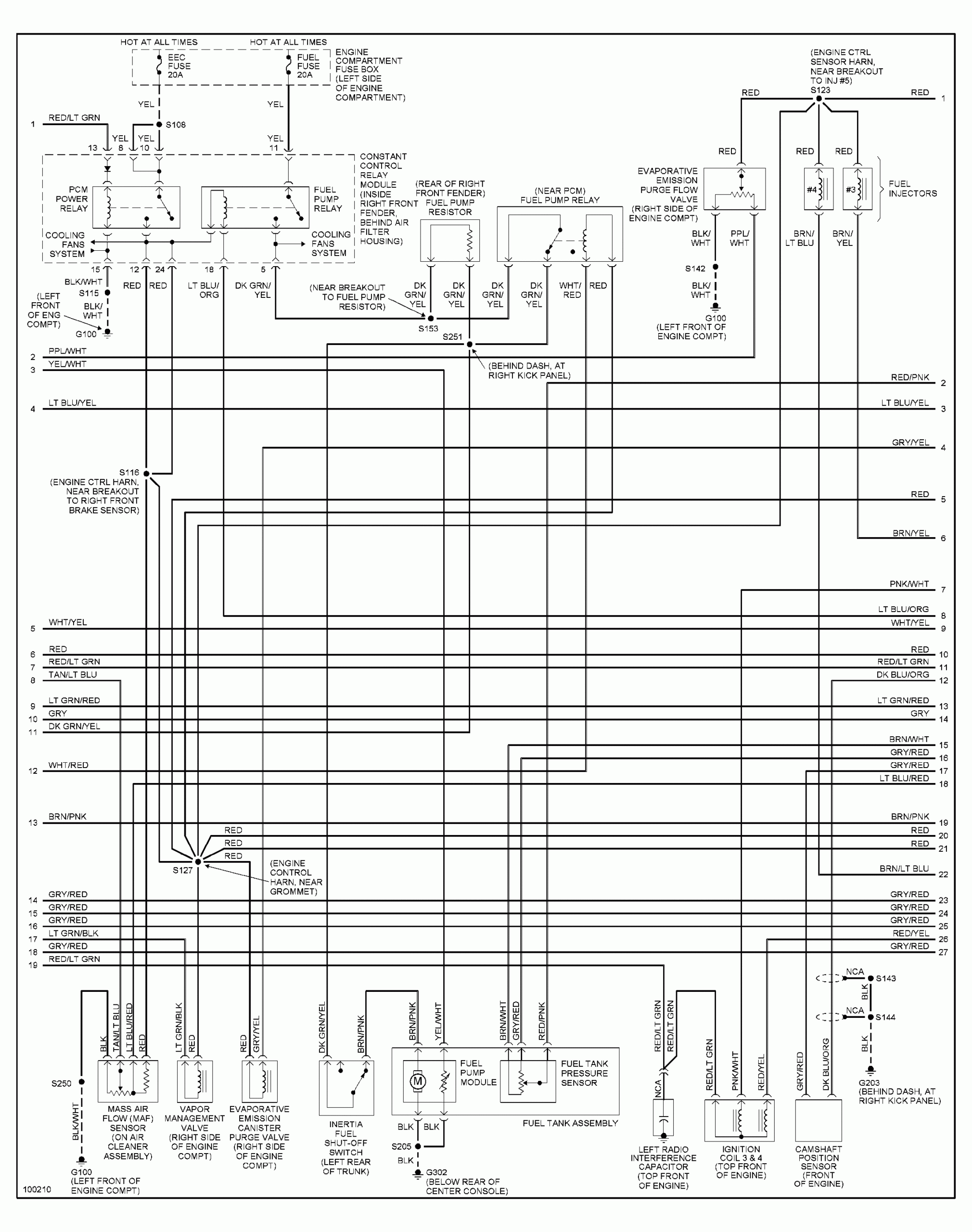
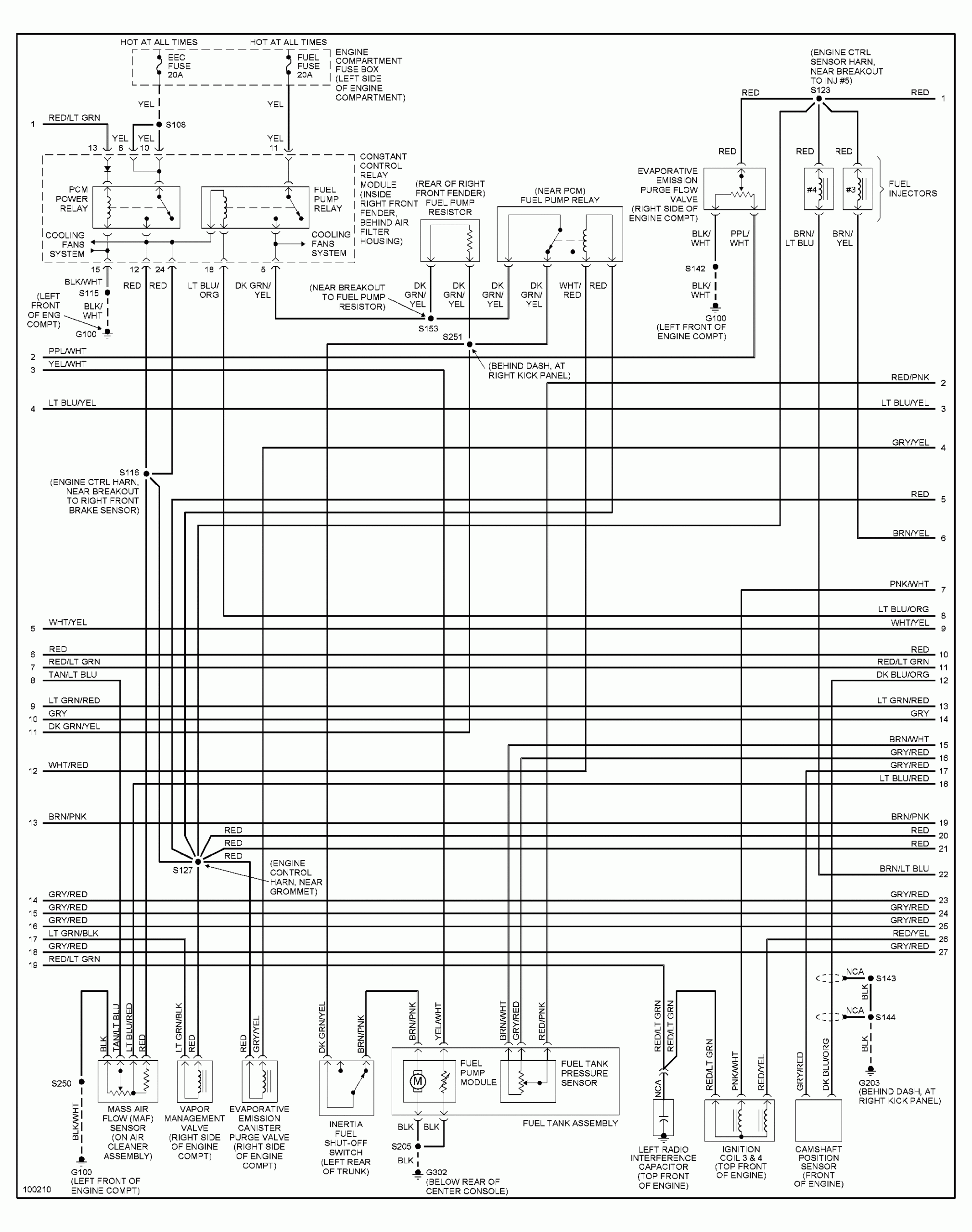
A wiring diagram is a visual representation of the electrical system in a vehicle. It shows the different components and how they are connected, helping mechanics and car owners troubleshoot electrical issues. Having a wiring diagram for your Ford Mustang can save you time and money when diagnosing problems.

 DIAGRAM 66 Ford Mustang Wiring Diagram Image Details MYDIAGRAM ONLINEDIAGRAM 66 Ford Mustang Wiring Diagram Image Details MYDIAGRAM ONLINE (mydiagram.online)

When working on your Ford Mustang’s electrical system, it’s important to have a wiring diagram handy. This will help you identify the different wires and components, making it easier to trace the source of any issues. Whether you’re installing a new stereo system or troubleshooting a faulty light, a wiring diagram is an invaluable tool.

Some common electrical issues in a Ford Mustang include faulty wiring connections, blown fuses, and malfunctioning components. By referring to the wiring diagram, you can systematically check each component and wire to pinpoint the problem. This can prevent further damage to your vehicle and ensure it runs smoothly.

In conclusion, having a wiring diagram for your Ford Mustang is essential for maintaining and troubleshooting its electrical system. Whether you’re a DIY enthusiast or a professional mechanic, a wiring diagram can help you understand the complex network of wires and components in your vehicle. By investing in a quality diagram, you can ensure that your Ford Mustang remains in top condition for years to come.


Download and Print Wiring Diagram Ford Mustang Listed below

 DIAGRAM Wiring Diagram For 2000 Ford Mustang MYDIAGRAM ONLINEDIAGRAM Wiring Diagram For 2000 Ford Mustang MYDIAGRAM ONLINE (mydiagram.online)

Wiring Diagram For 1999 Mustang Gt Wiring DiagramWiring Diagram For 1999 Mustang Gt Wiring Diagram (wiringdiagram.2bitboer.com)

 DIAGRAM Ford Mustang Pats Wiring Diagram Manual MYDIAGRAM ONLINEDIAGRAM Ford Mustang Pats Wiring Diagram Manual MYDIAGRAM ONLINE (mydiagram.online)

1971 Ford Mustang Wiring Diagram1971 Ford Mustang Wiring Diagram (mungfali.com)

1999 Ford Explorer Radio Wiring Diagram Collection Wiring Diagram 1999 Ford Explorer Radio Wiring Diagram Collection Wiring Diagram (www.fordwiringdiagram.com)

Wiring Diagram Ford Mustang

To sum up, comprehending and working with Wiring Diagram Ford Mustang is an vital skill for anyone working with electrical systems, from newcomers to veteran technicians. These diagrams act as blueprints that map out the layouts and roles of electrical circuits, making diagnosing problems, setup, and servicing far more efficient.

If you’re working on a basic home lighting system or a complicated industrial setup, a well-drawn Wiring Diagram Ford Mustang can help avoid delays, reduce mistakes, and improve security.

If you’re new to Wiring Diagram Ford Mustang, start small, study real-life examples, and don’t hesitate to get help. For experienced technicians, staying updated with the latest standards helps you stay relevant.

All in all, Wiring Diagram Ford Mustang are more than just technical illustrations; they are the blueprint of electricity. By being able to interpret and create them, you gain the ability to work more effectively, safer, and more accurately in any electrical project.

Thanks for following along, and we hope this article Wiring Diagram Ford Mustang has helped illuminate the value of wiring diagrams.