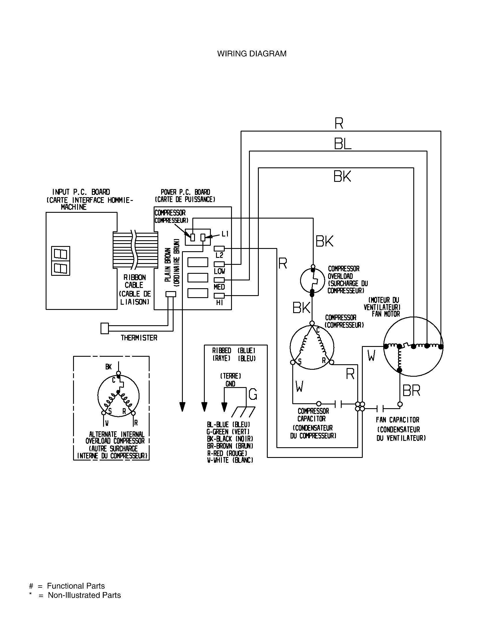
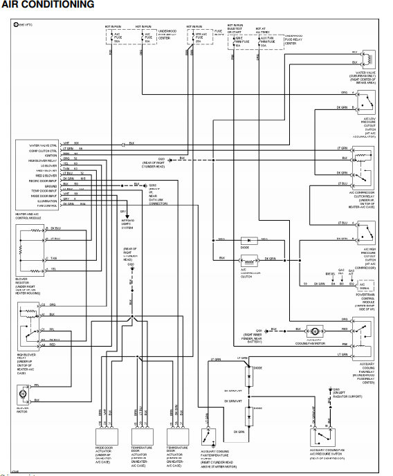
Wiring Diagram Of Air Conditioning System

When it comes to air conditioning systems, proper wiring is crucial for optimal performance and safety. The wiring diagram of an air conditioning system shows the electrical connections between various components, such as the compressor, condenser, fan motor, and thermostat. Understanding this diagram is essential for technicians when installing or troubleshooting an AC unit.

Each component in an air conditioning system has a specific function and must be connected correctly to ensure efficient operation. The wiring diagram provides a visual representation of how these components are interconnected, allowing technicians to identify and fix any wiring issues that may arise.

Basic Air Conditioning Wiring DiagramBasic Air Conditioning Wiring Diagram (impotents8frwire.z21.web.core.windows.ne…)

Typically, the wiring diagram of an air conditioning system includes color-coded wires, labels, and symbols to indicate the different electrical connections. It also shows the power supply source, ground connections, and control circuits that regulate the system’s operation.

One common type of wiring diagram for air conditioning systems is the ladder diagram, which uses horizontal lines to represent wires and vertical lines to show the connections between components. This diagram is easy to follow and helps technicians troubleshoot electrical problems quickly.

Properly understanding and interpreting the wiring diagram of an air conditioning system is essential for ensuring the system operates safely and efficiently. Incorrect wiring can lead to malfunctions, breakdowns, or even electrical hazards, so it’s crucial to follow the diagram carefully during installation or repair work.

In conclusion, the wiring diagram of an air conditioning system is a vital tool for technicians working on AC units. By following this diagram accurately, technicians can ensure that all electrical connections are correct, leading to a properly functioning and safe air conditioning system.


Download and Print Wiring Diagram Of Air Conditioning System Listed below

Wiring Diagram For 1995 Chevy Tahoe Wiring DiagramWiring Diagram For 1995 Chevy Tahoe Wiring Diagram (wiringdiagram.2bitboer.com)

 DIAGRAM Wiring Diagrams Air Conditioners MYDIAGRAM ONLINEDIAGRAM Wiring Diagrams Air Conditioners MYDIAGRAM ONLINE (mydiagram.online)

 DIAGRAM 3 Way Switch Wiring Diagrams Air Conditioning MYDIAGRAM ONLINEDIAGRAM 3 Way Switch Wiring Diagrams Air Conditioning MYDIAGRAM ONLINE (mydiagram.online)

Split System Wiring DiagramSplit System Wiring Diagram (www.tankbig.com)

Wiring Diagram Pdf Hyundai Santa Fe Air Conditioning Wiring Diagram Wiring Diagram Pdf Hyundai Santa Fe Air Conditioning Wiring Diagram (www.myxxgirl.com)

Wiring Diagram Of Air Conditioning System

To sum up, comprehending and utilizing Wiring Diagram Of Air Conditioning System is an essential skill for anyone involved in electrical work, from beginners to seasoned professionals. These diagrams serve as blueprints that show the paths and operations of electrical circuits, making troubleshooting, setup, and maintenance far more straightforward.

If you’re working on a small home lighting system or a complicated industrial setup, a well-drawn Wiring Diagram Of Air Conditioning System can save time, prevent errors, and ensure safety.

If you’re new to Wiring Diagram Of Air Conditioning System, begin with simple projects, explore real-life examples, and don’t hesitate to seek guidance. For pros, staying updated with the newest regulations helps you stay competitive.

All in all, Wiring Diagram Of Air Conditioning System are more than just technical illustrations; they are the blueprint of electricity. By being able to interpret and draft them, you equip yourself to work smarter, safer, and with precision in any electrical project.

Thanks for following along, and we hope this article Wiring Diagram Of Air Conditioning System has helped illuminate the importance of wiring diagrams.