Automotive Radio Wiring Diagrams

16 Pin Sony Electrical Automotive Car Radio Wiring Harness Looms 16 Pin Sony Electrical Automotive Car Radio Wiring Harness Looms (starconnect.en.made-in-china.com)




Automotive Radio Wiring Diagrams

Automotive Radio Wiring Diagrams

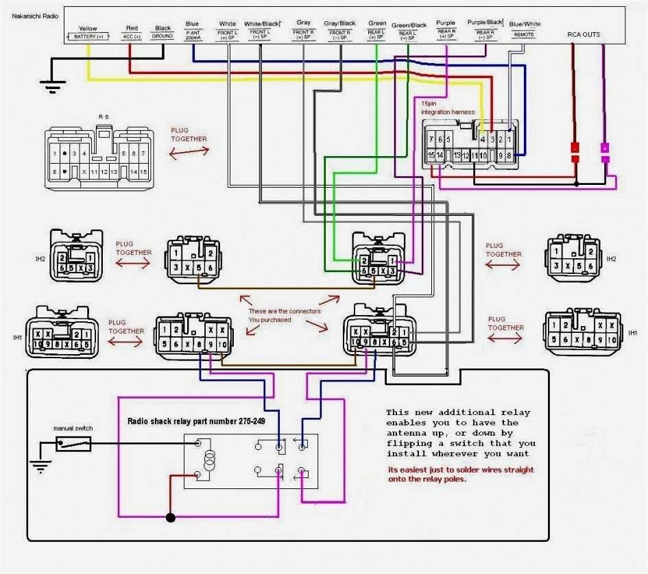
When it comes to installing a new radio in your car, having a wiring diagram is crucial. It can help you understand the connections needed to properly install the radio and ensure that it functions correctly. Automotive radio wiring diagrams provide a detailed layout of the wiring harness and connections, making the installation process much easier for DIY enthusiasts.

Whether you are replacing a factory radio or upgrading to a newer model, a wiring diagram can save you time and frustration. It shows the color-coding of the wires, the location of each wire in the harness, and how to connect them to the radio. This information is essential for a successful installation and can prevent damage to your car’s electrical system.

A typical automotive radio wiring diagram includes information on power supply, ground connections, speaker wires, and antenna connections. It also provides details on which wires are for the radio’s display, controls, and other features. By following the diagram carefully, you can ensure that your new radio is connected correctly and functions as intended.

Some wiring diagrams may also include information on steering wheel controls, amplifier connections, and other accessories. This can be especially helpful if you have a more complex audio system in your car. By referring to the diagram, you can easily identify the necessary connections and complete the installation with confidence.

In conclusion, automotive radio wiring diagrams are invaluable tools for anyone looking to install a new radio in their car. They provide a clear and detailed guide on how to connect the wires properly, ensuring that the radio functions correctly and safely. Whether you are a beginner or an experienced DIYer, having a wiring diagram can make the installation process much smoother and more enjoyable.


Download and Print Automotive Radio Wiring Diagrams Listed below

Chrysler Radio Wiring Diagrams The Install Doctor The Do It Yourself Chrysler Radio Wiring Diagrams The Install Doctor The Do It Yourself (rajuyolo10.blogspot.com)

Automotive Wiring Diagrams OnlineAutomotive Wiring Diagrams Online (schematicpartcartier.z14.web.core.window…)

Auto Wiring Diagrams Wiring Diagram Data Automotive Wiring Diagram Auto Wiring Diagrams Wiring Diagram Data Automotive Wiring Diagram (2020cadillac.com)

Decoding Your Car 39 s Audio A Guide To Automotive Radio Wiring DiagramsDecoding Your Car 39 S Audio A Guide To Automotive Radio Wiring Diagrams (circuitblaze.com)

Decoding Your Car 39 s Audio A Guide To Automotive Radio Wiring DiagramsDecoding Your Car 39 S Audio A Guide To Automotive Radio Wiring Diagrams (circuitblaze.com)

Automotive Radio Wiring Diagrams

To wrap things up, grasping and utilizing Automotive Radio Wiring Diagrams is an essential skill for those dealing with electrical setups, from beginners to experienced electricians. These diagrams function as blueprints that illustrate the connections and functions of electrical circuits, making fault-finding, setup, and servicing far more straightforward.

If you’re working on a basic home lighting system or a complicated industrial setup, a well-drawn Automotive Radio Wiring Diagrams can save time, prevent errors, and keep things safe.

For beginners Automotive Radio Wiring Diagrams, begin with simple projects, explore real-life examples, and don’t hesitate to get help. For skilled workers, staying updated with the latest standards helps you stay ahead.

In the end, Automotive Radio Wiring Diagrams are more than just technical illustrations; they are the foundation of electricity. By learning to read and draft them, you empower yourself to work more effectively, safer, and more accurately in any electrical project.

Thanks for following along, and we hope this article Automotive Radio Wiring Diagrams has shed light on the importance of wiring diagrams.