Basic Electrical Wiring Diagram

Electrical wiring is an essential component of any building, whether it’s a home, office, or industrial facility. Understanding the basics of electrical wiring diagrams can help you troubleshoot electrical issues, make upgrades, or even plan new construction projects.

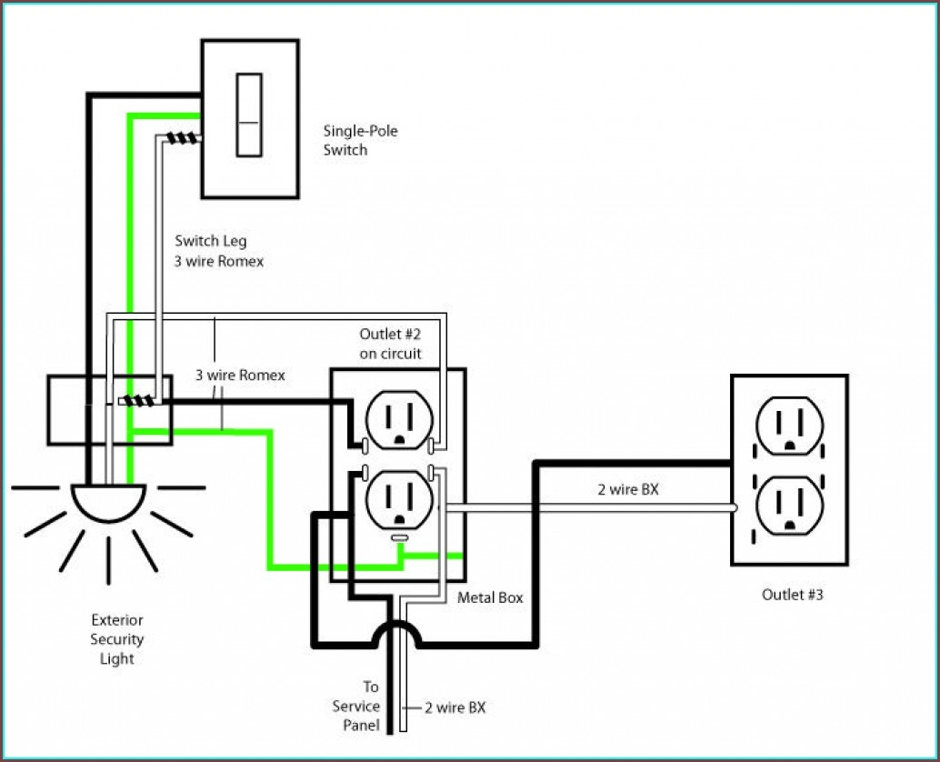
One of the most important aspects of electrical wiring is the diagram, which acts as a map for the electrical connections in a building. A wiring diagram visually represents the layout of electrical components and the connections between them. By following a wiring diagram, electricians can ensure that the electrical system is installed correctly and functions properly.

Simple House Wiring Diagram Exles InfoupdateSimple House Wiring Diagram Exles Infoupdate (infoupdate.org)

Wiring diagrams typically consist of symbols that represent electrical components such as switches, outlets, lights, and circuit breakers. Lines connecting these symbols indicate the electrical connections between the components. Understanding these symbols and connections is crucial for anyone working with electrical systems.

When looking at a basic electrical wiring diagram, you will typically see a power source, such as a breaker box, at the top of the diagram. From there, lines will branch out to various electrical components throughout the building, showing how the power flows through the system. By following these lines, electricians can trace the path of electricity and troubleshoot any issues that may arise.

In addition to the layout of electrical components, wiring diagrams also include important information such as wire color codes, wire sizes, and circuit breaker ratings. This information is crucial for ensuring that the electrical system meets safety standards and functions properly. By following the guidelines provided in a wiring diagram, electricians can ensure that the electrical system is installed correctly and operates safely.

Overall, understanding basic electrical wiring diagrams is essential for anyone working with electrical systems. Whether you’re a homeowner making repairs or upgrades, or a professional electrician installing new systems, a wiring diagram is a valuable tool for ensuring that the electrical system operates safely and efficiently.


Download and Print Basic Electrical Wiring Diagram Listed below

Electrical Wiring Diagram For Android APK DownloadElectrical Wiring Diagram For Android APK Download (apkpure.com)

Basic Electrical Wiring Diagram SymbolsBasic Electrical Wiring Diagram Symbols (wiringguidemerely.z19.web.core.windows.n…)

Basic House Wiring Diagram Wiring DiagramBasic House Wiring Diagram Wiring Diagram (annawiringdiagram.com)

Basic Electrical Wiring For Dummies InfoupdateBasic Electrical Wiring For Dummies Infoupdate (infoupdate.org)

Electrical Wiring Diagram House Wiring Electrical House Diagram Outlets Electrical Wiring Diagram House Wiring Electrical House Diagram Outlets (www.wiringname.com)

Basic Electrical Wiring Diagram

To sum up, grasping and working with Basic Electrical Wiring Diagram is an important skill for anyone involved in electrical work, from novices to veteran technicians. These diagrams function as blueprints that illustrate the paths and operations of electrical circuits, making diagnosing problems, installation, and maintenance far more efficient.

If you’re working on a basic home lighting system or a complex industrial setup, a well-drawn Basic Electrical Wiring Diagram can help avoid delays, reduce mistakes, and ensure safety.

For beginners Basic Electrical Wiring Diagram, start small, study real-life examples, and don’t hesitate to seek guidance. For skilled workers, staying updated with the current practices helps you stay competitive.

All in all, Basic Electrical Wiring Diagram are more than just technical illustrations; they are the language of electricity. By learning to read and create them, you equip yourself to work more effectively, safer, and more accurately in any electrical project.

Thanks for following along, and we hope this article Basic Electrical Wiring Diagram has helped illuminate the importance of wiring diagrams.