Doorbell Wiring Diagram

Installing a doorbell can be a great addition to your home, providing convenience and security. Understanding the wiring diagram is essential for a successful installation. Whether you are replacing an existing doorbell or installing a new one, having a clear understanding of the wiring is crucial.

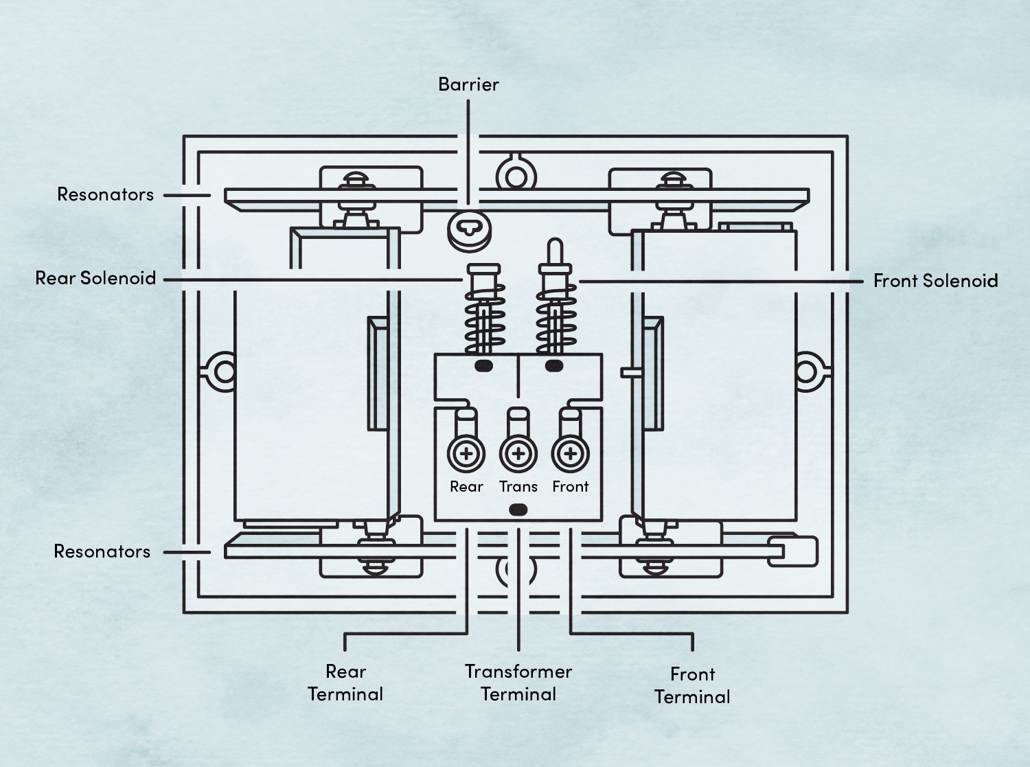
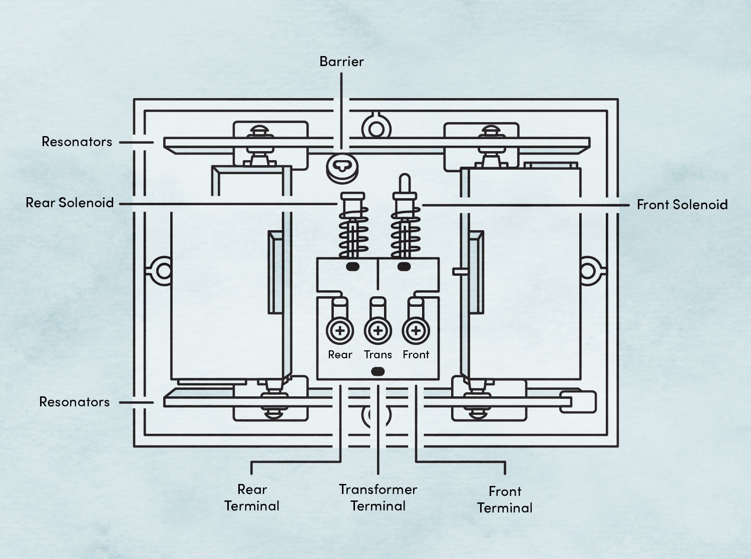
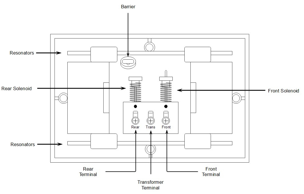
Before starting the installation process, it is important to have a basic knowledge of the components involved in a doorbell system. The main parts include the doorbell button, transformer, chime, and wires. The doorbell button is typically mounted outside the door, while the chime is placed inside the house. The transformer converts the standard household voltage to a lower voltage suitable for the doorbell system.

How To Easily Install Edwards Doorbell Wiring A Comprehensive DiagramHow To Easily Install Edwards Doorbell Wiring A Comprehensive Diagram (design1systems.com)

When it comes to wiring the doorbell system, there are two main types: a two-wire system and a three-wire system. In a two-wire system, there are only two wires – one for the front doorbell button and one for the chime. This type of system is simpler to install but may not support multiple doorbells. On the other hand, a three-wire system has an additional wire for a rear doorbell button, allowing for multiple doorbells to be connected.

Following the wiring diagram is crucial to ensure the doorbell system functions properly. The diagram will guide you on how to connect the wires from the doorbell button to the transformer and chime. It is important to turn off the power supply before starting the installation to avoid any accidents. Additionally, labeling the wires can help you identify them easily during the installation process.

Once the wiring is complete, you can test the doorbell system to ensure it is working correctly. Press the doorbell button to see if the chime rings. If the system is not functioning as expected, double-check the wiring connections and troubleshoot any issues that may arise. With proper installation and wiring, your doorbell system will provide convenience and security for your home.

Overall, understanding the doorbell wiring diagram is essential for a successful installation. By familiarizing yourself with the components and following the wiring instructions, you can easily install a doorbell system in your home. Remember to prioritize safety and follow the necessary precautions during the installation process. With a properly installed doorbell system, you can enjoy the convenience and security it brings to your home.


Download and Print Doorbell Wiring Diagram Listed below

How To Easily Install Edwards Doorbell Wiring A Comprehensive DiagramHow To Easily Install Edwards Doorbell Wiring A Comprehensive Diagram (design1systems.com)

Doorbell Wiring Diagram A Complete Tutorial EdrawMaxDoorbell Wiring Diagram A Complete Tutorial EdrawMax (www.edrawsoft.com)

Doorbell Wiring Diagram Tutorial Printable Form Templates And LetterDoorbell Wiring Diagram Tutorial Printable Form Templates And Letter (projectopenletter.com)

Old Nutone Doorbell Wiring Diagram Wiring DiagramOld Nutone Doorbell Wiring Diagram Wiring Diagram (wiringdiagram.2bitboer.com)

Doorbell Wiring DiagramDoorbell Wiring Diagram (stewart-switch.com)

Doorbell Wiring Diagram

In conclusion, grasping and working with Doorbell Wiring Diagram is an important skill for anyone involved in electrical work, from newcomers to experienced electricians. These diagrams serve as blueprints that map out the paths and operations of electrical circuits, making troubleshooting, installation, and servicing far more efficient.

Whether you’re working on a simple home lighting system or a complex industrial setup, a well-drawn Doorbell Wiring Diagram can help avoid delays, reduce mistakes, and improve security.

For beginners Doorbell Wiring Diagram, begin with simple projects, examine real-life examples, and don’t hesitate to get help. For skilled workers, staying updated with the newest regulations helps you stay ahead.

All in all, Doorbell Wiring Diagram are more than just schematic drawings; they are the language of electricity. By mastering and design them, you empower yourself to work smarter, safer, and more accurately in any electrical project.

Thanks for following along, and we hope this article Doorbell Wiring Diagram has shed light on the value of wiring diagrams.