Electrical Wiring Diagrams

Electrical wiring diagrams are essential tools for electricians and homeowners alike. They provide a visual representation of an electrical system, showing how wires are connected and where components are located. By understanding these diagrams, individuals can troubleshoot electrical issues, plan new installations, and ensure safety in their homes or buildings.

Whether you are working on a simple household wiring project or a complex industrial installation, having a good grasp of electrical wiring diagrams is crucial. These diagrams can help you identify potential problems, follow wiring codes and standards, and ensure that your electrical system is safe and reliable.

Electrical Wiring Diagram House Wiring Electrical House Diagram Outlets Electrical Wiring Diagram House Wiring Electrical House Diagram Outlets (www.wiringname.com)

Electrical Wiring Diagrams

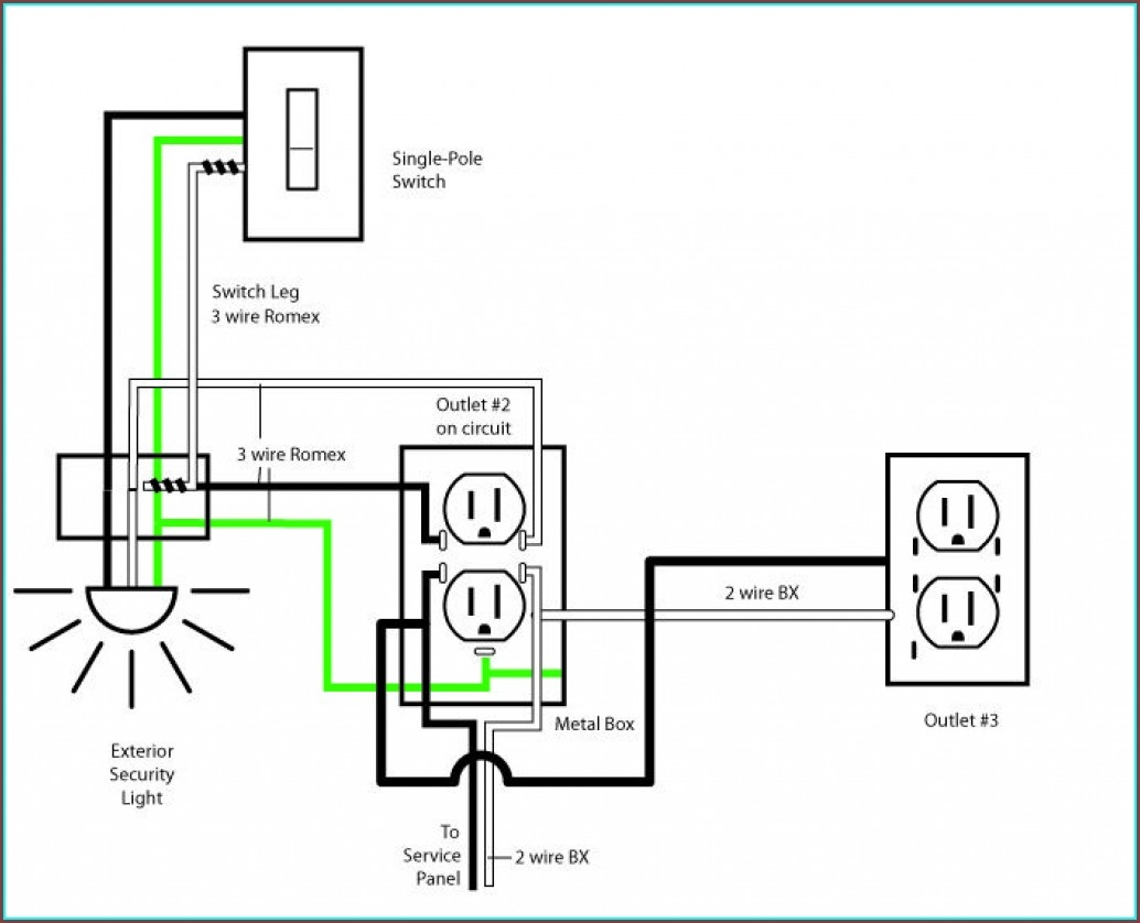
There are several types of electrical wiring diagrams, including schematic diagrams, wiring diagrams, and line diagrams. Schematic diagrams show the electrical components and their interconnections, while wiring diagrams illustrate the physical layout of wires and components. Line diagrams are simplified versions of wiring diagrams, often used for troubleshooting or educational purposes.

When reading an electrical wiring diagram, it’s important to understand symbols and abbreviations used to represent various components and connections. Common symbols include lines for wires, circles for connections, and various shapes for switches, outlets, and other devices. By familiarizing yourself with these symbols, you can easily interpret and follow a wiring diagram.

Electrical wiring diagrams also provide valuable information about electrical circuits, such as the voltage, current, and resistance of each component. By analyzing these details, you can ensure that your electrical system is properly designed and installed, reducing the risk of electrical hazards and malfunctions.

In conclusion, electrical wiring diagrams are indispensable tools for anyone working with electrical systems. By understanding and interpreting these diagrams, you can ensure the safety, efficiency, and reliability of your electrical installations. Whether you are a professional electrician or a DIY enthusiast, mastering the art of reading wiring diagrams will help you tackle any electrical project with confidence.


Download and Print Electrical Wiring Diagrams Listed below

Electrical Wiring Diagrams For Dummies Pdf Hastalavista Electrical Electrical Wiring Diagrams For Dummies Pdf Hastalavista Electrical (2020cadillac.com)

2021 Ford Bronco Sport Electrical Wiring Diagrams Manual2021 Ford Bronco Sport Electrical Wiring Diagrams Manual (www.autopaper.com)

2020 Ford Transit Connect Electrical Wiring Diagrams Manual2020 Ford Transit Connect Electrical Wiring Diagrams Manual (www.autopaper.com)

2014 Lincoln MKS Electrical Wiring Diagrams Manual2014 Lincoln MKS Electrical Wiring Diagrams Manual (www.autopaper.com)

2016 Lincoln MKX Electrical Wiring Diagrams Manual2016 Lincoln MKX Electrical Wiring Diagrams Manual (www.autopaper.com)

Electrical Wiring Diagrams

To wrap things up, grasping and utilizing Electrical Wiring Diagrams is an essential skill for anyone involved in electrical work, from beginners to seasoned professionals. These diagrams function as blueprints that show the paths and operations of electrical circuits, making diagnosing problems, setup, and maintenance far more straightforward.

Whether you’re working on a basic home lighting system or a complicated industrial setup, a well-drawn Electrical Wiring Diagrams can save time, prevent errors, and improve security.

For beginners Electrical Wiring Diagrams, begin with simple projects, examine real-life examples, and don’t hesitate to seek guidance. For experienced technicians, staying updated with the current practices helps you stay ahead.

All in all, Electrical Wiring Diagrams are more than just schematic drawings; they are the blueprint of electricity. By mastering and draft them, you empower yourself to work more effectively, safer, and with precision in any electrical project.

We appreciate your time, and we hope this article Electrical Wiring Diagrams has shed light on the value of wiring diagrams.