House Wiring Diagrams

House wiring diagrams are essential for understanding how electrical systems work in a residential setting. These diagrams provide a visual representation of the layout of wires, outlets, switches, and other electrical components in a house. By studying these diagrams, homeowners and electricians can troubleshoot problems, plan renovations, and ensure that their electrical systems are safe and up to code.

It is important to note that house wiring diagrams should only be used by qualified professionals or experienced DIY enthusiasts. Working with electricity can be dangerous, and mistakes in wiring can lead to fires, shocks, or other hazards. If you are unsure about any aspect of your electrical system, it is always best to consult with a licensed electrician.

Electrical Wiring Diagram House Wiring Electrical House Diagram Outlets Electrical Wiring Diagram House Wiring Electrical House Diagram Outlets (www.wiringname.com)

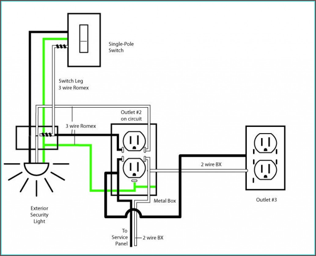
House wiring diagrams typically show the layout of circuits in a house, including the location of outlets, switches, lights, and appliances. They also indicate the size and type of wires used, as well as any special configurations such as three-way switches or GFCI outlets. Understanding these diagrams can help homeowners troubleshoot issues such as power outages, flickering lights, or tripped breakers.

When planning a renovation or addition to your home, house wiring diagrams are invaluable tools for ensuring that new electrical components are installed correctly. By referencing these diagrams, you can avoid costly mistakes and ensure that your new wiring meets building codes and safety standards. Additionally, having a clear understanding of your electrical system can help you make informed decisions about upgrades or improvements.

In conclusion, house wiring diagrams are essential resources for homeowners and electricians alike. By studying these diagrams, you can gain a better understanding of how your electrical system works and how to troubleshoot common issues. Whether you are planning a renovation, troubleshooting a problem, or simply want to learn more about your home’s wiring, house wiring diagrams are invaluable tools that can help you maintain a safe and efficient electrical system.


Download and Print House Wiring Diagrams Listed below

Circuit Diagram House Wiring 110 Simple House WiringCircuit Diagram House Wiring 110 Simple House Wiring (ecircuitdiagrams.blogspot.com)

Diy Wiring A House Wiring Diagrams Hubs Residential Wiring Diagram Diy Wiring A House Wiring Diagrams Hubs Residential Wiring Diagram (2020cadillac.com)

Unveiling The Secrets Unraveling Old House Electrical Wiring DiagramsUnveiling The Secrets Unraveling Old House Electrical Wiring Diagrams (electraschematics.com)

Simple House Wiring Diagram Exles InfoupdateSimple House Wiring Diagram Exles Infoupdate (infoupdate.org)

Understanding The Basics Of House Wiring Diagrams And ExamplesUnderstanding The Basics Of House Wiring Diagrams And Examples (pulseplots.com)

House Wiring Diagrams

To sum up, understanding and utilizing House Wiring Diagrams is an vital skill for anyone involved in electrical work, from beginners to experienced electricians. These diagrams function as blueprints that map out the layouts and roles of electrical circuits, making troubleshooting, setup, and servicing far more straightforward.

Whether you’re working on a small home lighting system or a complicated industrial setup, a well-drawn House Wiring Diagrams can save time, reduce mistakes, and improve security.

For beginners House Wiring Diagrams, start small, examine real-life examples, and don’t hesitate to get help. For pros, staying updated with the latest standards helps you stay relevant.

Ultimately, House Wiring Diagrams are more than just technical illustrations; they are the blueprint of electricity. By mastering and create them, you empower yourself to work more effectively, safer, and more accurately in any electrical project.

We appreciate your time, and we hope this article House Wiring Diagrams has helped illuminate the power of wiring diagrams.