Lm7 4 Pin To 1 Cable Alternator Wiring Diagram

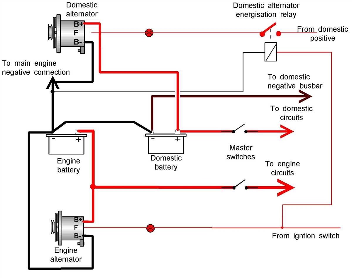
If you are looking to upgrade or replace the alternator in your LM7 engine, you may come across the need for a 4 pin to 1 cable alternator wiring diagram. This diagram is essential for ensuring that your alternator is properly connected and functioning correctly.

Understanding the wiring diagram for your LM7 alternator is crucial to prevent any electrical issues and ensure that your engine is running smoothly. With the right knowledge and tools, you can easily make the necessary connections and get your alternator up and running in no time.

The Ultimate Guide To Understanding 4 Pin Alternator Wiring DiagramsThe Ultimate Guide To Understanding 4 Pin Alternator Wiring Diagrams (kdi-ppi.com)

Wiring Instructions

The LM7 4 pin to 1 cable alternator wiring diagram typically consists of a diagram showing how to connect the four pins on the alternator to the single cable. Each pin serves a specific purpose, such as the power output, voltage sensing, and ground connection. By following the wiring instructions carefully, you can ensure that your alternator functions properly and efficiently.

It is important to double-check the connections and ensure that all wires are securely connected before starting your engine. Any loose connections can lead to electrical issues and potentially damage your alternator or other engine components. Taking the time to properly wire your alternator will save you time and money in the long run.

Once you have successfully connected your LM7 alternator using the 4 pin to 1 cable wiring diagram, you can test the alternator to ensure that it is functioning correctly. Start your engine and check the voltage output to confirm that the alternator is charging your battery. If everything looks good, you can rest assured that your alternator is properly wired and ready to power your engine.

In conclusion, understanding the LM7 4 pin to 1 cable alternator wiring diagram is essential for anyone looking to upgrade or replace their alternator. By following the wiring instructions carefully and double-checking your connections, you can ensure that your alternator functions properly and efficiently. With the right knowledge and tools, you can easily wire your alternator and get your engine running smoothly.


Download and Print Lm7 4 Pin To 1 Cable Alternator Wiring Diagram Listed below

Wiring Guide Alternator Welder DiagramWiring Guide Alternator Welder Diagram (diagramio.com)

Honda 4 Pin Alternator Wiring Diagram 21 ImagesHonda 4 Pin Alternator Wiring Diagram 21 Images (wiringdiagrams.netlify.app)

4 Wire Alternator Wiring Wiring Diagrams Hubs Alternator Wiring 4 Wire Alternator Wiring Wiring Diagrams Hubs Alternator Wiring (2020cadillac.com)

Delco Remy Cs130 Alternator Wiring Diagram Wiring Diagram Cs130 Delco Remy Cs130 Alternator Wiring Diagram Wiring Diagram Cs130 (2020cadillac.com)

1996 Nissan Maxima Wiring Diagram Simple Alternator Wiring Diagram 1996 Nissan Maxima Wiring Diagram Simple Alternator Wiring Diagram (2020cadillac.com)

Lm7 4 Pin To 1 Cable Alternator Wiring Diagram

In conclusion, comprehending and working with Lm7 4 Pin To 1 Cable Alternator Wiring Diagram is an vital skill for those dealing with electrical setups, from newcomers to experienced electricians. These diagrams act as blueprints that illustrate the paths and operations of electrical circuits, making fault-finding, setup, and maintenance far more efficient.

Whether you’re working on a basic home lighting system or a complicated industrial setup, a well-drawn Lm7 4 Pin To 1 Cable Alternator Wiring Diagram can help avoid delays, reduce mistakes, and improve security.

If you’re new to Lm7 4 Pin To 1 Cable Alternator Wiring Diagram, start small, study real-life examples, and don’t hesitate to ask for advice. For skilled workers, staying updated with the latest standards helps you stay competitive.

In the end, Lm7 4 Pin To 1 Cable Alternator Wiring Diagram are more than just technical illustrations; they are the blueprint of electricity. By learning to read and draft them, you gain the ability to work more effectively, safer, and with precision in any electrical project.

We appreciate your time, and we hope this article Lm7 4 Pin To 1 Cable Alternator Wiring Diagram has given insight into the importance of wiring diagrams.