Starter Motor Wiring Diagram

When it comes to the electrical system of a vehicle, the starter motor plays a crucial role in starting the engine. The starter motor wiring diagram is essential for understanding how the starter motor is connected to the battery and ignition system of the vehicle. This diagram provides a visual representation of the wiring connections and helps in troubleshooting any issues related to the starter motor.

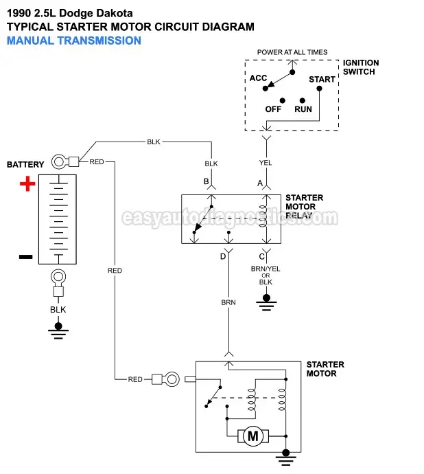
The starter motor wiring diagram typically consists of a battery connection, ignition switch, starter relay, and the starter motor itself. The battery connection provides the necessary power to the starter motor, while the ignition switch activates the starter relay. The starter relay then sends power to the starter motor, which turns the engine to start the vehicle.

Starter Wiring Diagram Motorcycle Easy WiringStarter Wiring Diagram Motorcycle Easy Wiring (easywiring.info)

It is important to follow the wiring diagram carefully to ensure that all connections are made correctly. Any incorrect wiring can lead to malfunctioning of the starter motor, which can prevent the engine from starting. By understanding the wiring diagram, one can easily identify and fix any issues with the starter motor system.

In some vehicles, the starter motor wiring diagram may also include additional components such as a neutral safety switch, which prevents the engine from starting in gear. This switch is usually connected to the ignition system and the starter motor to ensure safe starting of the engine. Understanding the complete wiring diagram can help in diagnosing and repairing any problems related to the starter motor system.

Regular maintenance and inspection of the starter motor wiring system are essential to ensure the proper functioning of the vehicle. Any signs of corrosion, loose connections, or damaged wiring should be addressed immediately to prevent any issues with starting the engine. By referring to the starter motor wiring diagram, one can easily identify the components and connections that need attention and ensure smooth operation of the vehicle.

In conclusion, the starter motor wiring diagram is a valuable tool for understanding the electrical connections of the starter motor system. By following the diagram and performing regular maintenance, one can ensure the proper functioning of the starter motor and prevent any issues with starting the engine. It is important to refer to the wiring diagram whenever troubleshooting or repairing the starter motor system to ensure safe and reliable operation of the vehicle.


Download and Print Starter Motor Wiring Diagram Listed below

Chevy C10 Starter Wiring Diagram Wiring Diagram Sbc Starter Wiring Chevy C10 Starter Wiring Diagram Wiring Diagram Sbc Starter Wiring (2020cadillac.com)

Starter Motor Wiring Diagram 1990 1993 2 5L SOHC Dodge Dakota Starter Motor Wiring Diagram 1990 1993 2 5L SOHC Dodge Dakota (easyautodiagnostics.com)

Understanding The Basics Starter Motor Wiring Diagram ExplainedUnderstanding The Basics Starter Motor Wiring Diagram Explained (autoctrls.com)

Understanding The Basics Starter Motor Wiring Diagram ExplainedUnderstanding The Basics Starter Motor Wiring Diagram Explained (autoctrls.com)

Cat Starter Motor Wiring Diagram Wiring DiagramCat Starter Motor Wiring Diagram Wiring Diagram (www.autowiringdiagram.net)

Starter Motor Wiring Diagram

To sum up, grasping and working with Starter Motor Wiring Diagram is an vital skill for anyone working with electrical systems, from novices to seasoned professionals. These diagrams serve as blueprints that illustrate the connections and functions of electrical circuits, making troubleshooting, setup, and maintenance far more efficient.

Whether you’re working on a small home lighting system or a complex industrial setup, a well-drawn Starter Motor Wiring Diagram can help avoid delays, reduce mistakes, and keep things safe.

For beginners Starter Motor Wiring Diagram, begin with simple projects, explore real-life examples, and don’t hesitate to get help. For pros, staying updated with the newest regulations helps you stay competitive.

In the end, Starter Motor Wiring Diagram are more than just technical illustrations; they are the blueprint of electricity. By mastering and create them, you equip yourself to work smarter, safer, and with precision in any electrical project.

Thank you for reading, and we hope this article Starter Motor Wiring Diagram has helped illuminate the importance of wiring diagrams.