Starter Relay Wiring Diagram

When it comes to starting your vehicle, the starter relay plays a crucial role in the process. This small electrical component is responsible for sending power from the battery to the starter motor, allowing your engine to turn over and start running. Understanding the wiring diagram for the starter relay is essential for proper installation and troubleshooting.

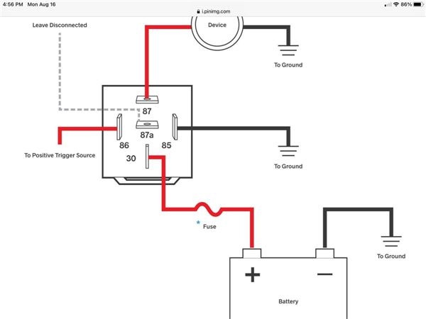
Before diving into the wiring diagram, it’s important to know the basic components of a starter relay. The relay consists of four terminals – battery, ignition switch, starter motor, and ground. Each terminal serves a specific function in the starting process, and the wiring diagram illustrates how they are connected to ensure proper operation.

5 Pin Starter Relay Wiring Diagram5 Pin Starter Relay Wiring Diagram (stewart-switch.com)

One common wiring diagram for a starter relay includes connecting the battery terminal to the positive terminal of the battery, the ignition switch terminal to the ignition switch, the starter motor terminal to the starter motor, and the ground terminal to the vehicle’s chassis. This simple diagram shows the flow of electricity from the battery to the starter motor when the ignition switch is turned.

It’s important to follow the wiring diagram carefully when installing a starter relay to prevent any electrical issues or damage to the vehicle. Checking the connections and ensuring that the terminals are securely attached can help prevent starting problems down the road. If you’re unsure about the wiring diagram or installation process, it’s always best to consult a professional mechanic for assistance.

In conclusion, understanding the wiring diagram for a starter relay is essential for proper installation and troubleshooting. By following the diagram and ensuring that all connections are secure, you can ensure that your vehicle starts smoothly every time. If you’re ever in doubt, don’t hesitate to seek help from a qualified professional to avoid any potential electrical problems.


Download and Print Starter Relay Wiring Diagram Listed below

Understanding The Mopar Starter Relay Wiring Diagram Moo WiringUnderstanding The Mopar Starter Relay Wiring Diagram Moo Wiring (moowiring.com)

Understanding Your Starter Relay Wiring Diagram Moo WiringUnderstanding Your Starter Relay Wiring Diagram Moo Wiring (moowiring.com)

Wiring Diagram For A Starter Relay Wiring Digital And SchematicWiring Diagram For A Starter Relay Wiring Digital And Schematic (www.wiringdigital.com)

Harley Starter Relay Wiring DiagramHarley Starter Relay Wiring Diagram (stewart-switch.com)

Starter Relay Wiring Diagram Guide And InstructionsStarter Relay Wiring Diagram Guide And Instructions (schempro.com)

Starter Relay Wiring Diagram

In conclusion, comprehending and working with Starter Relay Wiring Diagram is an essential skill for anyone working with electrical systems, from beginners to veteran technicians. These diagrams function as blueprints that map out the paths and operations of electrical circuits, making fault-finding, installation, and servicing far more straightforward.

When you’re working on a small home lighting system or a complex industrial setup, a well-drawn Starter Relay Wiring Diagram can help avoid delays, reduce mistakes, and ensure safety.

For beginners Starter Relay Wiring Diagram, begin with simple projects, explore real-life examples, and don’t hesitate to get help. For experienced technicians, staying updated with the newest regulations helps you stay ahead.

Ultimately, Starter Relay Wiring Diagram are more than just schematic drawings; they are the foundation of electricity. By being able to interpret and create them, you empower yourself to work more effectively, more safely, and more accurately in any electrical project.

We appreciate your time, and we hope this article Starter Relay Wiring Diagram has given insight into the value of wiring diagrams.