Starter Wiring Diagram

When it comes to starting your vehicle, the starter plays a crucial role in getting the engine up and running. Without a properly functioning starter, your car won’t be able to start, leaving you stranded. Ensuring that your starter is wired correctly is essential for the overall performance of your vehicle.

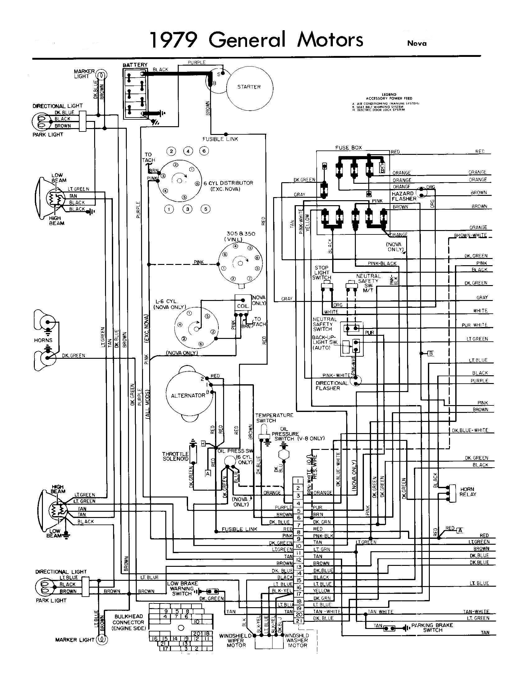
One of the key components of a starter system is the wiring diagram. This diagram provides a visual representation of how the starter is connected to the battery, ignition switch, and other components. Having a clear and accurate wiring diagram can help you troubleshoot any issues that may arise with your starter system.

 DIAGRAM 1978 Vw Beetle Starter Wiring Diagram Schematic MYDIAGRAM DIAGRAM 1978 Vw Beetle Starter Wiring Diagram Schematic MYDIAGRAM (mydiagram.online)

Starter Wiring Diagram

A starter wiring diagram typically consists of lines and symbols that represent the various components of the starter system. These components include the battery, ignition switch, starter solenoid, and starter motor. The diagram shows how these components are connected to one another, allowing for the flow of electricity needed to start the engine.

It’s important to follow the starter wiring diagram carefully when installing or repairing your starter system. Incorrect wiring can lead to a host of problems, including a malfunctioning starter, damage to other electrical components, or even a fire hazard. By following the diagram, you can ensure that your starter system operates effectively and safely.

When troubleshooting issues with your starter system, the wiring diagram can be a valuable tool. By tracing the connections shown in the diagram, you can pinpoint any faulty wiring or components that may be causing the problem. This can save you time and money by allowing you to make targeted repairs without having to guess at the issue.

In conclusion, a properly wired starter is essential for the reliable operation of your vehicle. The starter wiring diagram is a key resource for ensuring that your starter system is connected correctly and functioning as it should. By following the diagram and using it as a troubleshooting tool, you can keep your vehicle running smoothly and avoid any potential issues with your starter system.


Download and Print Starter Wiring Diagram Listed below

 DIAGRAM 1993 Ford Starter Wiring Diagram Picture MYDIAGRAM ONLINEDIAGRAM 1993 Ford Starter Wiring Diagram Picture MYDIAGRAM ONLINE (mydiagram.online)

1995 Ford F150 Starter Solenoid Wiring Diagram Wiring Diagram Ford 1995 Ford F150 Starter Solenoid Wiring Diagram Wiring Diagram Ford (2020cadillac.com)

Ford F150 Starter Solenoid Wiring DiagramFord F150 Starter Solenoid Wiring Diagram (www.mikrora.com)

Chevy C10 Starter Wiring Diagram Wiring Diagram Sbc Starter Wiring Chevy C10 Starter Wiring Diagram Wiring Diagram Sbc Starter Wiring (2020cadillac.com)

Chevy C10 Starter Wiring Diagram Wiring Diagram Sbc Starter Wiring Chevy C10 Starter Wiring Diagram Wiring Diagram Sbc Starter Wiring (2020cadillac.com)

Starter Wiring Diagram

To sum up, comprehending and utilizing Starter Wiring Diagram is an important skill for those dealing with electrical setups, from newcomers to seasoned professionals. These diagrams function as blueprints that map out the paths and operations of electrical circuits, making troubleshooting, setup, and maintenance far more straightforward.

Whether you’re working on a basic home lighting system or a complex industrial setup, a well-drawn Starter Wiring Diagram can help avoid delays, prevent errors, and keep things safe.

If you’re new to Starter Wiring Diagram, start small, examine real-life examples, and don’t hesitate to get help. For pros, staying updated with the current practices helps you stay relevant.

Ultimately, Starter Wiring Diagram are more than just technical illustrations; they are the blueprint of electricity. By being able to interpret and draft them, you empower yourself to work more effectively, safer, and with precision in any electrical project.

Thank you for reading, and we hope this article Starter Wiring Diagram has given insight into the power of wiring diagrams.