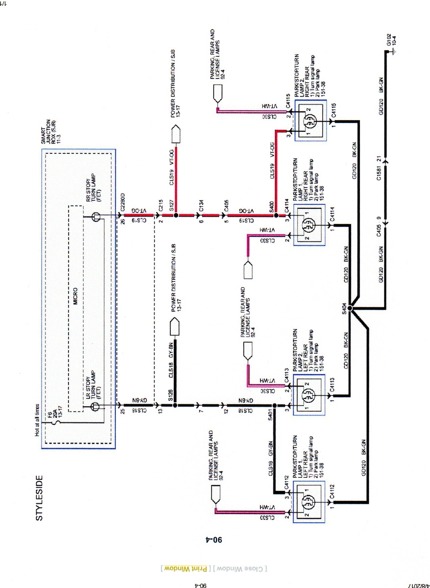
Stop Turn Tail Light Wiring Diagram

When it comes to the safety of your vehicle, having properly functioning stop turn tail lights is crucial. These lights help to indicate your intentions to other drivers on the road, whether you are stopping, turning, or changing lanes. Understanding the wiring diagram for these lights can help ensure they are wired correctly and working effectively.

Properly wiring your stop turn tail lights is essential for the safety of yourself and others on the road. By following a wiring diagram specific to your vehicle, you can ensure that the lights function properly and provide clear signals to those around you.

Everything You Need To Know LED Stop Turn Tail Light Wiring DiagramEverything You Need To Know LED Stop Turn Tail Light Wiring Diagram (electraschematics.com)

Stop Turn Tail Light Wiring Diagram

Typically, a stop turn tail light wiring diagram will show the connections for the taillights, brake lights, and turn signals. Each light will have its own wire color and connection point, which should be followed precisely to ensure proper function. It is important to consult the specific wiring diagram for your vehicle make and model to ensure accuracy.

In most cases, the wiring diagram will show the color-coding for each wire, as well as the corresponding connection points on the vehicle. Following these diagrams step-by-step can help to troubleshoot any issues with your stop turn tail lights and ensure they are working correctly.

Additionally, understanding the wiring diagram can help when it comes to installing aftermarket lights or making modifications to your existing lighting system. By following the diagram, you can easily identify the necessary connections and ensure everything is wired correctly for optimal performance.

Regularly checking and maintaining your stop turn tail lights is important for the safety of yourself and others on the road. By referring to the wiring diagram and following the proper procedures, you can ensure that your lights are functioning as they should and providing clear signals to those around you.

In conclusion, having a clear understanding of the stop turn tail light wiring diagram is essential for the proper function and safety of your vehicle. By following the diagram specific to your vehicle make and model, you can ensure that your lights are wired correctly and providing the necessary signals to other drivers. Regular maintenance and attention to detail when it comes to your vehicle’s lighting system can help prevent accidents and keep you safe on the road.


Download and Print Stop Turn Tail Light Wiring Diagram Listed below

Stop turn tail Light Wiring Diagram Cadician 39 s BlogStop Turn Tail Light Wiring Diagram Cadician 39 S Blog (2020cadillac.com)

Stop turn tail Light Wiring Diagram Cadician 39 s BlogStop Turn Tail Light Wiring Diagram Cadician 39 S Blog (2020cadillac.com)

Stop turn tail Light Wiring Diagram Cadician 39 s BlogStop Turn Tail Light Wiring Diagram Cadician 39 S Blog (2020cadillac.com)

Stop turn tail Light Wiring Diagram Cadician 39 s BlogStop Turn Tail Light Wiring Diagram Cadician 39 S Blog (2020cadillac.com)

Lincoln Town Car Questions Tail Lights Brake Light Turn Signals Lincoln Town Car Questions Tail Lights Brake Light Turn Signals (2020cadillac.com)

Stop Turn Tail Light Wiring Diagram

To wrap things up, grasping and utilizing Stop Turn Tail Light Wiring Diagram is an vital skill for anyone involved in electrical work, from newcomers to experienced electricians. These diagrams serve as blueprints that illustrate the paths and operations of electrical circuits, making fault-finding, setup, and maintenance far more efficient.

When you’re working on a basic home lighting system or a complicated industrial setup, a well-drawn Stop Turn Tail Light Wiring Diagram can save time, reduce mistakes, and keep things safe.

For beginners Stop Turn Tail Light Wiring Diagram, start small, examine real-life examples, and don’t hesitate to ask for advice. For skilled workers, staying updated with the current practices helps you stay competitive.

In the end, Stop Turn Tail Light Wiring Diagram are more than just schematic drawings; they are the blueprint of electricity. By being able to interpret and design them, you equip yourself to work smarter, safer, and with precision in any electrical project.

Thanks for following along, and we hope this article Stop Turn Tail Light Wiring Diagram has shed light on the value of wiring diagrams.