Wiring An Alternator Diagram

When it comes to wiring an alternator diagram, it is important to understand the various components and connections involved in the process. An alternator plays a crucial role in a vehicle’s electrical system, as it is responsible for charging the battery and providing power to the vehicle’s electrical components. Having a clear diagram can help ensure that the wiring is done correctly and efficiently.

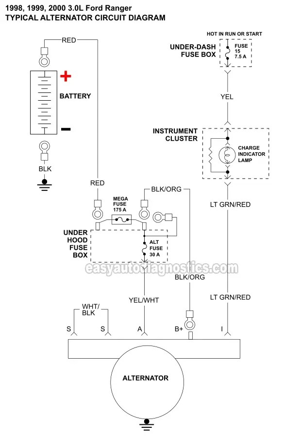
Before starting the wiring process, it is essential to have a good understanding of the alternator’s wiring diagram. This diagram typically shows the various connections, such as the battery, ground, and different terminals on the alternator. It is important to carefully study the diagram and identify the correct wires and connections before proceeding with the wiring process.

 DIAGRAM Wiring Diagram Alternator Bosch MYDIAGRAM ONLINEDIAGRAM Wiring Diagram Alternator Bosch MYDIAGRAM ONLINE (mydiagram.online)

One of the key components in the alternator wiring diagram is the battery connection. The alternator is responsible for charging the battery, so it is crucial to ensure that the battery is properly connected to the alternator. This connection typically involves a thick wire that carries the charging current from the alternator to the battery. It is important to secure this connection properly to ensure efficient charging of the battery.

In addition to the battery connection, the alternator diagram also includes various other connections, such as the ground connection and the connections to the vehicle’s electrical system. These connections play a crucial role in ensuring that the alternator functions properly and provides power to the vehicle’s electrical components. It is important to follow the diagram carefully and make sure that all connections are secure and properly insulated.

Overall, wiring an alternator diagram is a crucial step in ensuring that the alternator functions properly and efficiently. By understanding the various components and connections involved in the wiring process, you can ensure that the alternator provides power to the vehicle’s electrical system and charges the battery effectively. Remember to study the diagram carefully, make the necessary connections, and test the alternator to ensure that it is functioning correctly.

In conclusion, having a clear and accurate alternator wiring diagram is essential for ensuring the efficient operation of the vehicle’s electrical system. By following the diagram carefully and making the necessary connections, you can ensure that the alternator charges the battery and provides power to the vehicle’s electrical components effectively. Take the time to study the diagram, make the connections correctly, and test the alternator to ensure that it is working as it should.


Download and Print Wiring An Alternator Diagram Listed below

Schematic Diagram Of Alternator WiringSchematic Diagram Of Alternator Wiring (wiringdiagramall.blogspot.com)

Delco Remy Cs130 Alternator Wiring Diagram Wiring Diagram Cs130 Delco Remy Cs130 Alternator Wiring Diagram Wiring Diagram Cs130 (2020cadillac.com)

Ac Delco Alternator Wiring Diagram Caroldoey Wiring Diagram Essig Ac Delco Alternator Wiring Diagram Caroldoey Wiring Diagram Essig (2020cadillac.com)

1996 Nissan Maxima Wiring Diagram Simple Alternator Wiring Diagram 1996 Nissan Maxima Wiring Diagram Simple Alternator Wiring Diagram (2020cadillac.com)

4 Wire Alternator Exciter Wiring Diagram4 Wire Alternator Exciter Wiring Diagram (diagramweb.net)

Wiring An Alternator Diagram

In conclusion, understanding and using Wiring An Alternator Diagram is an essential skill for anyone working with electrical systems, from novices to experienced electricians. These diagrams serve as blueprints that show the connections and functions of electrical circuits, making fault-finding, setup, and servicing far more manageable.

Whether you’re working on a basic home lighting system or a complicated industrial setup, a well-drawn Wiring An Alternator Diagram can help avoid delays, prevent errors, and keep things safe.

For beginners Wiring An Alternator Diagram, start small, study real-life examples, and don’t hesitate to get help. For pros, staying updated with the latest standards helps you stay ahead.

Ultimately, Wiring An Alternator Diagram are more than just schematic drawings; they are the foundation of electricity. By being able to interpret and design them, you equip yourself to work more effectively, more safely, and more accurately in any electrical project.

We appreciate your time, and we hope this article Wiring An Alternator Diagram has shed light on the value of wiring diagrams.