Wiring Diagram For Heat Pump

When it comes to installing a heat pump, having a clear and accurate wiring diagram is essential. A heat pump is a complex system that requires precise wiring to ensure it functions properly. By following a wiring diagram for a heat pump, you can easily connect the various components and ensure that everything is wired correctly.

Whether you are installing a new heat pump or replacing an old one, having a wiring diagram on hand will make the installation process much smoother. It will help you identify the various wires and components, as well as where they need to be connected. This will minimize the risk of errors and ensure that your heat pump operates efficiently.

Ecobee3 Wiring Diagram Heat Pump Wiring Diagram And Schematic RoleEcobee3 Wiring Diagram Heat Pump Wiring Diagram And Schematic Role (diagram.tntuservices.com)

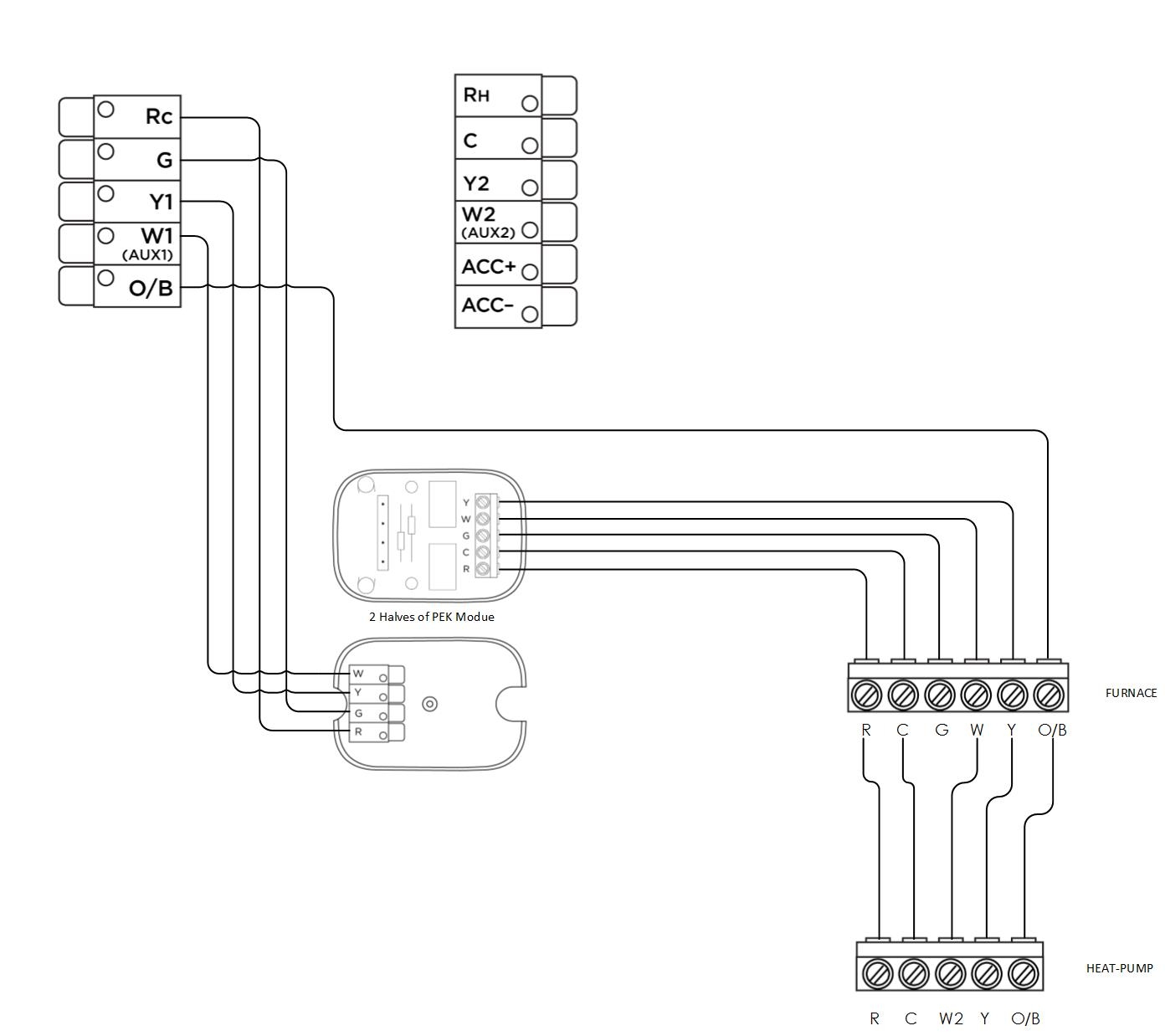
When looking at a wiring diagram for a heat pump, you will typically see symbols representing the various components such as the compressor, condenser, blower motor, and thermostat. Each of these components will have specific wiring connections that need to be made in order for the heat pump to function properly. It is important to follow the diagram carefully and double-check your connections to avoid any issues.

In addition to the components themselves, a wiring diagram for a heat pump will also show the various wires and their colors. This is crucial for ensuring that the correct wires are connected to the right components. It is recommended to use a multimeter to test the continuity of the wires and verify that they are connected properly before powering up the heat pump.

Overall, having a wiring diagram for a heat pump is a valuable resource that can simplify the installation process and minimize the risk of errors. By following the diagram carefully and double-checking your connections, you can ensure that your heat pump operates efficiently and effectively.

So, whether you are a professional HVAC technician or a DIY enthusiast, be sure to have a reliable wiring diagram on hand when installing or replacing a heat pump. It will make the process much smoother and ensure that your heat pump functions at its best.


Download and Print Wiring Diagram For Heat Pump Listed below

Ladder Wiring Diagram For Daikin Heat PumpLadder Wiring Diagram For Daikin Heat Pump (wiringall.com)

Ecobee4 Wiring Diagrams Ecobee Support Heat Pump Wiring Diagram Ecobee4 Wiring Diagrams Ecobee Support Heat Pump Wiring Diagram (2020cadillac.com)

York Heat Pump Wiring Diagrams Data Wiring Diagram Schematic Heat York Heat Pump Wiring Diagrams Data Wiring Diagram Schematic Heat (2020cadillac.com)

Heat Pump Wiring Diagram View Wiring Diagrams Thumbs Heat Pump Heat Pump Wiring Diagram View Wiring Diagrams Thumbs Heat Pump (2020cadillac.com)

Ruud Heat Pump Wiring Diagram Wiring Diagrams Heat Pump Wiring Ruud Heat Pump Wiring Diagram Wiring Diagrams Heat Pump Wiring (2020cadillac.com)

Wiring Diagram For Heat Pump

To wrap things up, understanding and using Wiring Diagram For Heat Pump is an important skill for anyone working with electrical systems, from newcomers to seasoned professionals. These diagrams act as blueprints that illustrate the paths and operations of electrical circuits, making troubleshooting, setup, and maintenance far more straightforward.

When you’re working on a simple home lighting system or a large-scale industrial setup, a well-drawn Wiring Diagram For Heat Pump can help avoid delays, reduce mistakes, and keep things safe.

For beginners Wiring Diagram For Heat Pump, begin with simple projects, study real-life examples, and don’t hesitate to ask for advice. For pros, staying updated with the latest standards helps you stay relevant.

In the end, Wiring Diagram For Heat Pump are more than just technical illustrations; they are the blueprint of electricity. By learning to read and create them, you equip yourself to work smarter, safer, and more accurately in any electrical project.

We appreciate your time, and we hope this article Wiring Diagram For Heat Pump has shed light on the value of wiring diagrams.